Best WPD39M60SB - Manuel d'utilisation

Best WPD39M60SB

Hotte de cuisine Best WPD39M60SB - Manuel d'utilisation, à lire gratuitement en ligne au format PDF. Nous espérons que cela vous aidera à résoudre toutes les questions que vous pourriez avoir. Si vous avez encore des questions, contactez-nous via le formulaire de contact.

1 Page 1
2 Page 2
3 Page 3
4 Page 4
5 Page 5
6 Page 6
7 Page 7
8 Page 8
9 Page 9
10 Page 10
11 Page 11
12 Page 12
13 Page 13
14 Page 14
Page: / 14

Table des matières:

  • Page 1 – CONÇUE POUR USAGE DOMESTIQUE SEULEMENT; INSTALLATEUR : LAISSER CE GUIDE AU PROPRIÉTAIRE.; LIRE ET CONSERVER CES DIRECTIVES; GUIDE D’INSTALLATION
  • Page 3 – - SYSTÈME DE HOTTE DE CUISINIÈRE SÉRIE WPD39M -
  • Page 5 – AVERTISSEMENT; PRÉPARER L’INSTALLATION; INSTALLER LA LISIÈRE DE BOIS; ATTENTION
  • Page 6 – INSTALLER LA HOTTE; RETIRER LES FILTRES À CHICANE, LE COLLECTEUR DE GRAISSES
  • Page 7 – INSTALLER LA PLAQUE VENTILATEUR; BRANCHEMENT ÉLECTRIQUE; INSTALLER LE VENTILATEUR
  • Page 8 – RÉINSTALLER LE PANNEAU INFÉRIEUR, LE COLLECTEUR DE GRAISSES; REMPLACEMENT DES AMPOULES
  • Page 9 – SUITE
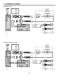
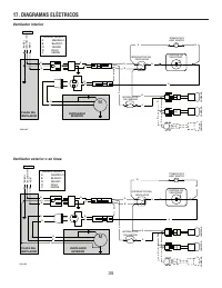
  • Page 11 – SCHÉMAS ÉLECTRIQUES; Ventilateur interne; Ventilateur extérieur ou en ligne
  • Page 12 – PIÈCES DE REMPLACEMENT
Téléchargement du manuel

CONÇUE POUR USAGE DOMESTIQUE SEULEMENT

INSTALLATEUR : LAISSER CE GUIDE AU PROPRIÉTAIRE.

PROPRIÉTAIRE : DIRECTIVES D’UTILISATION ET D’ENTRETIEN

EN PAGES 21

ET

22.

LIRE ET CONSERVER CES DIRECTIVES

!

!

SÉRIE WPD39M

BEST; Hartford, Wisconsin www.BestRangeHoods.com 800 558-1711
BEST; Drummondville, QC, Canada www.BestRangeHoods.com 866 737-7770

Pour enregistrer votre produit en ligne ou pour obtenir plus d’information, consultez notre site www.BestRangeHoods.com

HB0113

GUIDE D’INSTALLATION

SV20611 rév. 05

„Téléchargement du manuel“ signifie que vous devez attendre que le fichier soit complètement chargé avant de pouvoir le lire en ligne. Certains manuels sont très volumineux, et le temps de chargement dépend de la vitesse de votre connexion Internet.

Résumé

Page 1 - CONÇUE POUR USAGE DOMESTIQUE SEULEMENT; INSTALLATEUR : LAISSER CE GUIDE AU PROPRIÉTAIRE.; LIRE ET CONSERVER CES DIRECTIVES; GUIDE D’INSTALLATION

CONÇUE POUR USAGE DOMESTIQUE SEULEMENT INSTALLATEUR : LAISSER CE GUIDE AU PROPRIÉTAIRE. PROPRIÉTAIRE : DIRECTIVES D’UTILISATION ET D’ENTRETIEN EN PAGES 21 ET 22. LIRE ET CONSERVER CES DIRECTIVES ! ! SÉRIE WPD39M BEST; Hartford, Wisconsin www.BestRangeHoods.com 800 558-1711BEST; Drummondville, QC, Ca...

Page 3 - - SYSTÈME DE HOTTE DE CUISINIÈRE SÉRIE WPD39M -

15 HL0188 - SYSTÈME DE HOTTE DE CUISINIÈRE SÉRIE WPD39M - M ODÈLE 441 (C APUCHON MURAL 10 PO ROND ) V ENTILATEUR EN LIGNE MODÈLE ILB11 (1100 PI 3/ MIN ) (I NCLUANT DEUX TRANSITIONS RONDES DE 8 PO X 12 PO À 10 PO ) V ENTILATEUR EXTÉRIEUR MODÈLE EB12 (1200 PI 3/ MIN ) OU EB15 (1500 PI 3/ MIN ) M ODÈLE...

Page 5 - AVERTISSEMENT; PRÉPARER L’INSTALLATION; INSTALLER LA LISIÈRE DE BOIS; ATTENTION

17 AVERTISSEMENT ! Il est recommandé de porter des lunettes et des gants de sécurité lors de l’installation, de l’entretien et de la réparation de cet appareil. 3. INSTALLER LE DOSSERET (OPTIONNEL) Série ABWPD (seulement pour les modèles de 36 po, 42 po et 48 po de largeur) Le dosseret doit être ins...

Autres modèles de hottes de cuisine Best

Tous les hottes de cuisine Best