Best CP35I309SB - Manuel d'utilisation

Best CP35I309SB

Hotte de cuisine Best CP35I309SB - Manuel d'utilisation, à lire gratuitement en ligne au format PDF. Nous espérons que cela vous aidera à résoudre toutes les questions que vous pourriez avoir. Si vous avez encore des questions, contactez-nous via le formulaire de contact.

1 Page 1
2 Page 2
3 Page 3
4 Page 4
5 Page 5
6 Page 6
7 Page 7
8 Page 8
9 Page 9
10 Page 10
11 Page 11
12 Page 12
13 Page 13
14 Page 14
15 Page 15
16 Page 16
Page: / 16

Table des matières:

  • Page 1 – INSTALLATEUR : LAISSER CE GUIDE AU PROPRIÉTAIRE.; LIRE ET CONSERVER CES DIRECTIVES
  • Page 4 – PRÉPARER L’INSTALLATION; INSTALLER LES CONDUITS ET LE CÂBLAGE ÉLECTRIQUE; PRÉPARER L’ARMOIRE POUR HOTTE; AVERTISSEMENT
  • Page 5 – SUITE; ASSEMBLER LA CHARPENTE DE L’ARMOIRE; RETIRER LES FILTRES
  • Page 6 – RETIRER LA GOUTTIÈRE; RETIRER LE PANNEAU INFÉRIEUR
  • Page 7 – NE PAS OUBLIER DE CONNECTER LA MISE À LA TERRE
  • Page 9 – INSTALLER LA HOTTE ENCASTRABLE; ATTENTION
  • Page 10 – REMETTRE EN PLACE LE PANNEAU INFÉRIEUR; REMETTRE LA GOUTTIÈRE EN PLACE
  • Page 11 – RÉINSTALLER LES FILTRES À CHICANE
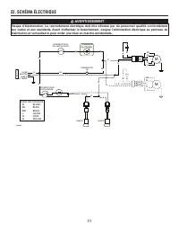
  • Page 15 – SCHÉMA ÉLECTRIQUE
  • Page 16 – PIÈCES DE REMPLACEMENT
Téléchargement du manuel

SÉRIES CP34, CP35 ET CP37

HB0078

GUIDE D’INSTALLATION

CONÇUES POUR USAGE DOMESTIQUE SEULEMENT

INSTALLATEUR : LAISSER CE GUIDE AU PROPRIÉTAIRE.

PROPRIÉTAIRE : DIRECTIVES D’UTILISATION ET D’ENTRETIEN

EN PAGES 28

ET

29.

LIRE ET CONSERVER CES DIRECTIVES

BEST; Hartford, Wisconsin www.BestRangeHoods.com 800 558-1711

Pour enregistrer votre produit en ligne ou pour obtenir plus d’information, consultez notre site www.BestRangeHoods.com

SV08544 rév. 12

!

!

„Téléchargement du manuel“ signifie que vous devez attendre que le fichier soit complètement chargé avant de pouvoir le lire en ligne. Certains manuels sont très volumineux, et le temps de chargement dépend de la vitesse de votre connexion Internet.

Résumé

Page 1 - INSTALLATEUR : LAISSER CE GUIDE AU PROPRIÉTAIRE.; LIRE ET CONSERVER CES DIRECTIVES

SÉRIES CP34, CP35 ET CP37 HB0078 GUIDE D’INSTALLATION CONÇUES POUR USAGE DOMESTIQUE SEULEMENT INSTALLATEUR : LAISSER CE GUIDE AU PROPRIÉTAIRE. PROPRIÉTAIRE : DIRECTIVES D’UTILISATION ET D’ENTRETIEN EN PAGES 28 ET 29. LIRE ET CONSERVER CES DIRECTIVES BEST; Hartford, Wisconsin www.BestRangeHoods.com 8...

Page 4 - PRÉPARER L’INSTALLATION; INSTALLER LES CONDUITS ET LE CÂBLAGE ÉLECTRIQUE; PRÉPARER L’ARMOIRE POUR HOTTE; AVERTISSEMENT

20 1. PRÉPARER L’INSTALLATION Déterminer à quel endroit et comment les conduits seront installés. Un accès au dessus de la hotte est préférable pour le raccordement des conduits. Installer des conduits de dimensions appropriées, coude(s) et capuchon de mur ou de toit selon le type de ventilateur. Po...

Page 5 - SUITE; ASSEMBLER LA CHARPENTE DE L’ARMOIRE; RETIRER LES FILTRES

21 3. PRÉPARER L’ARMOIRE POUR HOTTE ( SUITE ) Afin de réduire l’espace autour de la hotte encastrable, mesurer la longueur et la profondeur de celle-ci et ajouter 1/16 po pour obtenir les mesures de D et E . Découper L'ouverture dans la base de l’armoire selon les dimensions obtenues. Consulter le t...

Autres modèles de hottes de cuisine Best

Tous les hottes de cuisine Best