Zephyr DVS-E30ASSX - Manuel d'utilisation

Zephyr DVS-E30ASSX

Hotte de cuisine Zephyr DVS-E30ASSX - Manuel d'utilisation, à lire gratuitement en ligne au format PDF. Nous espérons que cela vous aidera à résoudre toutes les questions que vous pourriez avoir. Si vous avez encore des questions, contactez-nous via le formulaire de contact.

1 Page 1
2 Page 2
3 Page 3
4 Page 4
5 Page 5
6 Page 6
7 Page 7
8 Page 8
9 Page 9
10 Page 10
11 Page 11
12 Page 12
13 Page 13
14 Page 14
15 Page 15
16 Page 16
17 Page 17
18 Page 18
19 Page 19
20 Page 20
21 Page 21
22 Page 22
23 Page 23
24 Page 24
25 Page 25
26 Page 26
27 Page 27
28 Page 28
29 Page 29
30 Page 30
Page: / 30

Table des matières:

  • Page 5 – Sommaire
  • Page 6 – LIRE ET CONSERVER LES INSTRUCTIONS; Instructions De Securite 1/5
  • Page 7 – Instructions De Securite 2/5
  • Page 8 – Instructions De Securite 3/5
  • Page 9 – Instructions De Securite 4/5
  • Page 10 – Instructions De Securite 5/5
  • Page 11 – Liste Des Materiaux
  • Page 13 – Feuille Pour Calculer Les Conduits
  • Page 14 – Specifications Techniques
  • Page 16 – Installation – Moteur Interieur
  • Page 18 – Installation – Preparation Moteur Exterieur
  • Page 20 – Installation – Options D’aspiration
  • Page 21 – Installation – Fixation De La Hotte
  • Page 22 – Installation – Raccordement Au Reseau
  • Page 23 – Installation – Fixation Des Cheminees
  • Page 24 – Contrôle tactile
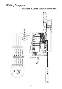
  • Page 25 – Télécommande en option
  • Page 26 – Entretien
  • Page 29 – Liste De Pièces Détachées Et Accessoires
  • Page 30 – Garantie limitée
Téléchargement du manuel

„Téléchargement du manuel“ signifie que vous devez attendre que le fichier soit complètement chargé avant de pouvoir le lire en ligne. Certains manuels sont très volumineux, et le temps de chargement dépend de la vitesse de votre connexion Internet.

Résumé

Page 5 - Sommaire

INSTRUCTIONS DE SECURITE ................................................................................... pag. 31 LISTE DES MATERIAUX ................................................................................................ pag. 36 FEUILLE POUR CALCULER LES CONDUITS ..........................

Page 6 - LIRE ET CONSERVER LES INSTRUCTIONS; Instructions De Securite 1/5

INSTRUCTIONS DE SECURITE IMPORTANTES POUR UN USAGE DOMESTIQUE EXCLUSIVEMENT LIRE ET CONSERVER LES INSTRUCTIONS COMMENCER PAR LIRE ENTIEREMENT LES INSTRUCTIONS. IMPORTANT: Conserver les Instructions à usage des Inspecteurs Electriques Locaux. A L’ATTENTION DE L’INSTALLATEUR: Laisser les Instructions ...

Page 7 - Instructions De Securite 2/5

l’unité, débrancher le panneau de service et fermer à clef les commandes de déconnection afin d’éviter toute mise sous tension accidentelle. Au cas où les commandes de déconnection ne pourraient être fermées à clef, fixer sur lepanneau de service un message avertissant du danger, par exemple une pla...

Autres modèles de hottes de cuisine Zephyr

Tous les hottes de cuisine Zephyr