Page 5 - Sommaire
INSTRUCTIONS DE SECURITE ................................................................................... pag. 31 LISTE DES MATERIAUX ................................................................................................ pag. 36 FEUILLE POUR CALCULER LES CONDUITS ..........................
Page 6 - LIRE ET CONSERVER LES INSTRUCTIONS; Instructions De Securite 1/5
INSTRUCTIONS DE SECURITE IMPORTANTES POUR UN USAGE DOMESTIQUE EXCLUSIVEMENT LIRE ET CONSERVER LES INSTRUCTIONS COMMENCER PAR LIRE ENTIEREMENT LES INSTRUCTIONS. IMPORTANT: Conserver les Instructions à usage des Inspecteurs Electriques Locaux. A L’ATTENTION DE L’INSTALLATEUR: Laisser les Instructions ...
Page 7 - Instructions De Securite 2/5
l’unité, débrancher le panneau de service et fermer à clef les commandes de déconnection afin d’éviter toute mise sous tension accidentelle. Au cas où les commandes de déconnection ne pourraient être fermées à clef, fixer sur lepanneau de service un message avertissant du danger, par exemple une pla...
Page 8 - Instructions De Securite 3/5
l’organisme NFPA. Une bonne maintenance de la hotte garantit le parfait fonctionnement de l’unité. INSTRUCTIONS D’INSTALLATION AVERTISSEMENT – AFIN DE RÉDUIRE LES RISQUES D’INCENDIE, D’ÉLECTROCUTION OU DE DOMMAGES AUX PERSONNES, RESPECTER LES REGLES SUIVANTES: A. Les opérations d’installation et de ...
Page 9 - Instructions De Securite 4/5
Exigences électriques Important: - Respectez tous les codes et ordonnances en vigueur.- Il est de la responsabilité du client d’en prendre connaissance ci-dessous:- Pour contacter un installateur électrique qualifié.- Pour garantir que l’installation électrique est adéquate et conforme au National E...
Page 10 - Instructions De Securite 5/5
rallumant l’équipement, l’utilisateur est encouragé à essayer de corriger les interférences par l’une des mesures suivantes:- Réorientez ou déplacez l’antenne de réception.- Augmentez la séparation entre l’équipement et le récepteur.- Connectez l’équipement à une prise sur un circuit différent de ce...
Page 11 - Liste Des Materiaux
Modèles: DLA-E42ASSX / DLA-M90ASSX Liste Des Materiaux Ensemble Conduit Décoratif Etrier De Support Cheminée Panneaux Commandes Boîte portant inscription “120 VAC Input” Filtres Lampes Harnais Câbla- ge Ventilateur externe Exstension Câblage Ventilateur externe Boîte du ventilateur exterieur E n s e...
Page 13 - Feuille Pour Calculer Les Conduits
Feuille Pour Calculer Les Conduits Total = 3- 1/ 4 po x 10 po 1 pi x ( ) = pi 5 pi x ( ) = pi 20 pi x ( ) = pi 6 po, 7 po, 8 po, 10 po 15 pi x ( ) = pi 6 po, 7 po, 8 po, 10 po 9 pi x ( ) = pi pi 6 po, 7 po, 8 po, 10 po 1 pi x ( ) = pi Total = 6 po, 7 po, 8 po, 10 po 30 pi x ( ) = pi pi pi pi 6 po, 7...
Page 14 - Specifications Techniques
35-3/8”, 41-15/16” 27-9/16” 9-15/16” 16-1/2” 22” 3-9/16” 5/8” 1-3/4” 14-1/16” 18-1/8” 16-1/2” 3-1/2” (Ø 6'') Internal Blower 4-5/16” (Ø 8" ) Remote Blower 8” 3/4” 9-3/16” 16-15/16” STANDARD min. ducted - 27” min. recirc. - 31” max. - 44-1/2” Z1C-00VS min. ducted - 43-1/2” min. recirc. - 47-1/2” ...
Page 16 - Installation – Moteur Interieur
Les instructions qui suivent concernent l’installation du moteur intérieur. AVERTISSEMENT: à fin de reduire le risque de incendie et de shock éléctrique il faut installer la hotte seulement avec les modèles avec moteur a l’intèrieur modèles CBI-290A ou CBI-600A. Pour la préparation du moteur extérie...
Page 18 - Installation – Preparation Moteur Exterieur
Les phases suivantes concernent la prépara- tion de la hotte avec moteur extérieur ou mo-teur In-Line. CBE-1000, PBN-1000A.AVERTISSEMENT: à fin de reduire le risque de incendie et de shock éléctrique il faut installer la hotte seulement avec le moteur a l'extèrieur regleé au maximum 6.2A . Pour les ...
Page 20 - Installation – Options D’aspiration
AVERTISSEMENT : DANGER D’INCENDIE N’installez JAMAIS le conduit d’évacuation de l’air dans les interstices des murs, vides sanitaires, attiques ou garages. L’air doit toujours être évacué à l’extérieur sauf si on opte pour l’option de la recirculation. . Utilisez exclusivement des conduits en métal ...
Page 21 - Installation – Fixation De La Hotte
INSTALLATION L’appareil doit être installé à une hauteur mini-mum de 24 pouces (61 cm) de plaque. Si l’on utilise un conduit composé de deux éléments, la partie supérieure doit alors être reliée à l’extérieur de la partie inférieure.Ne pas relier le conduit d’aspiration d’air de la hotte à celui uti...
Page 22 - Installation – Raccordement Au Reseau
GENERALITES • Lire attentivement les informations suivantes, relatives à la sécurité dans les opérations d’installation et de manutention. Conserver ce fascicule d’informations pour des consultations ultérieures. BRANCHEMENT ÉLECTRIQUE Pour brancher l’appareil au réseau d’ali-mentation électrique, s...
Page 23 - Installation – Fixation Des Cheminees
FIXATION DES CHEMINEES 1. Installez la connexion électrique et essayez le fonctionnement de la hotte avant d’installer les cheminées. 2. Si vous utilisez la hotte version recyclage, assurez-vous d’installer le déviateur d’air avant d’installer les cheminées. Pour de plus amples instructions, consult...
Page 24 - Contrôle tactile
Contrôle tactile A B C D E F A - Bouton d'éclairage: Les lumières sont à trois niveaux (haut, moyen, bas). En mode veille, touchez une fois pour le haut, deux fois pour le moyen, trois fois pour le bas, quatre fois pour revenir en arrière. B - Bouton de désactivation de la temporisation: Appuyez sur...
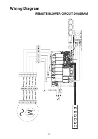
Page 25 - Télécommande en option
Télécommande en option SYNCHRONISATION: Pour synchroniser la télécommande avec la hotte de la cuisine, pour la première fois, procéder en suivant les indications suivantes:1. En tenant arrêtée la hotte de la cuisine, appuyer et maintenir appuyée la touche “Power” sur la hotte pendant 4 secondes (Fig...
Page 26 - Entretien
Entretien • Il est conseillé d’allumer l’appareil avant de commencer à cuisiner et de le laisser fonctionner pendant 5 minutes après la fin de la cuisson afin d’éliminer complète-ment les vapeurs et les odeurs de cuisine. Le bon fonctionnement de la hotte est déterminé par la régularité des opératio...
Page 29 - Liste De Pièces Détachées Et Accessoires
DESCRIPTION HOTTE PARTIE# PIÉCES DÉTACHÉES Lampe LED 1.3W (chacun) DLA, DVS Z0B0051 ACCESSOIRES EN OPTION Kit Filtrant DLA, DVS ZRC-00VS Filtres à charbon DLA, DVS Z0F-C010 Extension cheminée DLA, DVS Z1C-00VS Télécommande DLA, DVS 14000010 Moteur Interieur, 290 CFM DLA, DVS CBI-290A Moteur Interieu...
Page 30 - Garantie limitée
Zephyr Ventilation, LLC (désigné aux présentes sous le nom de « nous ») garantit au premier acheteur (désigné aux présentes sous le nom de « vous » ou « votre ») de produits Zephyr (les « Produits ») que lesdits produits sont exempts de défauts de fabrication ou de main-d’oeuvre selon les conditions...