Whirlpool WVW93UC0LS - Notice d'Installation

Whirlpool WVW93UC0LS

Hotte de cuisine Whirlpool WVW93UC0LS - Notice d'Installation, à lire gratuitement en ligne au format PDF. Nous espérons que cela vous aidera à résoudre toutes les questions que vous pourriez avoir. Si vous avez encore des questions, contactez-nous via le formulaire de contact.

1 Page 1
2 Page 2
3 Page 3
4 Page 4
5 Page 5
6 Page 6
7 Page 7
8 Page 8
9 Page 9
10 Page 10
11 Page 11
12 Page 12
13 Page 13
14 Page 14
15 Page 15
16 Page 16
17 Page 17
18 Page 18
Page: / 18

Table des matières:

  • Page 2 – Your safety and the safety of others are very important.; DANGER
  • Page 4 – SÉCURITÉ DE LA HOTTE DE CUISINIÈRE; Votre sécurité et celle des autres est très importante.; AVERTISSEMENT
  • Page 5 – IMPORTANTES INSTRUCTIONS DE SÉCURITÉ; LIRE ET CONSERVER CES INSTRUCTIONS
  • Page 6 – EXIGENCES D’INSTALLATION; Outils et pièces; Exigences d’emplacement
  • Page 7 – Exigences concernant l’évacuation; (seulement pour un modèle
  • Page 9 – Spécifications électriques
  • Page 10 – INSTRUCTIONS D’INSTALLATION; Préparation de l’emplacement
  • Page 11 – Raccordement du circuit d’évacuation
  • Page 12 – Raccordement électrique; Installation des cache‐conduits
  • Page 13 – UTILISATION DE LA HOTTE; Commandes de la hotte de cuisinière
  • Page 14 – ENTRETIEN DE LA HOTTE; Nettoyage
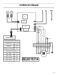
  • Page 15 – SCHÉMA DE CÂBLAGE; Neu
  • Page 16 – ASSISTANCE OU SERVICE; Au Canada
Téléchargement du manuel

30" AND 36" (76.2 AND 91.4 CM)

WALL‑MOUNT CANOPY RANGE HOOD

Installation Instructions and Use & Care Guide

For questions about features, operation/performance, parts, accessories or service, call:

1-800-253-1301

or visit our website at

www.whirlpool.com

In Canada, call

1-800-807-6777

or visit our website at

www.whirlpool.ca

HOTTE DE CUISINIÈRE À MONTAGE MURAL

DE 30" ET 36" (76,2 ET 91,4 CM)

Instructions d’installation et Guide d’utilisation et d’entretien

Au Canada, pour assistance, installation ou service, composer le

1-800-807-6777

ou visiter notre site Web à

www.whirlpool.ca

Table of Contents/Table des matières ..................................... 2

LIB0175705/W11549256A

IMPORTANT: READ AND SAVE THESE ISNTRUCTIONS. FOR RESIDENTIAL USE ONLY.
IMPORTANT: LIRE ET CONSERVER CES INSTRUCTIONS. POUR UTILISATION RÉSIDENTIELLE UNIQUEMENT.

„Téléchargement du manuel“ signifie que vous devez attendre que le fichier soit complètement chargé avant de pouvoir le lire en ligne. Certains manuels sont très volumineux, et le temps de chargement dépend de la vitesse de votre connexion Internet.

Autres Manuels pour Whirlpool WVW93UC0LS

Résumé

Page 2 - Your safety and the safety of others are very important.; DANGER

2 TABLE OF CONTENTS/TABLE DES MATIÈRES RANGE HOOD SAFETY .................................................................2INSTALLATION REQUIREMENTS .................................................4 Tools and Parts .............................................................................4Locati...

Page 4 - SÉCURITÉ DE LA HOTTE DE CUISINIÈRE; Votre sécurité et celle des autres est très importante.; AVERTISSEMENT

14 SÉCURITÉ DE LA HOTTE DE CUISINIÈRE Risque possible de décès ou de blessure grave si vous ne suivez pas immédiatement les instructions. Risque possible de décès ou de blessure grave si vous ne suivez pas les instructions. Tous les messages de sécurité vous diront quel est le danger potentiel et vo...

Page 5 - IMPORTANTES INSTRUCTIONS DE SÉCURITÉ; LIRE ET CONSERVER CES INSTRUCTIONS

15 IMPORTANTES INSTRUCTIONS DE SÉCURITÉ LIRE ET CONSERVER CES INSTRUCTIONS AVERTISSEMENT : POUR RÉDUIRE LE RISQUE D'INCENDIE, CHOC ÉLECTRIQUE OU DOMMAGES CORPORELS, RESPECTER LES INSTRUCTIONS SUIVANTES : ■ Utiliser cet appareil uniquement dans les applications envisagées par le fabricant. Pour toute...

Autres modèles de hottes de cuisine Whirlpool