Stiebel Eltron CKT 15E - Manuel d'utilisation

Stiebel Eltron CKT 15E

Chauffage Stiebel Eltron CKT 15E - Manuel d'utilisation, à lire gratuitement en ligne au format PDF. Nous espérons que cela vous aidera à résoudre toutes les questions que vous pourriez avoir. Si vous avez encore des questions, contactez-nous via le formulaire de contact.

1 Page 1
2 Page 2
3 Page 3
4 Page 4
5 Page 5
6 Page 6
7 Page 7
8 Page 8
9 Page 9
10 Page 10
11 Page 11
12 Page 12
Page: / 12
Téléchargement du manuel

WWW.STIEBEL-ELTRON-USA.COM

CK 15-20 E / CKT 15-20 E |

19

ES

PA

ÑOL

INSTALACIÓN

ESPECIfICACIONES TéCNICAS

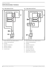
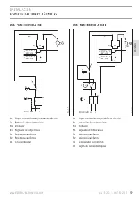
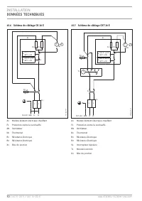
15.4 Plano eléctrico CK 15 E

GRD L1

N

CK 15 E:

M1

M

1~

ϑ >

N1

1

2

X1

R1

R2

A1

>80°C ± 5K

>80°C ± 5K

>171°F ± 9°F

>171°F ± 9°F

F1

F2

ϑ

ϑ

CK

�1

5�

SP

�T

S

A1 Grupo constructivo cuerpo calefactor eléctrico

F1

Protección sobrecalentamiento

M1 Ventilador

N1 Regulador de temperatura

R1 Resistencia calefactora

R2 Resistencia calefactora

X1 Conexión bipolar

15.5 Plano eléctrico CKT 15 E

1

2

1

3

2

ϑ >

N1

R1

R2

M1

M

1~

A1

T1

GRD L1

N

CKT 15 E:

X1

>80°C ± 5K

>80°C ± 5K

>171°F ± 9°F

>171°F ± 9°F

F1

F2

ϑ

ϑ

CKT

�1

5�

SP

�TS

A1 Grupo constructivo cuerpo calefactor eléctrico

F1

Protección sobrecalentamiento

M1 Ventilador

N1 Regulador de temperatura

R1 Resistencia calefactora

R2 Resistencia calefactora

T1

Temporizador corto 60 min

X1 Regleta de conexiones bipolar

„Téléchargement du manuel“ signifie que vous devez attendre que le fichier soit complètement chargé avant de pouvoir le lire en ligne. Certains manuels sont très volumineux, et le temps de chargement dépend de la vitesse de votre connexion Internet.

Autres modèles de chauffages Stiebel Eltron