Sanremo SRPCB13A716L03 - Manuel d'utilisation

Sanremo SRPCB13A716L03

Machine à café Sanremo SRPCB13A716L03 - Manuel d'utilisation, à lire gratuitement en ligne au format PDF. Nous espérons que cela vous aidera à résoudre toutes les questions que vous pourriez avoir. Si vous avez encore des questions, contactez-nous via le formulaire de contact.

1 Page 1
2 Page 2
3 Page 3
4 Page 4
5 Page 5
6 Page 6
7 Page 7
8 Page 8
9 Page 9
10 Page 10
11 Page 11
12 Page 12
13 Page 13
14 Page 14
15 Page 15
16 Page 16
17 Page 17
18 Page 18
19 Page 19
20 Page 20
21 Page 21
22 Page 22
23 Page 23
24 Page 24
25 Page 25
26 Page 26
27 Page 27
28 Page 28
29 Page 29
30 Page 30
31 Page 31
Page: / 31

Table des matières:

  • Page 4 – Index général; INDEX GÉNÉRAL
  • Page 5 – Normes et avertissements généraux; NORMES ET AVERTISSEMENTS GÉNÉRAUX; NORMES ET AVERTISSEMENTS; AVERTISSEMENTS GÉNÉRAUX
  • Page 7 – - LA MACHINE ET SES DISPOSITIFS DE
  • Page 9 – Dispositifs de sécurité
  • Page 10 – Description de la machine - données techniques; DESCRIPTION DE LA MACHINE - DONNÉES
  • Page 13 – Transport, déballage et composants; TRANSPORT, DÉBALLAGE ET COMPOSANTS
  • Page 17 – Mise en service
  • Page 19 – Utilisation de la machine; UTILISATION DE LA MACHINE
  • Page 24 – Dysfonctionnement : causes et solutions; DYSFONCTIONNEMENT : CAUSES ET
  • Page 26 – Mise hors service, vérifications et contrôles; MISE HORS SERVICE, VÉRIFICATIONS ET
  • Page 27 – Nettoyage; NETTOYAGE
  • Page 29 – Assistance et démantèlement; ASSISTANCE ET DÉMANTÈLEMENT
Téléchargement du manuel

CUBE V

CUBE R

Libretto Istruzioni

Italiano

(Istruzioni originali)

Instruction Booklet

English

(Original instructions)

Livret d'instructions

Français

(Instructions originales)

Gebrauchsanleitung

Deutsch

(Originalanleitung)

Manual de instrucciones

Español

(Instrucciones originales)

„Téléchargement du manuel“ signifie que vous devez attendre que le fichier soit complètement chargé avant de pouvoir le lire en ligne. Certains manuels sont très volumineux, et le temps de chargement dépend de la vitesse de votre connexion Internet.

Résumé

Page 4 - Index général; INDEX GÉNÉRAL

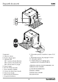
CUBE Index général 57 INDEX GÉNÉRAL 1 NORMES ET AVERTISSEMENTS GÉNÉRAUX ........................... 58 2 DISPOSITIFS DE SÉCURITÉ .................................................... 62 3 DESCRIPTION DE LA MACHINE ............................................ 63 4 DÉBALLAGE ET POSITIONNEMENT ............

Page 5 - Normes et avertissements généraux; NORMES ET AVERTISSEMENTS GÉNÉRAUX; NORMES ET AVERTISSEMENTS; AVERTISSEMENTS GÉNÉRAUX

CUBE Normes et avertissements généraux 58 NORMES ET AVERTISSEMENTS GÉNÉRAUX 1 NORMES ET AVERTISSEMENTS GÉNÉRAUX 1.1 AVERTISSEMENTS GÉNÉRAUX - CE LIVRET D’UTILISATION FAIT PARTIE INTÉGRANTE DE LA MACHINE ET DOIT ÊTRE CONSERVÉ ATTENTIVEMENT POUR TOUTE CONSULTATION FUTURE. IL PEUT ÊTRE TÉLÉCHARGÉ EN SE...

Page 7 - - LA MACHINE ET SES DISPOSITIFS DE

CUBE Normes et avertissements généraux 60 1.2 NORMES DE RÉFÉRENCE - LA MACHINE ET SES DISPOSITIFS DE SÉCURITÉ ONT ÉTÉ FABRIQUÉS EN CONFORMITÉ AVEC LES NORMES INDIQUÉES DANS LA DÉCLARATION DE CONFORMITÉ. 1.3 DESCRIPTION DES SYMBOLES - POUR ÉVITER DES ACCIDENTS, LIRE, COMPRENDRE ET RESPECTER TOUTES LE...

Autres modèles de machines à café Sanremo