Ryobi AP1305 - Manuel d'utilisation

Ryobi AP1305

Raboteuse électrique Ryobi AP1305 - Manuel d'utilisation, à lire gratuitement en ligne au format PDF. Nous espérons que cela vous aidera à résoudre toutes les questions que vous pourriez avoir. Si vous avez encore des questions, contactez-nous via le formulaire de contact.

1 Page 1
2 Page 2
3 Page 3
4 Page 4
5 Page 5
6 Page 6
7 Page 7
8 Page 8
9 Page 9
10 Page 10
11 Page 11
12 Page 12
13 Page 13
14 Page 14
15 Page 15
16 Page 16
17 Page 17
18 Page 18
19 Page 19
20 Page 20
21 Page 21
22 Page 22
23 Page 23
24 Page 24
Page: / 24

Table des matières:

  • Page 2 – RÈGLES DE SÉCURITÉ GÉNÉRALES; LIRE TOUTES LES INSTRUCTIONS
  • Page 4 – RÈGLES DE SÉCURITÉ PARTICULIÈRES; ARRÊTER LA MACHINE
  • Page 5 – SYMBOLES
  • Page 6 – CARACTÉRISTIQUES ÉLECTRIQUES; CORDONS PROLONGATEURS; Longueur; CONNEXION ÉLECTRIQUE; VITESSE ET CÂBLAGE
  • Page 7 – PROTECTION DU MOTEUR; ’ARRÊT
  • Page 8 – GLOSSAIRE
  • Page 9 – CARACTÉRISTIQUES; ARRÊT
  • Page 10 – OUTILS NÉCESSAIRES; ASSEMBLAGE
  • Page 11 – Montage de la raboteuse sur un établi.; MISE À NIVEAU DES RALLONGES
  • Page 12 – UTILISATION; RECTIFICATION D’ÉPAISSEUR
  • Page 13 – APOUR ÉVITER LES ENTAMES; POUR METTRE LA RABOTEUSE EN MARCHE :; RABOTAGE
  • Page 14 – MARCHE
  • Page 15 – RÉGLAGE DE L’ÉCHELLE D’ÉPAISSEUR; RÉGLAGES
  • Page 16 – ENTRETIEN
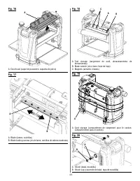
  • Page 17 – REMPLACEMENT DES BALAIS; NOTE : ILLUSTRATIONS COMMENÇANT
  • Page 18 – RECHERCHE DE PANNES; PROBLÈME
Téléchargement du manuel

TABLE OF CONTENTS

****************

General Safety Rules ....................... 2-3

Specific Safety Rules ...................... 3-4

Symbols ...............................................5

Electrical .......................................... 6-7

Glossary of Terms ................................8

Features ...............................................9

Assembly ..................................... 10-11

Operation ..................................... 12-14

Adjustments ......................................15

Maintenance ................................ 16-17

Troubleshooting .................................18

Parts Ordering / Service ...... Back Page

TABLE DES MATIÈRES

****************

Règles de sécurité générales .......... 2-3

Règles de sécurité particulières ...... 3-4

Symboles .............................................5

Caractéristiques électriques ............ 6-7

Glossaire ..............................................8

Caractéristiques ..................................9

Assemblage ................................. 10-11

Utilisation ..................................... 12-14

Réglages ............................................15

Entretien ...................................... 16-17

Dépannage ........................................18

Commande de pièces /

réparation .......................... Page arrière

ÍNDICE DE CONTENIDO

****************

Reglas de seguridad generales ....... 2-3

Reglas de seguridad específicas .... 3-4

Símbolos .............................................5

Aspectos eléctricos ......................... 6-7

Glosario de términos ...........................8

Características ....................................9

Armado ........................................ 10-11

Funcionamiento ........................... 12-14

Ajustes ...............................................15

Mantenimiento ............................. 16-17

Corrección de problemas ..................18

Pedidos de piezas /

servicio ........................... Pág. posterior

OPERATOR’S MANUAL

MANUEL D’UTILISATION
MANUAL DEL OPERADOR

12-1/2 in. THICKNESS PLANER

PLANEUSE À RABOTAGE
DE 317,5 mm (12-1/2 po)
CEPILLO REGRUESADOR
DE 317,5 mm (12-1/2 pulg.)

AP1305

WARNING:

To reduce the

risk of injury, the user must read and

understand the operator’s manual

before using this product.

SAVE THIS MANUAL FOR

FUTURE REFERENCE

ADVERTENCIA:

Para reducir

el riesgo de lesiones, el usuario debe leer
y comprender el manual del operador
antes de usar este producto.

AVERTISSEMENT :

Pour

réduire les risques de blessures,

l’utilisateur doit lire et veiller à bien

comprendre le manuel d’utilisation avant

d’employer ce produit.

GUARDE ESTE MANUAL

PARA FUTURAS CONSULTAS

CONSERVER CE MANUEL

POUR FUTURE RÉFÉRENCE

„Téléchargement du manuel“ signifie que vous devez attendre que le fichier soit complètement chargé avant de pouvoir le lire en ligne. Certains manuels sont très volumineux, et le temps de chargement dépend de la vitesse de votre connexion Internet.

Résumé

Page 2 - RÈGLES DE SÉCURITÉ GÉNÉRALES; LIRE TOUTES LES INSTRUCTIONS

Page 2 — Français RÈGLES DE SÉCURITÉ GÉNÉRALES AVERTISSEMENT : Lire attentivement toutes les instructions. Le non- respect de toutes les instructions ci-dessous peut entraîner un choc électrique, un incendie et/ou des blessures graves. LIRE TOUTES LES INSTRUCTIONS  V E I L L E R À B I E N C O N N A...

Page 4 - RÈGLES DE SÉCURITÉ PARTICULIÈRES; ARRÊTER LA MACHINE

Page 4 — Français RÈGLES DE SÉCURITÉ PARTICULIÈRES  NE JAMAIS INTRODUIRE UNE PLANCHE par l’arrière de l’appareil.  NE PAS ESSAYER D’EXÉCUTER un travail complexe ou inhabituel sans l’aide de gabarits, fixations, butées et autres accessoires de même nature robustes et appropriés.  NE JAMAIS raboter...

Page 5 - SYMBOLES

Page 5 — Français SYMBOLES Les termes de mise en garde suivants et leur signification ont pour but d’expliquer le degré de risques associé à l’utilisation de ce produit. SYMBOLE SIGNAL SIGNIFICATION DANGER : Indique une situation dangereuse qui, si elle n’est pas évitée, aura pour conséquences des b...

Autres modèles de raboteuses électriques Ryobi