Ridgid R350RHF-R350PNF - Manuel d'utilisation

Ridgid R350RHF-R350PNF

Cloueur Ridgid R350RHF-R350PNF - Manuel d'utilisation, à lire gratuitement en ligne au format PDF. Nous espérons que cela vous aidera à résoudre toutes les questions que vous pourriez avoir. Si vous avez encore des questions, contactez-nous via le formulaire de contact.

1 Page 1
2 Page 2
3 Page 3
4 Page 4
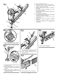
5 Page 5
6 Page 6
7 Page 7
8 Page 8
9 Page 9
10 Page 10
11 Page 11
12 Page 12
13 Page 13
14 Page 14
15 Page 15
16 Page 16
17 Page 17
18 Page 18
Page: / 18

Table des matières:

  • Page 2 – RÈGLES DE SÉCURITÉ GÉNÉRALES; SÉCURITÉ PERSONNELLE
  • Page 3 – UTILISATION
  • Page 4 – RÈGLES DE SÉCURITÉ PARTICULIÈRES; ALIMENTATION ET CONNEXIONS; CHARGEMENT DE L’OUTIL
  • Page 5 – SYMBOLES; PROPOSITION 65 DE L'ÉTAT DE CALIFORNIE
  • Page 6 – GLOSSAIRE; CARACTÉRISTIQUES; FICHE TECHNIQUE
  • Page 8 – PRÉPARATION DE L’OUTIL POUR LE; COUSSINET DE PROTECTION
  • Page 9 – CHARGEMENT DES CLOUS
  • Page 10 – UTILISATION DE LA GÂCHETTE À SÉLECTEUR; DÉCLENCHEMENT PAR SÉQUENCE UNIQUE
  • Page 11 – ENFONCER LES CLOUS À ANGLE; DÉBLOCAGE D’UN CLOU
  • Page 12 – ENTRETIEN; PRESSION ET VOLUME D’AIR; ENTRETIEN GÉNÉRAL
  • Page 13 – ACCESSOIRES
  • Page 14 – PROBLÈME; Ce produit est accompagné d’une politique de satisfaction de 90
  • Page 18 – OPERATOR’S MANUAL; CLOUEUSE DE CHARPENTIER À TÊTE RONDE; Información sobre servicio al consumidor:
Téléchargement du manuel

OPERATOR’S MANUAL

MANUEL D’UTILISATION

MANUAL DEL OPERADOR

FULL ROUND HEAD FRAMING NAILER

CLOUEUSE DE CHARPENTIER À TÊTE RONDE

CLAVADORA DE ENTRAMAR PARA CLAVOS DE CABEZA

REDONDA NORMAL

R350RHF

To register your RIDGID

product, please visit:

http://register.RIDGID.com

Pour enregistrer votre

produit de RIDGID,

s’il vous plaît la visite :

http://register.RIDGID.com

Para registrar su producto

de RIDGID, por favor visita:

http://register.RIDGID.com

TABLE OF CONTENTS

****************

General Safety Rules .......................... 2
Specific Safety Rules ......................3-4

Symbols .............................................. 5

Glossary of Terms ............................6-7
Features .............................................. 7
Assembly ............................................ 7
Operation .......................................8-11
Maintenance ................................12-13
Accessories ...................................... 13
Troubleshooting ................................ 14
Illustrations ..................................15-17
Parts Ordering and

Service ................................Back page

TABLE DES MATIÈRES

****************

Règles de sécurité générales ..........2-3
Règles de sécurité particulières ......3-4

Symboles ............................................ 5

Glossaire ............................................. 6
Caractéristiques .............................6-7
Assemblage ........................................ 7
Utilisation .......................................8-11
Entretien ......................................12-13
Accessoires ...................................... 13
Dépannage ....................................... 14
Illustrations ..................................15-17
Commande de pièces et

dépannage ........................Page arrière

ÍNDICE DE CONTENIDO

****************

Reglas de seguridad generales ..... 2-3
Reglas de seguridad específicas ... 3-4

Símbolos ............................................5

Glosario de términos .........................6
Características ............................... 6-7
Armado ..............................................8
Funcionamiento ........................... 8-12
Mantenimiento ........................... 12-13
Accesorios .......................................13
Solución de problemas ....................14
Ilustraciones .............................. 15-17
Pedidos de piezas y

servicio ......................... Pág. posterior

WARNING:

To reduce the risk of injury, the
user must read and understand
the operator’s manual before
using this product.

AVERTISSEMENT

:

Pour réduire les risques de

blessures, l’utilisateur doit lire

et veiller à bien comprendre

le manuel d’utilisation avant

d’utiliser ce produit.

ADVERTENCIA:

P a r a re d u c i r e l r i e s g o d e

lesiones, el usuario debe leer

y comprender el manual del

operador antes de usar este

producto.

SAVE THIS MANUAL FOR

FUTURE REFERENCE

CONSERVER CE MANUEL

POUR FUTURE RÉFÉRENCE

GUARDE ESTE MANUAL

PARA FUTURAS CONSULTAS

„Téléchargement du manuel“ signifie que vous devez attendre que le fichier soit complètement chargé avant de pouvoir le lire en ligne. Certains manuels sont très volumineux, et le temps de chargement dépend de la vitesse de votre connexion Internet.

Résumé

Page 2 - RÈGLES DE SÉCURITÉ GÉNÉRALES; SÉCURITÉ PERSONNELLE

2 – Français RÈGLES DE SÉCURITÉ GÉNÉRALES DANGER : LIRE ET VEILLER À BIEN COMPRENDRE LES AUTOCOLLANTS APPOSÉS SUR L’OUTIL ET LE MANUEL. Le non respect de cet avertissement pourrait entraîner des BLESSURES GRAVES ou MORTELLES. CONSERVER CES INSTRUCTIONSLIEU DE TRAVAIL Garder le lieu de travail propre...

Page 3 - UTILISATION

3 – Français RÈGLES DE SÉCURITÉ GÉNÉRALES Peut ne pas convenir aux outils pneumatiques. Lire attentivement le manuel d’utilisation. Apprendre les applications et les limites de l’outil, ainsi que les risques spécifiques relatifs à son utilisation. Le respect de cette règle réduira les risques d’ince...

Page 4 - RÈGLES DE SÉCURITÉ PARTICULIÈRES; ALIMENTATION ET CONNEXIONS; CHARGEMENT DE L’OUTIL

4 – Français RÈGLES DE SÉCURITÉ PARTICULIÈRES N’actionner l’outil que pour planter un clou dans la pièce à assujettir. Toujours s’assurer que la surface de contact est exactement positionnée sur la pièce à clouer. Un positionnement seulement partiel de la surface de contact sur la pièce à clouer peu...

Autres modèles de cloueurs Ridgid

Tous les cloueurs Ridgid