RELIABLE 170GC - Manuel d'utilisation

RELIABLE 170GC

Vaporisateur RELIABLE 170GC - Manuel d'utilisation, à lire gratuitement en ligne au format PDF. Nous espérons que cela vous aidera à résoudre toutes les questions que vous pourriez avoir. Si vous avez encore des questions, contactez-nous via le formulaire de contact.

1 Page 1
2 Page 2
3 Page 3
4 Page 4
5 Page 5
6 Page 6
7 Page 7
8 Page 8
9 Page 9
10 Page 10
11 Page 11
12 Page 12
13 Page 13
14 Page 14
15 Page 15
16 Page 16
17 Page 17
18 Page 18
19 Page 19
20 Page 20
21 Page 21
22 Page 22
Page: / 22

Table des matières:

  • Page 9 – Merci d’avoir acheté un centrale vapeur Reliable; Vivio 1; IMPORTANTES CONSIGNES DE SÉCURITÉ
  • Page 10 – CARACTÉRISTIQUES ET PERFORMANCE; COMMENT DÉFROISSER
  • Page 11 – MODE D’EMPLOI
  • Page 12 – DÉPANNAGE
Téléchargement du manuel

PROFESSIONAL GARMENT STEAMERS

CENTRALES VAPEUR PROFESSIONNELLES

VAPORIZADOR DE PRENDAS PROFESSIONAL

INSTRUCTION MANUAL

GUIDE D’UTILISATION

MANUAL DE INSTRUCCIONES

VIVIo

SERIES

„Téléchargement du manuel“ signifie que vous devez attendre que le fichier soit complètement chargé avant de pouvoir le lire en ligne. Certains manuels sont très volumineux, et le temps de chargement dépend de la vitesse de votre connexion Internet.

Résumé

Page 9 - Merci d’avoir acheté un centrale vapeur Reliable; Vivio 1; IMPORTANTES CONSIGNES DE SÉCURITÉ

14 Merci d’avoir acheté un centrale vapeur Reliable MC Vivio 1 2 0GC/Vivio 1 7 0GC. Veuillez suivre les consignes suivantes attentivement. Prenez bien soin de votre défroisseur et de son entretien a in de lui assurer plusieurs années de service iable. IMPORTANTES CONSIGNES DE SÉCURITÉ Votre défroiss...

Page 10 - CARACTÉRISTIQUES ET PERFORMANCE; COMMENT DÉFROISSER

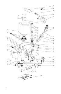
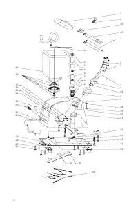
15 CARACTÉRISTIQUES ET PERFORMANCE • Capacité d’eau – 3.8 litres (1 Gal)• Élément chauffant durable en laiton• Tuyau à vapeur Super-flex MC • Bac d’eau restant bien en place• Aucun besoin de vider l’appareil après chaque usage• Arrêt automatique de sécurité avec fusible thermique• Se range verticale...

Page 11 - MODE D’EMPLOI

COMMENT DÉFROISSER CONTINUÉ... 6. Certains vêtements semblent mieux se défroisser à partir de l’intérieur. 7. Les magasins de vêtements reconnaissent les bénéfices d’avoir un défroisseur à portée de la main pour les dernières retouches offrant une présentation par-faite à tous leurs vêtements. Bien ...

Autres modèles de vaporisateurs RELIABLE