PowerSmart PSS2260BS - Manuel d'utilisation

PowerSmart PSS2260BS

Souffleuse à neige PowerSmart PSS2260BS - Manuel d'utilisation, à lire gratuitement en ligne au format PDF. Nous espérons que cela vous aidera à résoudre toutes les questions que vous pourriez avoir. Si vous avez encore des questions, contactez-nous via le formulaire de contact.

1 Page 1
2 Page 2
3 Page 3
4 Page 4
5 Page 5
6 Page 6
7 Page 7
8 Page 8
9 Page 9
10 Page 10
11 Page 11
12 Page 12
13 Page 13
14 Page 14
15 Page 15
16 Page 16
17 Page 17
18 Page 18
19 Page 19
20 Page 20
21 Page 21
22 Page 22
23 Page 23
24 Page 24
25 Page 25
26 Page 26
27 Page 27
28 Page 28
29 Page 29
30 Page 30
31 Page 31
32 Page 32
33 Page 33
34 Page 34
Page: / 34

Table des matières:

  • Page 4 – à neige; à neige; Rotation de La Chute:; Merci d’acheter les produits de Power Smart.
  • Page 5 – Le droit de modifier ce produit et les spécifications; put; CONSIGNES DE SÉCURITÉ; écurité
  • Page 6 – Agissez avec prudence afin d’; Sécurité personnelle
  • Page 7 – Utiliser seulement un conteneur de l'essence approuvé.; Laissez le monteur fonctionner pendant deux minutes avant; Maintenez le gicleur en contact avec le bord du reservoir; Utilisation
  • Page 8 – ENTRETIEN ET REMISAGE
  • Page 9 – CONNAISSANT DE VOTRE SOUFFLEUSE À NEIGE
  • Page 10 – Le; sur la base des états de surface; Roues
  • Page 11 – Fonctionnement à une main; PRÉPARATION DE LA SOUFFLEUSE À NEIGE; RECOMMANDATIONS D'HUILE MOTEUR
  • Page 14 – FONCTIONNEMENT DE LA SOUFFLEUSE À NEIGE; DÉMARRAGE MANUEL DU MOTEUR; Pour démarrer manuellement le moteur, procédez comme suit :; Déneigement; Alors que la neige peut
  • Page 15 – ARRÊT; RESTRICTIONS DE NETTOYAGE; REMARQUE; ENTRETIEN; PROCÉDURES D'ENTRETIEN GONFLER LES PNEUS
  • Page 16 – des blessures graves.; REMPLACEMENT DE RACLOIR; A TARIERE OU LA TURBINE SE COINCE; ATTENTION
  • Page 17 – Dépannage
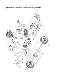
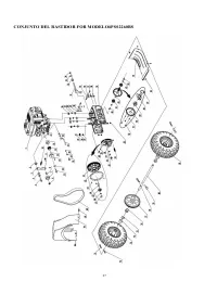
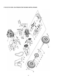
  • Page 20 – VUE ÉCLATÉE ET LISTE DES PIECES; CONTENUE DU COMITÉ
  • Page 21 – CONTENUE DE LA CHUTE
  • Page 27 – IL FAUT BIEN GARDER VOS REÇUS
Téléchargement du manuel

18

FRAME ASSEMBLY FOR MODEL#PSSAM24BS

„Téléchargement du manuel“ signifie que vous devez attendre que le fichier soit complètement chargé avant de pouvoir le lire en ligne. Certains manuels sont très volumineux, et le temps de chargement dépend de la vitesse de votre connexion Internet.

Résumé

Page 4 - à neige; à neige; Rotation de La Chute:; Merci d’acheter les produits de Power Smart.

24 TABLE DES MATIÈRES Données techniques.......................................................................................................24Introduction................................................................................................................... 25Consignes de Sécurité.......

Page 5 - Le droit de modifier ce produit et les spécifications; put; CONSIGNES DE SÉCURITÉ; écurité

25 INTRODUCTION Merci d’acheter les produits de Power Smart ® . Ce manuel fournit des informations concernant le fonctionnement et l’entretien de cette machine. En ce qui conerne les manuels actuellement disponiblespour votre modèle. Le droit de modifier ce produit et les spécifications reserves au ...

Page 6 - Agissez avec prudence afin d’; Sécurité personnelle

26 La Formation Vous devez lire, comprendre et suivre toutes les instructions et les consignes de s écurité de ce manuel avant d’essayer d’installer et d’utilise votre souffleuse à neige. Bien gardez ce manuel pour aussi attirerl’attention sur les dommages du générateur ainsi que servir à service de...