Page 9 - Manuel d’utilisation et liste des pièces; Ponceuse à tambour; Powermatic
1 Manuel d’utilisation et liste des pièces Ponceuse à tambour Modèle PM2244 Pour le numéro de série 180622441282 et plus Powermatic 427 New Sanford Road Réf. M-1792244 La Vergne, Tennessee 37086, États-Unis Édition 2 03/2018 Tél.: +1-800-274-6848 ECR 18032618018 www.powermatic.com Tous droits réserv...
Page 10 - CONSIGNES
2 1.0 CONSIGNES IMPORTANTES DE SÉCURITÉ AVERTISSEMENT – Pour réduire le risque de blessure : 1. Lire attentivement le guide d’utilisation dans son ensemble avant de commencer à monter et à utiliser la machine. 2. Lire attentivement les mises en garde sur la machine et dans le présent manuel. Il exis...
Page 11 - CONSERVEZ CES INSTRUCTIONS; À propos du présent manuel
3 28. Mettre la machine hors tension avant de la nettoyer. Se servir d’une brosse ou d’air comprimé pour retirer les copeaux ou autres débris (ne pas le faire à mains nues). 29. Ne pas s’appuyer sur la machine. Vous risquez de graves blessures en cas de basculement de la machine. 30. Ne pas laisser ...
Page 12 - Table des matières
4 3.0 Table des matières Section Page 1.0 CONSIGNES IMPORTANTES DE SÉCURITÉ ......................................................................................................................... 2 2.0 À propos du présent manuel ........................................................................
Page 13 - Spécifications
5 4.0 Spécifications Numéro de modèle................................................................................................................................................................... PM2244 Numéro de référence du matériel................................................................
Page 14 - Préparation et montage; Contenu du conditionnement expédié; Outils nécessaires pour le montage; Déballage et nettoyage
6 Les spécifications fournies dans le présent manuel étaient valables au moment de la publication, mais du fait de sa politique d’amélioration perpétuelle, Powermatic se réserve le droit de modifier ces spécifications à tout moment sans en avertir au préalable l’utilisateur, et sans aucune autre obl...
Page 15 - Volant; Tables d’entrée et de sortie; Dispositifs de blocage des roulettes; Aspiration de la poussière; Installation des matériaux abrasifs
7 2. Retirer toutes vis ou blocs fixant la ponceuse à la palette. Faire glisser doucement la ponceuse hors de la palette (NOTA : La palette contient des blocs internes qui fixent la ponceuse : Soulever légèrement la ponceuse par un des côtés afin d’enlever ces blocs tout en la faisant glisser hors d...
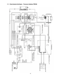
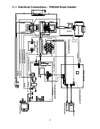
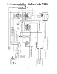
Page 16 - Branchements électriques; CONSIGNES DE MISE À LA TERRE
8 4. Continuer à enrouler l’abrasif en spirale en faisant tourner le tambour d’une main tout en guidant la bande de l’autre. Voir Figure 6. Il ne doit pas y avoir plusieurs couches de bandes superposées lors de l’enroulement . Les bandes doivent se toucher entre elles. Un léger espace est toutefois ...
Page 18 - Réglage du centrage; Dispositifs de centrage; Contrôle de l’alignement du tambour
10 NOTA : Toute tension insuffisante de la courroie entraînera un glissement de la courroie du convoyeur sur le rouleau d’entraînement lors de l’opération de ponçage. S’il est possible d’arrêter la courroie du convoyeur alors qu’elle est en fonctionnement en mettant simplement la main dessus, alors ...
Page 19 - Vérification de l’alignement du tambour; Réglage du rouleau tendeur; Armoire de stockage
11 7.4.1 Vérification de l’alignement du tambour Nota : Il s’agit d’un test opérationnel. N’effectuez cette procédure que si vous avez l’habitude d’utilisez une ponceuse. Lorsque les plateaux de ponçage sont plus larges que le tambour, cela signifie que l’alignement de la table est critique et que l...
Page 21 - Arrêt d’urgence; Choix de la vitesse du convoyeur
13 Si vous tournez le volant pour abaisser le tambour en dessous du niveau zéro, un signe négatif apparaîtra avant le chiffre (K) indiquant la profondeur. NOTA : La hauteur du tambour sera conservée dans la mémoire du tableau de commande si vous appuyez sur le bouton d’arrêt d’urgence. La hauteur du...
Page 23 - Nettoyage et lubrification
15 imposées au moteur. Notez toutefois que pour obtenir la finition parfaite, la pièce de bois doit être insérée dans la machine de sorte à ce qu’elle soit poncée en fonction du grain du bois lors du ou des deux derniers passages. 9.0 Maintenance Avant de procéder à la maintenance de la machine, déb...
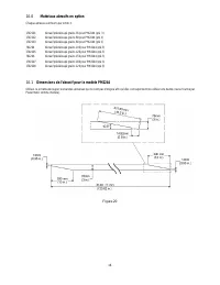
Page 24 - Matériaux abrasifs en option; Dimensions de l’abrasif pour le modèle PM2244
16 10.0 Matériaux abrasifs en option Chaque abrasive est fourni par lot de 3. 1792201 Abrasif prédécoupé grains 36 pour PM2244 (qté 3) 1792202 Abrasif prédécoupé grains 60 pour PM2244 (qté 3) 1792203 Abrasif prédécoupé grains 80 pour PM2244 (qté 3) 792204 Abrasif prédécoupé grains 100 pour PM2244 (q...
Page 25 - Kit de centrage
17 11.0 Kit de centrage N° de référence du matériel : PM2244-213 Les dispositifs de centrage réduisent considérablement les réglages du centrage des courroies. Ils sont déjà installés sur votre ponceuse. Les informations suivantes vous permettront de les rerégler ou de les remplacer, si nécessaire. ...
Page 26 - Nettoyage des bandes abrasives; Augmentation de la durée de vie de l’abrasif
18 12.0 Abrasifs Le matériau abrasif sélectionné aura un impact sur les performances de votre ponceuse. Utiliser différents types de papier, de poids, de revêtement et de durabilité différente vous aidera à atteindre la finition souhaitée. 12.1 Choix des abrasifs pour le tambour Il est important de ...
Page 27 - Dépannage de la ponceuse à tambour PM2244; Pièces de rechange
19 13.0 Dépannage de la ponceuse à tambour PM2244 Symptômes Cause possible Mesures correctives * Le moteur du tambour ne démarre pas lorsque vous appuyez sur le bouton ON. Absence de courant entrant. Vérifiez les branchements au niveau de la prise ou du tableau du circuit. La clé de sécurité n’est p...
Page 31 - Ensemble tête de la ponceuse PM2244 –Liste des pièces
23 14.1.4 Ensemble tête de la ponceuse PM2244 –Liste des pièces Nota : Il se peut que certaines pièces soient mentionnées uniquement à titre de référence et qu’elles ne soient pas disponibles individuellement. N° de repère Réf Désignation Taille Qté 1 ...................... PM2244-101..................
Page 38 - Garantie et entretien
30 16.1 Garantie et entretien Powermatic garantit chaque produit vendu contre les défauts de fabrication. Si l’un de nos produits nécessite un entretien ou une réparation, merci de contacter le Service Technique en appelant au numéro suivant : +1-800-274-6846, de 8h00 à 17h00 CST (heure normale du c...