Porter-Cable PXCMPC1682066 - Manuel d'utilisation

Porter-Cable PXCMPC1682066

Compresseur Porter-Cable PXCMPC1682066 - Manuel d'utilisation, à lire gratuitement en ligne au format PDF. Nous espérons que cela vous aidera à résoudre toutes les questions que vous pourriez avoir. Si vous avez encore des questions, contactez-nous via le formulaire de contact.

1 Page 1
2 Page 2
3 Page 3
4 Page 4
5 Page 5
6 Page 6
7 Page 7
8 Page 8
9 Page 9
10 Page 10
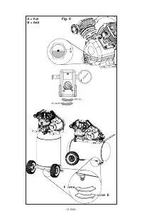
11 Page 11
12 Page 12
13 Page 13
14 Page 14
15 Page 15
16 Page 16
17 Page 17
18 Page 18
19 Page 19
20 Page 20
21 Page 21
22 Page 22
23 Page 23
24 Page 24
25 Page 25
26 Page 26
27 Page 27
28 Page 28
29 Page 29
30 Page 30
31 Page 31
32 Page 32
33 Page 33
34 Page 34
35 Page 35
36 Page 36
37 Page 37
38 Page 38
Page: / 38

Table des matières:

  • Page 5 – FREE WARNING LABEL REPLACEMENT:; If your warning labels become illeg-
  • Page 6 – AVERTISSEMENT
  • Page 8 – ÉLÉMENTS DE BASE DE COMPRESSEUR D'AIR; réservoir; TABLEAU DES SPÉCIFICATIONS
  • Page 9 – ASSEMBLAGE DU COMPRESSEUR; ARRET; Le; sortie d’air
  • Page 10 – COMMANDES DU COMPRESSEUR; pas le compresseur et avant de le débrancher.; Ne dépassez jamais la pression maximum; pression et dans le sens inverse pour la réduire.
  • Page 11 – SPÉCIFICATIONS DE L'ALIMENTATION ÉLECTRIQUE; CÂBLAGE ÉLECTIQUE; référez-vous à l’étiquette du numéro de série du compresseur d’air.; RALLONGES; Évitez d’utiliser des rallonges. Pour obtenir un rendement; INSTRUCTIONS DE MISE À LA TERRE; électrique peut s’échapper.
  • Page 12 – REMISE EN MARCHE ET CABLAGE DU MOTEUR
  • Page 13 – RODAGE DE LA POMPE; Remplissez la pompe jusqu’au niveau correct et vérifiez souvent
  • Page 15 – MISE EN MARCHE QUOTIDIENNE; La pompe et le moteur électrique; ARRÊT; L’air et l’humidité qui s’échappent
  • Page 16 – ENTRETIEN; VÉRIFICATION DU NIVEAU D'HUILE; Huile synthétique mélangée non détergente pour compresseur
  • Page 17 – TENSION DE LA COURROIE ET ALIGNMENT DE LA POULIE; Pour écarter les risques de blessures, arrêtez et; RÉGLAGE DE LA TENSION DE LA COURROIE
  • Page 18 – ALIGNEMENT DE LA POULIE
  • Page 19 – NETTOYAGE DU FILTRE À AIR; composant défectueux. Ne serrez pas trop.; ENTREPOSAGE
  • Page 20 – DÉPANNAGE; PROBLÈME
  • Page 21 – Surchauffe
  • Page 22 – GLOSSAIRE DES TERMES
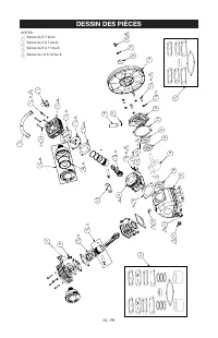
  • Page 23 – DESSIN DES PIÈCES; Réservoir horizontal
  • Page 28 – GARANTIE LIMITÉE
  • Page 29 – Pièces achetées séparément :
  • Page 30 – Comment obtenir du service?
  • Page 31 – REMPLACEMENT GRATUIT DES ÉTIQUETTES D’AVERTISSEMENT :; si les
  • Page 32 – PIÈCES ET RÉPARATIONS; SERVICE CLIENTÈ
  • Page 35 – eléctricos una vez que estén instalados.; ¿Cómo puede obtener servicio?; Con el fin de ser elegible para obtener servi-; REEMPLAZO GRATUITO DE LAS ETIQUETAS DE ADVERTENCIA:; Si sus
Téléchargement du manuel

2- ENG

TABLE OF CONTENTS

TABLE DES MATIÈRES

INDICE

SAFETY GUIDELINES .................................... 3-6
SPECIFICATION CHART ....................................6
OVERVIEW .........................................................6

Basic Air Compressor Components .............6

ASSEMBLY .........................................................7

Assembling the Compressor ........................7

COMPRESSOR CONTROLS ..............................8
ELECTRICAL POWER REQUIREMENTS ...........9

Electrical Wiring ............................................9

Extension Cords ...........................................9

Grounding Instructions ........................... 9-10

MOTOR ...................................................... 10-11

Motor Reset Switch .............................. 10-11

BREAK-IN OF THE PUMP ................................11
OPERATING INSTRUCTIONS ................... 12-13

Daily Startup ...............................................13

Shutdown....................................................13

MAINTENANCE .......................................... 14-17

Draining the Tank ........................................14

Checking the Oil .........................................14

Changing the Oil .........................................14

Belt Tension ................................................15

Pulley Alignment .........................................16

Cleaning the Air Filter .................................17

Checking the Relief Valve ...........................17

Testing for Leaks .........................................17

Storage .......................................................17
SERVICE INTERVAL .........................................17
TROUBLESHOOTING CHART ................... 18-19
PARTS DRAWINGS AND PARTS LISTS ..... 20-25
WARRANTY ................................................ 26-28
GLOSSARY OF TERMS ...................................29
PARTS AND SERVICE ......................................30

CONSIGNES DE SÉCURITÉ .................. 3, 31-33
TABLEAU DES SPÉCIFICATIONS ....................33
VUE D’ENSEMBLE ..................................... 33-34

Éléments de base du compresseur d’air . 33-34

ASSEMBLAGE..................................................34

Assemblage du compresseur .....................34

COMMANDES DU COMPRESSEUR ...............35
SPÉCIFICATIONS DE L’ALIMENTATION
ÉLECTRIQUES ........................................... 36-37

Câblage électrique ......................................36

Rallonges ....................................................36

Instructions de mise à la terre .............. 36-37

REMISE EN MARCHE ET CÂBLAGE DU
MOTEUR ................................................... 37-38

Interrupteur de remise en marche du

moteur................................................... 37-38
RODAGE DE LA POMPE ..................................38
MODE D’EMPLOI ....................................... 39-40

Mise en marche quotidienne ......................40

Arrêt ............................................................40
ENTRETIEN ................................................ 41-44

Vidange du réservoir ...................................41

Vérification du niveau d’huile ......................41

Vidange d’huile ..................................... 41-42

Tension de la courroie .................................42

Alignement de la poulie ..............................43

Nettoyage du filtre à air ..............................44

Vérification de soupape de décharge .........44

Essai d’étanchéité.......................................44

Entreposage ................................................44
ENTRETIEN PÉRIODIQUE ................................44
DÉPANNAGE .............................................. 45-46
GLOSSAIRE DES TERMES ..............................47
DESSIN DES PIÈCES ET LISTEDE PIÈCES ..48-53
GARANTIE LIMITÉE ................................... 54-57
PIÈCES ET RÉPARATIONS ...............................58

PAUTAS DE SEGURIDAD ....................... 3, 59-61
TABLEAU DES SPÉCIFICATIONS ....................61
RESUMEN GENERAL.......................................61

Componentes básicos del compresor

de aire .........................................................61

MONTAJE ................................................... 62-63

Montaje del compresor ......................... 62-63

CONTROLES DEL COMPRESOR ....................63
REQUERIMIENTOS DE ALIMENTACIÓN
ELÉCTRICA ................................................ 64-65

Cableado eléctrico ......................................64

Cordones prolongadores ............................64

Instrucciones de conexión a tierra........ 64-65

CONVERSIÓN DEL CABLE ELÉCTRICO
MOTOR ...................................................... 64-65

Interruptor de restablecimiento del motor .. 64-65

MARCHA INICIAL DEL BOMBA .......................66
INSTRUCCIONES OPERATIVAS ................ 67-68

Arranque diario ...........................................68

Parada ........................................................68
MANTENIMIENTO ...................................... 69-72

Desagüe del tanque ....................................69

Verificación del nivel de aceite....................69

Cambio de aceite .................................. 69-70

Tensión de la correa ....................................70

Alineación de la polea .................................71

Limpieza del filtro de aire ............................72

Revisión de la válvula de alivio ...................72

Detección de fugas .....................................72

Almacenamiento .........................................72
INTERVALOS DE SERVICIO .............................72
CUADRO DE DETECCIÓN DE FALLOS ..... 73-74
GLOSARIO DE TERMINOS ..............................75
ESQUEMA DE LA PIEZAS Y LISTA DE LAS
PIEZAS ....................................................... 76-81
GARANTÍA LIMITADA ................................. 82-84
REPUESTOS Y SERVICIO ................................85

„Téléchargement du manuel“ signifie que vous devez attendre que le fichier soit complètement chargé avant de pouvoir le lire en ligne. Certains manuels sont très volumineux, et le temps de chargement dépend de la vitesse de votre connexion Internet.

Résumé

Page 5 - FREE WARNING LABEL REPLACEMENT:; If your warning labels become illeg-

28- ENG MERCHANTABILITY AND FITNESS FOR PARTICULAR PURPOSE ARE HEREBY DISCLAIMED. LIABILITY FOR CONSEQUENTIAL AND INCIDENTAL DAMAGES UNDER ANY AND ALL WARRANTIES, OTHER CONTRACTS, NEGLEGENCE, OR OTHER TORTS IS EXCLUDED TO THE EXTENT EXCLUSION IS PERMITTED BY LAW. FREE WARNING LABEL REPLACEMENT: If y...

Page 6 - AVERTISSEMENT

31 - FR 1. RISQUE D'INCENDIE OU D'EXPLOSION. Ne jamais vaporiser de liquides inflammables dans un endroit confiné. Il est normal que le moteur et le manostat produisent des étincelles pendant le fonctionnement. Si les étincelles entrent en contact avec les vapeurs d’essence ou d’autres solvants, ces...

Page 8 - ÉLÉMENTS DE BASE DE COMPRESSEUR D'AIR; réservoir; TABLEAU DES SPÉCIFICATIONS

33 - FR ÉLÉMENTS DE BASE DE COMPRESSEUR D'AIR Les éléments de base du compresseur d’air sont le moteur électrique, la pompe, le manostat et le réservoir (Fig. 1) . Le moteur électrique (A) actionne la pompe. Il est équipé d’un protecteur de surcharge pour ne pas griller. Le protecteur de surcharge a...

Autres modèles de compresseurs Porter-Cable

Tous les compresseurs Porter-Cable