Porter-Cable PXCMLC3706056 - Manuel d'utilisation

Porter-Cable PXCMLC3706056

Compresseur Porter-Cable PXCMLC3706056 - Manuel d'utilisation, à lire gratuitement en ligne au format PDF. Nous espérons que cela vous aidera à résoudre toutes les questions que vous pourriez avoir. Si vous avez encore des questions, contactez-nous via le formulaire de contact.

1 Page 1
2 Page 2
3 Page 3
4 Page 4
5 Page 5
6 Page 6
7 Page 7
8 Page 8
9 Page 9
10 Page 10
11 Page 11
12 Page 12
13 Page 13
14 Page 14
15 Page 15
16 Page 16
17 Page 17
18 Page 18
19 Page 19
20 Page 20
21 Page 21
22 Page 22
23 Page 23
24 Page 24
25 Page 25
26 Page 26
27 Page 27
28 Page 28
29 Page 29
30 Page 30
31 Page 31
32 Page 32
33 Page 33
34 Page 34
35 Page 35
36 Page 36
37 Page 37
Page: / 37
Téléchargement du manuel

2- ENG

TABLE OF CONTENTS

TABLE DES MATIÈRES

INDICE

SAFETY GUIDELINES .................................... 3-6

SPECIFICATION CHART ....................................6

OVERVIEW .........................................................6 .

Basic Air Compressor Components ...................6

ASSEMBLY .........................................................7

Assembling the Compressor ........................7

TYPICAL INSTALLATION ................................ 8-9

COMPRESSOR CONTROLS ............................10

ELECTRICAL POWER REQUIREMENTS .........11

Electrical Wiring ..........................................11

Main Power Panel .......................................11

Main Power Disconnect Switch ..................11

Low Voltage Problems ................................11

Grounding Instructions ...............................11

MOTOR RESET SWITCH .................................12

OPERATING INSTRUCTIONS .................... 12-14

Break-in of the Pump ..................................12

Daily Startup ...............................................14

Shutdown....................................................14

MAINTENANCE .......................................... 15-18

Draining the Tank ........................................15

Checking the Oil .........................................15

Changing the Oil .........................................15

Belt Tension ................................................16

Pulley Alignment .........................................17

Cleaning the Air Filter .................................18

Checking the Relief Valve ...........................18

Testing for Leaks .........................................18

Storage .......................................................18

SERVICE INTERVAL .........................................18

TROUBLESHOOTING CHART ................... 19-20

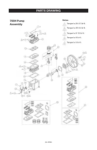
PARTS DRAWINGS AND PARTS LISTS ..... 21-25

WARRANTY ................................................ 26-28

GLOSSARY OF TERMS ...................................29

PARTS AND SERVICE ......................................30

CONSIGNES DE SÉCURITÉ .................. 3, 31-33

TABLEAU DES SPÉCIFICATIONS ....................33

VUE D’ENSEMBLE ...........................................34

Éléments de base du compresseur d’air ....34

ASSEMBLAGE..................................................35

Assemblage du compresseur .....................35

INSTALLATION TYPIQUE ........................... 36-37

COMMANDES DU COMPRESSEUR ...............38

SPÉCIFICATIONS DE L’ALIMENTATION

ÉLECTRIQUES ........................................... 38-39

Câblage électrique ......................................38

Panneau de tension principale ...................39

Sectionneur de tension principale ..............39

Problèmes de tension trop basse ...............39

Instructions pour la mise à la terre .............39

REMISE EN MARCHE ET CÂBLAGE DU

MOTEUR .........................................................40

MODE D’EMPLOI ....................................... 40-44

Rodage de la pompe ..................................40

Mise en marche quotidienne ......................42

Arrêt ............................................................42

ENTRETIEN ................................................ 43-46

Vidange du réservoir ...................................43

Vérification du niveau d’huile ......................43

Vidange d’huile ...........................................43

Tension de la courroie .................................44

Alignement de la poulie ..............................45

Nettoyage du filtre à air ..............................46

Vérification de soupape de décharge .........46

Essai d’étanchéité.......................................46

Entreposage ................................................46

ENTRETIEN PÉRIODIQUE ................................46

DÉPANNAGE .............................................. 47-48

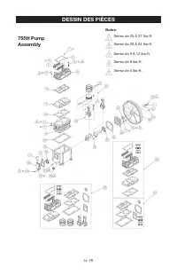
DESSIN DES PIÈCES ET LISTEDE PIÈCES ..49-53

GARANTIE .....................................................54-57

GLOSSAIRE DES TERMES ..............................58

PIÈCES ET RÉPARATIONS ...............................59

PAUTAS DE SEGURIDAD ....................... 3, 60-62

TABLEAU DES SPÉCIFICATIONS ....................62

RESUMEN GENERAL.......................................63

Componentes básicos del compresor

de aire .........................................................63

MONTAJE .........................................................64

Montaje del compresor ...............................64

INSTALACION TIPICA ................................ 65-66

CONTROLES DEL COMPRESOR ....................67

REQUERIMIENTOS DE ALIMENTACIÓN

ELÉCTRICA ......................................................68

Cableado eléctrico ......................................68

Panel principal de alimentación ..................68

Interruptor principal de alimentación ..........68

Problemas causados por bajo voltaje ........68

Instrucciones de puesta a tierra .................68

RESTABLECIMIENTO Y CABLEADO DEL

MOTOR ............................................................69

INSTRUCCIONES OPERATIVAS ................ 69-70

Puesta en marcha inicial de la bomba .. 69-70

Arranque diario ...........................................70

Parada ........................................................70

MANTENIMIENTO ...................................... 72-75

Desagüe del tanque .........................................72

Verificación del nivel de aceite....................72

Cambio de aceite ........................................72

Tensión de la correa ....................................73

Alineación de la polea .................................74

Limpieza del filtro de aire ............................75

Revisión de la válvula de alivio ...................75

Detección de fugas .....................................75

Almacenamiento .........................................75

INTERVALOS DE SERVICIO .............................75

CUADRO DE DETECCIÓN DE FALLOS ..... 76-77

ESQUEMA DE LA PIEZAS Y LISTA DE LAS

PIEZAS ....................................................... 78-82

GARANTÍA .................................................. 83-85

GLOSARIO DE TERMINOS ..............................86

REPUESTOS Y SERVICIO ................................87

„Téléchargement du manuel“ signifie que vous devez attendre que le fichier soit complètement chargé avant de pouvoir le lire en ligne. Certains manuels sont très volumineux, et le temps de chargement dépend de la vitesse de votre connexion Internet.

Autres modèles de compresseurs Porter-Cable

Tous les compresseurs Porter-Cable