Porter-Cable PXCMLC1683066 - Manuel d'utilisation

Porter-Cable PXCMLC1683066

Compresseur Porter-Cable PXCMLC1683066 - Manuel d'utilisation, à lire gratuitement en ligne au format PDF. Nous espérons que cela vous aidera à résoudre toutes les questions que vous pourriez avoir. Si vous avez encore des questions, contactez-nous via le formulaire de contact.

1 Page 1
2 Page 2
3 Page 3
4 Page 4
5 Page 5
6 Page 6
7 Page 7
8 Page 8
9 Page 9
10 Page 10
11 Page 11
12 Page 12
13 Page 13
14 Page 14
15 Page 15
16 Page 16
17 Page 17
18 Page 18
19 Page 19
20 Page 20
21 Page 21
22 Page 22
23 Page 23
24 Page 24
25 Page 25
26 Page 26
27 Page 27
28 Page 28
29 Page 29
30 Page 30
31 Page 31
32 Page 32
33 Page 33
34 Page 34
35 Page 35
36 Page 36
37 Page 37
38 Page 38
39 Page 39
Page: / 39
Téléchargement du manuel

2- ENG

TABLE OF CONTENTS

TABLE DES MATIÈRES

INDICE

SAFETY GUIDELINES .................................... 3-6
SPECIFICATION CHART ....................................6
OVERVIEW .........................................................6

Basic Air Compressor Components .............6

ASSEMBLY .........................................................7

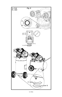
Assembling the Compressor ........................7

COMPRESSOR CONTROLS ..............................8
ELECTRICAL POWER REQUIREMENTS ...........9

Electrical Wiring ............................................9

Extension Cords ...........................................9

Grounding Instructions ........................... 9-10

MOTOR ...................................................... 10-11

Motor Reset Switch .............................. 10-11

BREAK-IN OF THE PUMP ................................11
OPERATING INSTRUCTIONS ................... 12-13

Daily Startup ...............................................13

Shutdown....................................................13

MAINTENANCE .......................................... 14-17

Draining the Tank ........................................14

Checking the Oil .........................................14

Changing the Oil .........................................14

Belt Tension ................................................15

Pulley Alignment .........................................16

Cleaning the Air Filter .................................17

Checking the Relief Valve ...........................17

Testing for Leaks .........................................17

Storage .......................................................17
SERVICE INTERVAL .........................................17
TROUBLESHOOTING CHART ................... 18-19
PARTS DRAWINGS AND PARTS LISTS ..... 20-25
WARRANTY ................................................ 26-28
GLOSSARY OF TERMS ...................................29
PARTS AND SERVICE ......................................30

CONSIGNES DE SÉCURITÉ .................. 3, 31-33
TABLEAU DES SPÉCIFICATIONS ....................33
VUE D’ENSEMBLE ..................................... 33-34

Éléments de base du compresseur d’air . 33-34

ASSEMBLAGE..................................................34

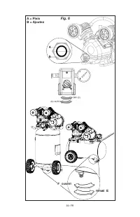
Assemblage du compresseur .....................34

COMMANDES DU COMPRESSEUR ...............35
SPÉCIFICATIONS DE L’ALIMENTATION
ÉLECTRIQUES ........................................... 36-37

Câblage électrique ......................................36

Rallonges ....................................................36

Instructions de mise à la terre .............. 36-37

REMISE EN MARCHE ET CÂBLAGE DU
MOTEUR ................................................... 37-38

Interrupteur de remise en marche du

moteur................................................... 37-38
RODAGE DE LA POMPE ..................................38
MODE D’EMPLOI ....................................... 39-40

Mise en marche quotidienne ......................40

Arrêt ............................................................40
ENTRETIEN ................................................ 41-44

Vidange du réservoir ...................................41

Vérification du niveau d’huile ......................41

Vidange d’huile ..................................... 41-42

Tension de la courroie .................................42

Alignement de la poulie ..............................43

Nettoyage du filtre à air ..............................44

Vérification de soupape de décharge .........44

Essai d’étanchéité.......................................44

Entreposage ................................................44
ENTRETIEN PÉRIODIQUE ................................44
DÉPANNAGE .............................................. 45-46
GLOSSAIRE DES TERMES ..............................47
DESSIN DES PIÈCES ET LISTEDE PIÈCES ..48-53
GARANTIE LIMITÉE ................................... 54-57
PIÈCES ET RÉPARATIONS ...............................58

PAUTAS DE SEGURIDAD ....................... 3, 59-61
TABLEAU DES SPÉCIFICATIONS ....................61
RESUMEN GENERAL.......................................61

Componentes básicos del compresor

de aire .........................................................61

MONTAJE ................................................... 62-63

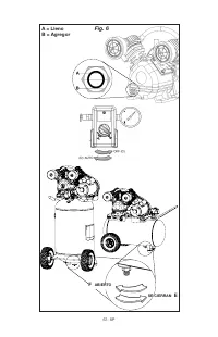
Montaje del compresor ......................... 62-63

CONTROLES DEL COMPRESOR ....................63
REQUERIMIENTOS DE ALIMENTACIÓN
ELÉCTRICA ................................................ 64-65

Cableado eléctrico ......................................64

Cordones prolongadores ............................64

Instrucciones de conexión a tierra........ 64-65

CONVERSIÓN DEL CABLE ELÉCTRICO
MOTOR ...................................................... 64-65

Interruptor de restablecimiento del motor .. 64-65

MARCHA INICIAL DEL BOMBA .......................66
INSTRUCCIONES OPERATIVAS ................ 67-68

Arranque diario ...........................................68

Parada ........................................................68
MANTENIMIENTO ...................................... 69-72

Desagüe del tanque ....................................69

Verificación del nivel de aceite....................69

Cambio de aceite .................................. 69-70

Tensión de la correa ....................................70

Alineación de la polea .................................71

Limpieza del filtro de aire ............................72

Revisión de la válvula de alivio ...................72

Detección de fugas .....................................72

Almacenamiento .........................................72
INTERVALOS DE SERVICIO .............................72
CUADRO DE DETECCIÓN DE FALLOS ..... 73-74
GLOSARIO DE TERMINOS ..............................75
ESQUEMA DE LA PIEZAS Y LISTA DE LAS
PIEZAS ....................................................... 76-81
GARANTÍA LIMITADA ................................. 82-84
REPUESTOS Y SERVICIO ................................85

„Téléchargement du manuel“ signifie que vous devez attendre que le fichier soit complètement chargé avant de pouvoir le lire en ligne. Certains manuels sont très volumineux, et le temps de chargement dépend de la vitesse de votre connexion Internet.

Autres modèles de compresseurs Porter-Cable

Tous les compresseurs Porter-Cable