Mr. Heater F272800 - Manuel d'utilisation

Mr. Heater F272800

Chauffage Mr. Heater F272800 - Manuel d'utilisation, à lire gratuitement en ligne au format PDF. Nous espérons que cela vous aidera à résoudre toutes les questions que vous pourriez avoir. Si vous avez encore des questions, contactez-nous via le formulaire de contact.

1 Page 1
2 Page 2
3 Page 3
4 Page 4
5 Page 5
6 Page 6
7 Page 7
8 Page 8
9 Page 9
Page: / 9
Téléchargement du manuel

7

Instrucciones de uso y manual del usuario

Gas Fired Infrared Space Heater

ARTÍCULO

INVENTARIO

DESCRIPCIÓN

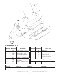
1

00024

VÁLVULA­DE­GAS-GAS­NATURAL

2

00025

VÁLVULA­DE­GAS-GAS­PROPANO

3

00434A

CONJUNTO­DEL­REFLECTOR

4

02523A

CONJUNTO­DEL­QUEMADOR

5

05574

ORIFICIO­–­PILOTO­GAS­NATURAL

6

05573

ORIFICIO­–­PILOTO­GAS­PROPANO

7

­05450­

ORIFICIO­–­QUEMADOR­
GAS­PROPANO

8

05437

ORIFICIO­–­QUEMADOR­GAS­NAT.

9

09360

TERMOCUPLA-GENERADOR

ARTÍCULO

INVENTARIO

DESCRIPCIÓN

10

10367

TERMOSTATO

11

11406

QUEMADOR­DEL­PILOTO
GAS­NATURAL

12

17374

JUEGO­DE­CADENAS

13

F114581

JUEGO­DE­GANCHOS­PARA
COLGAR­EL­CALENTADOR

14

11405

QUEMADOR­DEL­PILOTO­GAS­L/P

JUEGOS DE CONVERSIÓN OPCIONALES:

………

00286A

LP­to­NG­Conversion

………

00285A

NG­to­LP­Conversion

MH40 REPUESTOS LISTA

1 2

5

6

10

9

11

7 8

12

13

4

3

KIT DE REJILL A DECORATIVA OPCIONAL

INVENTARIO

DESCRIPCIÓN

INVENTARIO

DESCRIPCIÓN

F204440

Kit­De­Grid­(Grid,­Tornillos,­Clip­de­
Retención)

F204441

Grid­Juego­de­Reequipamiento­(Captafaros,­Grid,­
Tornillos,­Clip­de­Retención)

„Téléchargement du manuel“ signifie que vous devez attendre que le fichier soit complètement chargé avant de pouvoir le lire en ligne. Certains manuels sont très volumineux, et le temps de chargement dépend de la vitesse de votre connexion Internet.

Autres modèles de chauffages Mr. Heater

Tous les chauffages Mr. Heater