Page 2 - MANUEL D’INSTRUCTIONS; NOTE AU CLIENT : LIRE ET CONSERVER CE MANUEL POUR CONSULTATION
CHAUFFERETTE À AIR FORCÉ AU KÉROSÈNE ST-80T-KFA ST-140T-KFAST-215T-KFA MANUEL D’INSTRUCTIONS final page size: 8.5 x 5.5 in NOTE AU CLIENT : LIRE ET CONSERVER CE MANUEL POUR CONSULTATION ULTÉRIEURE
Page 3 - FRENCH; Définitions : Mots et symboles d’alerte de sécurité
FRENCH 1 Chaufferette à Air Forcé au Kérosène (ST-80T-KFA/ST-140T-KFA/ST-215T-KFA) NE JAMAIS LAISSER UNE CHAUFFERETTE SANS SURVEILLANCE LORSQU’ELLE BRÛLE OU QU’ELLE EST BRANCHÉE À UNE SOURCE DE COMBUSTIBLE. Définitions : Mots et symboles d’alerte de sécurité Le présent mode d’emploi utilise les mots...
Page 4 - CHAUFFERETTE À AIR FORCÉ AU KÉROSÈNE; DÉGAGEMENT MINIMAL PAR RAPPORT
2 FRENCH Chaufferette à Air Forcé au Kérosène (ST-80T-KFA/ST-140T-KFA/ST-215T-KFA) NE JAMAIS LAISSER UNE CHAUFFERETTE SANS SURVEILLANCE LORSQU’ELLE BRÛLE OU QU’ELLE EST BRANCHÉE À UNE SOURCE DE COMBUSTIBLE. CHAUFFERETTE À AIR FORCÉ AU KÉROSÈNE ST-80T-KFA/ST-140T-KFA/ST-215T-KFA Veuillez conserver to...
Page 6 - DESCRIPTION
4 FRENCH Chaufferette à Air Forcé au Kérosène (ST-80T-KFA/ST-140T-KFA/ST-215T-KFA) NE JAMAIS LAISSER UNE CHAUFFERETTE SANS SURVEILLANCE LORSQU’ELLE BRÛLE OU QU’ELLE EST BRANCHÉE À UNE SOURCE DE COMBUSTIBLE. DESCRIPTION DIRECTIVES D’ASSEMBLAGE (140T-KFA / 215T-KFA) Sortie d’air chaud Enveloppe supéri...
Page 7 - FONCTIONNEMENT
FRENCH 5 Chaufferette à Air Forcé au Kérosène (ST-80T-KFA/ST-140T-KFA/ST-215T-KFA) NE JAMAIS LAISSER UNE CHAUFFERETTE SANS SURVEILLANCE LORSQU’ELLE BRÛLE OU QU’ELLE EST BRANCHÉE À UNE SOURCE DE COMBUSTIBLE. FONCTIONNEMENT REMPLISSAGE DU RÉSERVOIR DE CARBURANT : Kérosène (K-1) Pour un rendement optim...
Page 9 - Numéro de modèle; SCHÉMAS DE CÂBLAGE
FRENCH 7 Chaufferette à Air Forcé au Kérosène (ST-80T-KFA/ST-140T-KFA/ST-215T-KFA) NE JAMAIS LAISSER UNE CHAUFFERETTE SANS SURVEILLANCE LORSQU’ELLE BRÛLE OU QU’ELLE EST BRANCHÉE À UNE SOURCE DE COMBUSTIBLE. CELLULE PHOTOÉLECTRIQUE : La cellule photoélectrique doit être nettoyée à l’aide d’un coton-t...
Page 10 - GUIDE DE DÉPANNAGE; Problème
8 FRENCH Chaufferette à Air Forcé au Kérosène (ST-80T-KFA/ST-140T-KFA/ST-215T-KFA) NE JAMAIS LAISSER UNE CHAUFFERETTE SANS SURVEILLANCE LORSQU’ELLE BRÛLE OU QU’ELLE EST BRANCHÉE À UNE SOURCE DE COMBUSTIBLE. GUIDE DE DÉPANNAGE Problème Cause possible Solution La chaufferette s’allume, mais la carte d...
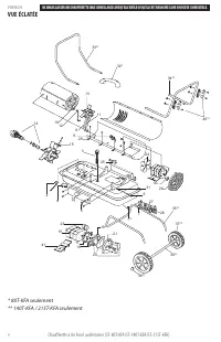
Page 11 - VUE ÉCLATÉE
FRENCH 9 Chaufferette à Air Forcé au Kérosène (ST-80T-KFA/ST-140T-KFA/ST-215T-KFA) NE JAMAIS LAISSER UNE CHAUFFERETTE SANS SURVEILLANCE LORSQU’ELLE BRÛLE OU QU’ELLE EST BRANCHÉE À UNE SOURCE DE COMBUSTIBLE. VUE ÉCLATÉE 13 10 12 8 11 9 29 25 3 15 2 4 6 1** 7 21 23 16 17 18 20 30 19 14 40** 32* 34** 3...
Page 12 - LISTE DES PIÈCES; No
10 FRENCH Chaufferette à Air Forcé au Kérosène (ST-80T-KFA/ST-140T-KFA/ST-215T-KFA) NE JAMAIS LAISSER UNE CHAUFFERETTE SANS SURVEILLANCE LORSQU’ELLE BRÛLE OU QU’ELLE EST BRANCHÉE À UNE SOURCE DE COMBUSTIBLE. LISTE DES PIÈCES Nº Description 80T-KFA 140T-KFA 215T-KFA 1 Boulon de vidange – 70-002-0115 ...
Page 13 - GARANTIE LIMITÉE; Repérage du numéro de série :; QUESTIONS, PROBLÈMES OU PIÈCES MANQUANTES?; Étiquette de n° de série
SAKC-404 GARANTIE LIMITÉE Pinnacle Climate Technologies, Inc. garantit à l’acheteur au détail d’origine seulement que cet appareil sera exempt de défauts de matériau et de fabrication pendant une période de un (1) an à compter de la date de l’achat initiale. Ce produit doit être installé, entretenu ...