Siemens IFP2200 - Manuels
Siemens IFP2200 - Manuel d'utilisation en ligne au format PDF.
Manuels:
Manuel d'utilisation Siemens IFP2200
Résumé
Siemens AG Industry Sector Postfach 48 48 90026 NÜRNBERG ALLEMAGNE A5E31298384-AC Ⓟ 11/2014 Sous réserve de modifications Copyright © Siemens AG 2014. Tous droits réservés Mentions légales Signalétique d'avertissement Ce manuel donne des consignes que vous devez respecter pour votre propre sécurité ...
Industrial Flat Panel IFP1500, IFP1900, IFP2200 Instructions de service, 11/2014, A5E31298384-AC 3 Avant-propos Ces instructions de service contiennent toutes les informations dont vous avez besoin pour la mise en service et l'utilisation du SIMATIC Industrial Flat Panel IFP. Elles s'adressent aussi...
Industrial Flat Panel IFP1500, IFP1900, IFP2200 Instructions de service, 11/2014, A5E31298384-AC 5 Sommaire Avant-propos .......................................................................................................................................... 3 1 Vue d'ensemble ........................
Industrial Flat Panel IFP1500, IFP1900, IFP2200 Instructions de service, 11/2014, A5E31298384-AC 7 Vue d'ensemble 1 1.1 Description du produit Les SIMATIC Industrial Flat Panel sont des moniteurs LCD industriels à écran TFT lumineux qui peuvent être raccordés aux IPC SIMATIC ainsi qu'à pratiquement ...
Vue d'ensemble 1.1 Description du produit Industrial Flat Panel IFP1500, IFP1900, IFP2200 8 Instructions de service, 11/2014, A5E31298384-AC Caractéristiques du SIMATIC Industrial Flat Panel ● Façade robuste ● Ecran TFT lumineux avec grand angle de vision ; écran tactile monopoint résistif au format...
Vue d'ensemble 1.2 Fourniture Industrial Flat Panel IFP1500, IFP1900, IFP2200 Instructions de service, 11/2014, A5E31298384-AC 9 1.2 Fourniture Les composants suivants sont compris dans la livraison : Désignation Figure Nombre Industrial Flat Panel 1 Instructions pour l'installation (Quick Install G...
Vue d'ensemble 1.3 Configuration des appareils Industrial Flat Panel IFP1500, IFP1900, IFP2200 10 Instructions de service, 11/2014, A5E31298384-AC 1.3 Configuration des appareils 1.3.1 IFP1500, IFP1900, IFP2200 Multitouch Ce chapitre décrit le montage des pupitres tactiles multipoint en prenant pour...
Vue d'ensemble 1.3 Configuration des appareils Industrial Flat Panel IFP1500, IFP1900, IFP2200 Instructions de service, 11/2014, A5E31298384-AC 11 Vue de dos ① Plaque signalétique ② Désignation de l'interface ③ Equipotentialité ④ Eléments de fixation pour la décharge de traction des câbles de raccor...
Vue d'ensemble 1.3 Configuration des appareils Industrial Flat Panel IFP1500, IFP1900, IFP2200 Instructions de service, 11/2014, A5E31298384-AC 13 1.3.3 IFP1500 Touch/Key Vue de face ① Ecran et touches de fonction avec LED ② Touches alphanumériques ③ Touches de commande ④ Touches du curseur ⑤ Port U...
Vue d'ensemble 1.4 Accessoires Industrial Flat Panel IFP1500, IFP1900, IFP2200 Instructions de service, 11/2014, A5E31298384-AC 15 1.4 Accessoires Ce paragraphe énumère les accessoires disponibles au moment de la rédaction des instructions de service. Vous trouverez des accessoires complémentaires s...
Industrial Flat Panel IFP1500, IFP1900, IFP2200 Instructions de service, 11/2014, A5E31298384-AC 17 Consignes de sécurité 2 2.1 Consignes générales de sécurité Equipement ouvert et directive machines ATTENTION L'appareil est un équipement ouvert L'appareil est un équipement ouvert. Cela signifie qu'...
Consignes de sécurité 2.1 Consignes générales de sécurité Industrial Flat Panel IFP1500, IFP1900, IFP2200 18 Instructions de service, 11/2014, A5E31298384-AC Rayonnement à haute fréquence IMPORTANT Parasitage en cours d'exploitation Le rayonnement haute fréquence, provenant par exemple de téléphones...
Consignes de sécurité 2.2 Instructions d'utilisation Industrial Flat Panel IFP1500, IFP1900, IFP2200 Instructions de service, 11/2014, A5E31298384-AC 19 2.2 Instructions d'utilisation IMPORTANT L'appareil est homologué uniquement pour un usage à l'intérieur Si vous utilisez l'appareil en dehors de l...
Consignes de sécurité 2.2 Instructions d'utilisation Industrial Flat Panel IFP1500, IFP1900, IFP2200 20 Instructions de service, 11/2014, A5E31298384-AC Analyse des risques et mesures ATTENTION Phénomènes dangereux au niveau de la machine ou de l'installation non protégée Des phénomènes dangereux pe...
Consignes de sécurité 2.2 Instructions d'utilisation Industrial Flat Panel IFP1500, IFP1900, IFP2200 Instructions de service, 11/2014, A5E31298384-AC 21 Ecrans TFT IMPORTANT Effet de brûlure et rétroéclairage Une image comportant des informations claires peut s'incruster quand elle persiste trop lon...
Industrial Flat Panel IFP1500, IFP1900, IFP2200 Instructions de service, 11/2014, A5E31298384-AC 23 Montage et raccordement de l'appareil 3 3.1 Préparation du montage 3.1.1 Vérification de la livraison Marche à suivre 1. Lors de la réception de la livraison, vérifiez si l'emballage ne présente pas d...
Montage et raccordement de l'appareil 3.1 Préparation du montage Industrial Flat Panel IFP1500, IFP1900, IFP2200 24 Instructions de service, 11/2014, A5E31298384-AC IMPORTANT Endommagement dû à la condensation En cas d'exposition de l'appareil à des températures basses ou à des variations extrêmes d...
Montage et raccordement de l'appareil 3.1 Préparation du montage Industrial Flat Panel IFP1500, IFP1900, IFP2200 Instructions de service, 11/2014, A5E31298384-AC 25 Position de montage Choisissez l'une des positions de montage autorisées pour votre appareil. Les positions autorisées sont décrites au...
Montage et raccordement de l'appareil 3.1 Préparation du montage Industrial Flat Panel IFP1500, IFP1900, IFP2200 26 Instructions de service, 11/2014, A5E31298384-AC 3.1.3 Vérifier les espaces libres Les espaces suivants doivent être laissés libres autour de l'appareil afin d'assurer un refroidisseme...
Montage et raccordement de l'appareil 3.1 Préparation du montage Industrial Flat Panel IFP1500, IFP1900, IFP2200 Instructions de service, 11/2014, A5E31298384-AC 27 3.1.4 Préparation de la découpe d'encastrement Remarque Stabilité de la découpe d'encastrement Le matériau autour de la découpe d'encas...
Montage et raccordement de l'appareil 3.1 Préparation du montage Industrial Flat Panel IFP1500, IFP1900, IFP2200 28 Instructions de service, 11/2014, A5E31298384-AC 3.1.5 Repérage des touches de fonction Utilisez des bandes de repérage pour renseigner les touches de fonction de votre appareil en fon...
Montage et raccordement de l'appareil 3.1 Préparation du montage Industrial Flat Panel IFP1500, IFP1900, IFP2200 Instructions de service, 11/2014, A5E31298384-AC 29 La figure suivante représente les positions des glissières pour les bandes de repérage des versions tactiles/à clavier à 15 pouces. ① G...
Montage et raccordement de l'appareil 3.2 Monter l'appareil Industrial Flat Panel IFP1500, IFP1900, IFP2200 30 Instructions de service, 11/2014, A5E31298384-AC 3.2 Monter l'appareil 3.2.1 Remarques pour le montage Avant de réaliser le montage de l'appareil, tenez compte des consignes de montage suiv...
Montage et raccordement de l'appareil 3.2 Monter l'appareil Industrial Flat Panel IFP1500, IFP1900, IFP2200 Instructions de service, 11/2014, A5E31298384-AC 31 Positions des clips ou étriers de montage pour IP65 Pour atteindre le degré de protection IP65 pour l'appareil, des clips ou étriers de mont...
Montage et raccordement de l'appareil 3.2 Monter l'appareil Industrial Flat Panel IFP1500, IFP1900, IFP2200 32 Instructions de service, 11/2014, A5E31298384-AC 3.2.3 Fixer l'appareil avec des clips ou des étriers de montage Condition ● Toutes les parties de l'emballage et les feuilles de protection ...
Montage et raccordement de l'appareil 3.2 Monter l'appareil Industrial Flat Panel IFP1500, IFP1900, IFP2200 Instructions de service, 11/2014, A5E31298384-AC 33 Montage avec étriers de montage optionnels Vous pouvez également utiliser des étriers de montage à la place des clips de montage dans les ét...
Montage et raccordement de l'appareil 3.3 Raccorder l'appareil Industrial Flat Panel IFP1500, IFP1900, IFP2200 34 Instructions de service, 11/2014, A5E31298384-AC 3.3 Raccorder l'appareil 3.3.1 Vue d'ensemble Schéma de raccordement de la version standard du moniteur Schéma de raccordement de la vari...
Montage et raccordement de l'appareil 3.3 Raccorder l'appareil Industrial Flat Panel IFP1500, IFP1900, IFP2200 Instructions de service, 11/2014, A5E31298384-AC 35 Schéma de raccordement des variantes Extended Distance de 5 m max. Distance de 5 à 30 m
Montage et raccordement de l'appareil 3.3 Raccorder l'appareil Industrial Flat Panel IFP1500, IFP1900, IFP2200 36 Instructions de service, 11/2014, A5E31298384-AC 3.3.2 Conseils pour le raccordement Condition préalable ● L'appareil est monté conformément aux indications données dans les présentes in...
Montage et raccordement de l'appareil 3.3 Raccorder l'appareil Industrial Flat Panel IFP1500, IFP1900, IFP2200 Instructions de service, 11/2014, A5E31298384-AC 37 3.3.3 Raccordement du conducteur de protection Le raccordement pour la connexion de mise à la terre est repéré à l'aide du symbole corres...
Montage et raccordement de l'appareil 3.3 Raccorder l'appareil Industrial Flat Panel IFP1500, IFP1900, IFP2200 38 Instructions de service, 11/2014, A5E31298384-AC 3.3.4 Raccordement de l'alimentation En fonction de la version de l'appareil, vous pouvez l'utiliser avec la tension suivante : ● Variant...
Montage et raccordement de l'appareil 3.3 Raccorder l'appareil Industrial Flat Panel IFP1500, IFP1900, IFP2200 40 Instructions de service, 11/2014, A5E31298384-AC 3.3.4.2 Raccordement de l'alimentation CA A respecter avant le raccordement IMPORTANT Endommagement de l'appareil sur les réseaux non rel...
Montage et raccordement de l'appareil 3.3 Raccorder l'appareil Industrial Flat Panel IFP1500, IFP1900, IFP2200 42 Instructions de service, 11/2014, A5E31298384-AC 3.3.5 Raccordement de l'appareil au PC 3.3.5.1 Variante standard Marche à suivre 1. Reliez le Flat Panel au PC avec un câble DVI ou Displ...
Montage et raccordement de l'appareil 3.3 Raccorder l'appareil Industrial Flat Panel IFP1500, IFP1900, IFP2200 Instructions de service, 11/2014, A5E31298384-AC 43 3.3.6 Raccordement de périphériques USB Vous pouvez raccorder les périphériques suivants, p. ex., aux ports USB de l'appareil : ● Souris ...
Montage et raccordement de l'appareil 3.3 Raccorder l'appareil Industrial Flat Panel IFP1500, IFP1900, IFP2200 44 Instructions de service, 11/2014, A5E31298384-AC 3.3.7 Arrêtage des câbles Arrêtez les câbles raccordés pour une décharge de traction avec les attache-câbles sur les éléments de fixation...
Industrial Flat Panel IFP1500, IFP1900, IFP2200 Instructions de service, 11/2014, A5E31298384-AC 45 Mise en service du pupitre opérateur 4 4.1 Instructions de mise en service Si vous voulez exploiter l'appareil exclusivement comme moniteur, une mise en service n'est alors pas nécessaire. Pour utilis...
Mise en service du pupitre opérateur 4.2 Remarques concernant différentes configurations matérielles Industrial Flat Panel IFP1500, IFP1900, IFP2200 46 Instructions de service, 11/2014, A5E31298384-AC 4.2 Remarques concernant différentes configurations matérielles 4.2.1 SIMATIC IPC Wizard 2.1 Le SIM...
Mise en service du pupitre opérateur 4.2 Remarques concernant différentes configurations matérielles Industrial Flat Panel IFP1500, IFP1900, IFP2200 Instructions de service, 11/2014, A5E31298384-AC 47 Systèmes d'exploitation pris en charge L'assistant SIMATIC IPC Wizard est exécutable sur les PC ave...
Industrial Flat Panel IFP1500, IFP1900, IFP2200 Instructions de service, 11/2014, A5E31298384-AC 49 Utiliser l'appareil 5 5.1 Possibilités de commande En fonction de votre appareil et des périphériques raccordés, vous disposez des possibilités de commande suivantes : ● Clavier intégré pour le pupitr...
Utiliser l'appareil 5.2 Commande d'un pupitre avec écran tactile monopoint résistif Industrial Flat Panel IFP1500, IFP1900, IFP2200 50 Instructions de service, 11/2014, A5E31298384-AC 5.2 Commande d'un pupitre avec écran tactile monopoint résistif Lorsque vous effleurez un objet sur l'écran tactile ...
Utiliser l'appareil 5.3 Commande d'un pupitre avec écran tactile multipoint capacitif Industrial Flat Panel IFP1500, IFP1900, IFP2200 Instructions de service, 11/2014, A5E31298384-AC 51 5.3 Commande d'un pupitre avec écran tactile multipoint capacitif Vous commandez l'écran tactile multipoint à l'ai...
Utiliser l'appareil 5.3 Commande d'un pupitre avec écran tactile multipoint capacitif Industrial Flat Panel IFP1500, IFP1900, IFP2200 52 Instructions de service, 11/2014, A5E31298384-AC Remarques sur la commande Tenez compte des points suivants pour la commande de l'écran tactile multipoint : ● Un c...
Utiliser l'appareil 5.4 Commande des pupitres tactiles/clavier Industrial Flat Panel IFP1500, IFP1900, IFP2200 Instructions de service, 11/2014, A5E31298384-AC 53 5.4 Commande des pupitres tactiles/clavier Remarque Erreur de manipulation Si vous appuyez simultanément sur plusieurs touches, il se peu...
Utiliser l'appareil 5.4 Commande des pupitres tactiles/clavier Industrial Flat Panel IFP1500, IFP1900, IFP2200 54 Instructions de service, 11/2014, A5E31298384-AC Le nombre de caractères disponibles lors de la saisie dépend du champ de saisie. La figure suivante représente la saisie d'une valeur alp...
Utiliser l'appareil 5.5 Fonctions de l'assistant IPC Industrial Flat Panel IFP1500, IFP1900, IFP2200 Instructions de service, 11/2014, A5E31298384-AC 55 Touches du curseur Touche ou combi- naison de touches Fonction Déplace le curseur, la sélection ou une réglette dans la direction indiquée. Déplace...
Industrial Flat Panel IFP1500, IFP1900, IFP2200 Instructions de service, 11/2014, A5E31298384-AC 57 Maintenance et remise en état de l'appareil 6 6.1 Nettoyer l'appareil Maintenance à effectuer En cas d'exploitation en atmosphère poussièreuse risquant de nuire au bon fonctionnement de l'appareil, mo...
Maintenance et remise en état de l'appareil 6.2 Réparation et pièces de rechange Industrial Flat Panel IFP1500, IFP1900, IFP2200 58 Instructions de service, 11/2014, A5E31298384-AC 6.2 Réparation et pièces de rechange ATTENTION Risque de blessures ou de dommages matériels suite à une ouverture ou de...
Industrial Flat Panel IFP1500, IFP1900, IFP2200 Instructions de service, 11/2014, A5E31298384-AC 59 Caractéristiques techniques 7 7.1 Certificats et homologations Remarque Homologations sur la plaque signalétique Les paragraphes suivants vous apportent une vue d'ensemble sur les homologations possib...
Caractéristiques techniques 7.1 Certificats et homologations Industrial Flat Panel IFP1500, IFP1900, IFP2200 60 Instructions de service, 11/2014, A5E31298384-AC Homologation UL Underwriters Laboratories Inc. selon ● UL 508 (Industrial Control Equipment) ● CSA C22.2 No. 142 (Process Control Equipment...
Caractéristiques techniques 7.1 Certificats et homologations Industrial Flat Panel IFP1500, IFP1900, IFP2200 Instructions de service, 11/2014, A5E31298384-AC 61 Le tableau suivant indique le numéro de contrôle de la classe de pupitre opérateur : Site de fabrication Classe du pupitre Numéro de contrô...
Caractéristiques techniques 7.2 Directives et déclarations Industrial Flat Panel IFP1500, IFP1900, IFP2200 62 Instructions de service, 11/2014, A5E31298384-AC Homologations pour la construction navale Approbations pour les applications maritimes et offshore en préparation : ● ABS American Bureau of ...
Caractéristiques techniques 7.2 Directives et déclarations Industrial Flat Panel IFP1500, IFP1900, IFP2200 Instructions de service, 11/2014, A5E31298384-AC 63 IMPORTANT Endommagement de composants CSDE par contact Les composants sensibles aux décharges électrostatiques (CSDE) peuvent être détruits p...
Caractéristiques techniques 7.2 Directives et déclarations Industrial Flat Panel IFP1500, IFP1900, IFP2200 64 Instructions de service, 11/2014, A5E31298384-AC IMPORTANT Veillez à la mise à la terre ! S'il n'existe pas de mise à la terre, il n'y a pas de liaison équipotentielle. La charge électrostat...
Caractéristiques techniques 7.3 Croquis cotés Industrial Flat Panel IFP1500, IFP1900, IFP2200 Instructions de service, 11/2014, A5E31298384-AC 65 7.3 Croquis cotés 7.3.1 Dessin coté de l'IFP1500 Multitouch
Caractéristiques techniques 7.3 Croquis cotés Industrial Flat Panel IFP1500, IFP1900, IFP2200 66 Instructions de service, 11/2014, A5E31298384-AC 7.3.2 Croquis coté de l'IFP1500 Monitor et Touch
Caractéristiques techniques 7.3 Croquis cotés Industrial Flat Panel IFP1500, IFP1900, IFP2200 Instructions de service, 11/2014, A5E31298384-AC 67 7.3.3 Dessin coté de l'IFP1900 Multitouch
Caractéristiques techniques 7.3 Croquis cotés Industrial Flat Panel IFP1500, IFP1900, IFP2200 68 Instructions de service, 11/2014, A5E31298384-AC 7.3.4 Croquis coté de l'IFP1900 Monitor et Touch
Caractéristiques techniques 7.3 Croquis cotés Industrial Flat Panel IFP1500, IFP1900, IFP2200 Instructions de service, 11/2014, A5E31298384-AC 69 7.3.5 Dessin coté de l'IFP2200 Multitouch
Caractéristiques techniques 7.3 Croquis cotés Industrial Flat Panel IFP1500, IFP1900, IFP2200 70 Instructions de service, 11/2014, A5E31298384-AC 7.3.6 Croquis coté de l'IFP2200 Monitor et Touch
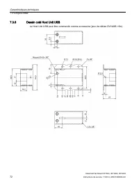
Caractéristiques techniques 7.3 Croquis cotés Industrial Flat Panel IFP1500, IFP1900, IFP2200 72 Instructions de service, 11/2014, A5E31298384-AC 7.3.8 Dessin coté Host Unit USB Le Host Unit USB peut être commandé comme accessoire (jeux de câbles DVI/USB >5m).
Caractéristiques techniques 7.3 Croquis cotés Industrial Flat Panel IFP1500, IFP1900, IFP2200 Instructions de service, 11/2014, A5E31298384-AC 73 7.3.9 Dimensions des bandes de repérage Ce chapitre contient les indications de cote des bandes de repérage pour les appareils au format grand écran 15...
Caractéristiques techniques 7.5 Caractéristiques techniques Industrial Flat Panel IFP1500, IFP1900, IFP2200 Instructions de service, 11/2014, A5E31298384-AC 75 7.5 Caractéristiques techniques 7.5.1 Caractéristiques techniques générales Poids IFP1500 1 IFP1500 2 IFP1900 IFP1900 Multitouch IFP2200 IFP...
Caractéristiques techniques 7.5 Caractéristiques techniques Industrial Flat Panel IFP1500, IFP1900, IFP2200 76 Instructions de service, 11/2014, A5E31298384-AC Unité de saisie Variantes standard des moniteurs Variantes standard tactiles Variantes Extended tactiles IFP1500 Touch/Key Clavier Non Clavi...
Caractéristiques techniques 7.5 Caractéristiques techniques Industrial Flat Panel IFP1500, IFP1900, IFP2200 Instructions de service, 11/2014, A5E31298384-AC 77 Alimentation CA Variantes Extended Tension nominale Plage de tension admissible 230 V CA 100 ... 240 V Courant assigné 200 mA Courant d'appe...
Caractéristiques techniques 7.5 Caractéristiques techniques Industrial Flat Panel IFP1500, IFP1900, IFP2200 78 Instructions de service, 11/2014, A5E31298384-AC 7.5.2.2 Conditions d'utilisation Conditions mécaniques et climatiques d'utilisation L'appareil est conçu pour une utilisation à l'abri des i...
Caractéristiques techniques 7.5 Caractéristiques techniques Industrial Flat Panel IFP1500, IFP1900, IFP2200 Instructions de service, 11/2014, A5E31298384-AC 79 Contrôle des conditions ambiantes mécaniques Le tableau suivant affiche la nature et de l'ampleur des contrôles des conditions ambiantes méc...
Caractéristiques techniques 7.5 Caractéristiques techniques Industrial Flat Panel IFP1500, IFP1900, IFP2200 80 Instructions de service, 11/2014, A5E31298384-AC Grandeurs perturbatrices impulsionnelles Le tableau suivant décrit la compatibilité électromagnétique des modules par rapport aux grandeurs ...
Caractéristiques techniques 7.5 Caractéristiques techniques Industrial Flat Panel IFP1500, IFP1900, IFP2200 Instructions de service, 11/2014, A5E31298384-AC 81 Emission de tensions parasites radio de 0,150 à 0,5 MHz < 79 dB quasi-crête et < 66 dB moyenne de 0,5 à 30 MHz < 73 dB quasi-crête ...
Caractéristiques techniques 7.6 Description des interfaces Industrial Flat Panel IFP1500, IFP1900, IFP2200 82 Instructions de service, 11/2014, A5E31298384-AC 7.6 Description des interfaces 7.6.1 Alimentation 24 V CC Alimentation 24 V CC N° de broche Signification 1 +24 V CC 2 GND 1 24 V 1 Le signal...
Caractéristiques techniques 7.6 Description des interfaces Industrial Flat Panel IFP1500, IFP1900, IFP2200 84 Instructions de service, 11/2014, A5E31298384-AC 7.6.3 DisplayPort Interface DisplayPort N° de broche Désignation abré- gée Signification Entrée / Sortie 1 ML_Lane3- Données DP 3- Entrée 2 G...
Caractéristiques techniques 7.6 Description des interfaces Industrial Flat Panel IFP1500, IFP1900, IFP2200 Instructions de service, 11/2014, A5E31298384-AC 85 7.6.4 Port USB type B Tableau 7- 1 Port USB type B N° contact Désignation abrégée Signal 1 VCC + 5 V (limitation de courant) 2 -Data Ligne de...
Industrial Flat Panel IFP1500, IFP1900, IFP2200 Instructions de service, 11/2014, A5E31298384-AC 87 Assistance technique A A.1 SAV et assistance Vous trouverez de plus amples informations ainsi qu'une assistance pour les produits décrits ici sur Internet, aux adresses suivantes : ● Support technique...
Industrial Flat Panel IFP1500, IFP1900, IFP2200 Instructions de service, 11/2014, A5E31298384-AC 91 Glossaire Application Une application est un programme qui s'ouvre directement sous le système d'exploitation MS-DOS ou Windows. STEP 7 est par exemple une application sur le PC/PG. CD-ROM/DVD Documen...
Glossaire Industrial Flat Panel IFP1500, IFP1900, IFP2200 92 Instructions de service, 11/2014, A5E31298384-AC Pilote Eléments de programme du système d'exploitation. Un pilote convertit les données des programmes utilisateur en données ayant les formats spécifiques requis par les périphériques, par ...
Industrial Flat Panel IFP1500, IFP1900, IFP2200 Instructions de service, 11/2014, A5E31298384-AC 93 Index A Abréviations, 89 Alimentation, 41, 41, 41, 82 120V, 41 230V, 41 Canada, 41 USA, 41 Alimentation CA Caractéristiques techniques, 77 Alimentation CC Caractéristiques techniques, 76 Appareil Espa...
Siemens Manuels
-
Siemens 2010
Manuel d'utilisation
-
Siemens 30inc iSlide Single Oven
Manuel d'utilisation
-
Siemens 30inc Stainless Gas Cooktop
Manuel d'utilisation
-
Siemens 576.056A
Manuel d'utilisation
-
Siemens 8770 Curvy
Manuel d'utilisation
-
Siemens BB 12-01
Notice
-
Siemens CIELO 2 ACTIVE
Manuel d'utilisation
-
Siemens CMTC1515
Manuel d'utilisation
-
Siemens Codelock K44 Duo
Manuel d'utilisation
-
Siemens DE08101
Manuel d'utilisation
-
Siemens DE1821415
Manuel d'utilisation
-
Siemens DE1821515
Manuel d'utilisation
-
Siemens DE18401
Manuel d'utilisation
-
Siemens DE2427415
Manuel d'utilisation
-
Siemens DE2427515
Manuel d'utilisation
-
Siemens DE2427555
Manuel d'utilisation
-
Siemens DH18100
Manuel d'utilisation
-
Siemens DK-9490
Manuel d'utilisation
-
Siemens DO05755K
Manuel d'utilisation
-
Siemens EB612PB90E
Manuel d'utilisation