Page 2 - See this fold-out section for all of the figures; Consulter l’encart à volets afin d’examiner toutes les figures
ii Fig. 1 A - Lower tube (tube inférieur, tubo inferior) B - Vacuum nozzle (buse de l’aspirateur, boquilla de aspiradora) C - Speed tip (embout accéléré, punta de velocidad) D - Shoulder harness (bandoulière, sección del arnés para hombros) E - Blower inlet attachment (accessoire d’entrée du souffle...
Page 7 - RÈGLES DE SÉCURITÉ IMPORTANTES
2 — Français En utilisant un appareil électrique, précautions fondamentales toujours devraient être suivies, y compris le suivre : AVERTISSEMENT ! LIRE ET COMPRENDRE TOUTES LES INSTRUCTIONS AVANT D’UTILISER CETTE SOUFFLANTE / ASPIRATEUR. Pour réduire le risque de décharge électrique, et/ou de feu bl...
Page 9 - CONSERVER CES INSTRUCTIONS
4 — Français Les termes de mise en garde suivants et leur signification ont pour but d’expliquer le degré de risques associé à l’utilisation de ce produit. SYMBOLE SIGNAL SIGNIFICATION DANGER : Indique une situation dangereuse qui, si elle n’est pas évitée, aura pour conséquences des blessures grave...
Page 10 - SYMBOLES
5 — Français Certains des symboles ci-dessous peuvent être utilisés sur produit. Veiller à les étudier et à apprendre leur signification. Une interprétation correcte de ces symboles permettra d’utiliser produit plus efficacement et de réduire les risques. SYMBOLE NOM DÉSIGNATION / EXPLICATION Symbol...
Page 11 - CARACTÉRISTIQUES
6 — Français FICHE TECHNIQUE Moteur .................................................................................................................................................................................. 40 V c.c.Vitesse d’air M/H .............................................................
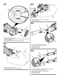
Page 12 - ASSEMBLAGE; INSTALLATION DE LA TUBE INFÉRIEUR; ASSEMBLAGE DE L’OUTIL
7 — Français ASSEMBLAGE Aligner les languettes de l’accessoire d’entrée du souffleur avec les encoches du port arrière et les faire glisser ensemble. Appuyer sur le sélecteur de mode et le faire tourner en position souffleur pour verrouiller l’accessoire d’entrée du souffleur en place. Install...
Page 13 - RÉGLAGE DE LA POIGNÉE; UTILISATION
8 — Français INSTALLATION / RETRAIT DU BLOC-PILES Voir la figure 4. AVERTISSEMENT : Toujours retirer la pile de l’outil au moment d’assembler des pièces, d’effectuer des réglages et de procéder au nettoyage, ou lorsque l’outil n’est pas utilisé. Le fait de retirer la pile permet d’empêcher un démarr...
Page 14 - MISE EN MARCHE ET ARRÊT DE LA
9 — Français MISE EN MARCHE ET ARRÊT DE LA SOUFFLANTE / ASPIRATEUR Voir les figures 11 et 12. Utiliser la commande de vitesse pour mettre en marche et arrêter le souffleur/l’aspirateur, en plus de régler les vitesses. Assembler l’unité en tant que souffleur/aspirateur, comme décrit précédemment. S...
Page 15 - ENTRETIEN GÉNÉRAL; ENTRETIEN
10 — Français AVERTISSEMENT : Pour empêcher un démarrage accidentel pouvant entraîner des blessures graves, toujours retirer le bloc de pile de le produit avant tout nettoyage ou entretien. AVERTISSEMENT : Toujours porter une protection oculaire avec écrans latéraux certifiée conforme à la norme ANS...
Page 18 - OPERATOR’S MANUAL; MANUEL D’UTILISATION / MANUAL DEL OPERADOR; 0 VOLT BLOWER/VACUUM
9980009686-9-22 (REV:02) OPERATOR’S MANUAL MANUEL D’UTILISATION / MANUAL DEL OPERADOR 40 VOLT BLOWER/VACUUM SOUFFLANTE / ASPIRATEUR DE 40 VSOPLADORA/ASPIRADORA DE 40 V RY404015 TTI OUTDOOR POWER EQUIPMENT, INC. P.O. Box 1288, Anderson, SC 29622 USA 1-800-525-2579 • www.ryobitools.com RYOBI is a regi...