Page 2 - See this fold-out section for all of the figures; Consulter l’encart à volets afin d’examiner toutes les figures
ii Fig. 1 A - Lower tube (tube inférieur, tubo inferior) B - Vacuum nozzle (buse de l’aspirateur, boquilla de aspiradora) C - Speed tip (embout accéléré, punta de velocidad) D - Shoulder harness (bandoulière, sección del arnés para hombros) E - Blower inlet (entrée du souffleur, entrada de sopladora...
Page 6 - RÈGLES DE SÉCURITÉ IMPORTANTES
2 — Français En utilisant un appareil électrique, précautions fondamentales toujours devraient être suivies, y compris le suivre : AVERTISSEMENT ! LIRE ET COMPRENDRE TOUTES LES INSTRUCTIONS AVANT D’UTILISER CETTE SOUFFLANTE / ASPIRATEUR. Pour réduire le risque de décharge électrique, et/ou de feu bl...
Page 8 - CONSERVER CES INSTRUCTIONS; SYMBOLES
4 — Français Les termes de mise en garde suivants et leur signification ont pour but d’expliquer le degré de risques associé à l’utilisation de ce produit. SYMBOLE SIGNAL SIGNIFICATION DANGER : Indique une situation dangereuse qui, si elle n’est pas évitée, aura pour conséquences des blessures grave...
Page 10 - CARACTÉRISTIQUES
6 — Français FICHE TECHNIQUE Moteur .................................................................................................................................................................................. 40 V c.c.Vitesse d’air M/H .............................................................
Page 11 - ASSEMBLAGE; INSTALLATION DE LA TUBE INFÉRIEUR; ASSEMBLAGE DE L’OUTIL
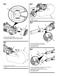
7 — Français ASSEMBLAGE Le cas échéant, appuyer sur le sélecteur de mode et le faire tourner vers la position du centre (déverrouillée), puis retirer le sac de collecte de feuilles du port arrière. Aligner les languettes de le entrée du souffleur avec les encoches du port arrière et les faire gl...
Page 12 - APPLICATIONS; UTILISATION
8 — Français APPLICATIONS Ce produit peut être utilisé pour les applications ci-dessous : Élimination des feuilles et d’autres débris des pelouses Élimination de les brins d’herbe, feuilles, aiguilles de pin, et d’autres débris des terrasses et allées de garage INSTALLATION / RETRAIT DU BLOC-PIL...
Page 13 - RÉGLAGE DE LA POIGNÉE
9 — Français RÉGLAGE DE LA POIGNÉE Voir la figure 10. Retirer le bloc-piles. Placer la soufflante / aspirateur sur une surface plane et stable. Appuyer sur le bouton de pivot et régler la poignée jusqu’à ce qu’elle s’enclenche en toute sécurité à l’un des quatre crans d’arrêt. MISE EN MARCHE E...
Page 14 - ENTRETIEN GÉNÉRAL; ENTRETIEN
10 — Français AVERTISSEMENT : Pour empêcher un démarrage accidentel pouvant entraîner des blessures graves, toujours retirer le bloc de pile de le produit avant tout nettoyage ou entretien. AVERTISSEMENT : Toujours porter une protection oculaire avec écrans latéraux certifiée conforme à la norme ANS...
Page 15 - DÉPANNAGE
SI LES PRÉSENTES SOLUTIONS NE RÉSOLVENT PAS LE PROBLÈME, CONTACTER LE CENTRE DE RÉPARATIONS AGRÉÉ. PROBLÈME CAUSE POSSIBLE SOLUTION Le produit ne fonctionne pas ou démarre et s’arrête Le tube inférieur n’est pas complètement installé sur le boîtier du moteur S’assurer que la languette du tube inféri...
Page 16 - Ce produit est accompagné d’une garantie limitée de cinq (5) ans pour
SI LES PRÉSENTES SOLUTIONS NE RÉSOLVENT PAS LE PROBLÈME, CONTACTER LE CENTRE DE RÉPARATIONS AGRÉÉ. PROBLÈME CAUSE POSSIBLE SOLUTION Bruit anormal ou changement de bruit pendant l’utilisation du produit Blocage du tube inférieur ou du boîtier du moteur Retirer la pile, puis le tube inférieur. Utilise...
Page 18 - OPERATOR’S MANUAL; MANUEL D’UTILISATION / MANUAL DEL OPERADOR
9980009681-31-23 (REV:03) OPERATOR’S MANUAL MANUEL D’UTILISATION / MANUAL DEL OPERADOR 40V BLOWER/VACUUM SOUFFLANTE / ASPIRATEUR DE 40 VSOPLADORA/ASPIRADORA DE 40 V RY404015 TTI OUTDOOR POWER EQUIPMENT, INC. P.O. Box 1288, Anderson, SC 29622 USA 1-800-525-2579 • www.ryobitools.com RYOBI is a registe...