Page 2 - AVERTISSEMENT; SÉCURITÉ DU LIEU DE TRAVAIL; SÉCURITÉ ÉLECTRIQUE; SÉCURITÉ PERSONNELLE; AVERTISSEMENTS DE SÉCURITÉ GÉNÉRALES
2 — Français AVERTISSEMENT Lire les avertissements de sécurité, les instructions et les précisions et consulter les illustrations fournis avec cet outil électrique. Le fait de ne pas se conformer à l’ensemble des consignes présentées ci-dessous risque d’entraîner des décharges électriques, un incend...
Page 3 - UTILISATION ET ENTRETIEN DE LA PILE; DÉPANNAGE
3 — Français Malgré votre expérience acquise par l’utilisation fréquente des outils, soyez toujours vigilant et respectez les principes de sécurité relatifs aux outils. Il s’agit d’une fraction de seconde pour qu’un geste irréfléchi puisse causer de graves blessures. Ne porter ni vêtements ample...
Page 4 - AVERTISSEMENTS DE SÉCURITÉ RELATIFS
4 — Français AVERTISSEMENTS DE SÉCURITÉ RELATIFS AU PISTOLET GRAISSEUR Connaître le pistolet graisseur. Lire attentivement le manuel d’utilisation. Apprendre les applications et les limites de l’outil, ainsi que les risques spécifiques relatifs à son utilisation. Le respect de cette consigne rédui...
Page 5 - SYMBOLES
5 — Français Certains des symboles ci-dessous peuvent être utilisés sur produit. Veiller à les étudier et à apprendre leur signification. Une interprétation correcte de ces symboles permettra d’utiliser produit plus efficacement et de réduire les risques. SYMBOLE NOM DÉSIGNATION / EXPLICATION Symbol...
Page 6 - ASSEMBLAGE; UTILISATION; FICHE TECHNIQUE
6 — Français ASSEMBLAGE CARACTÉRISTIQUES AVERTISSEMENT : Ne pas utiliser le produit s’il n’est pas complètement assemblé ou si des pièces semblent manquantes ou endommagées. L’utilisation d’un produit dont l’assemblage est incorrect ou incomplet ou comportant des pièces endommagées ou absentes repré...
Page 7 - ALLUMAGE ET ARRÊT DU PISTOLET
7 — Français ALLUMAGE ET ARRÊT DU PISTOLET GRAISSEUR Voir la figure 2, page 11. Le bouton de verrouillage se trouve sur la poignée, au-dessus de la gâchette pour réduire le risque de démarrage accidentel. Pour mettre l’outil en marche : Glisser le bouton de verrouillage vers la position déverrouil...
Page 9 - UTILISATION DU PISTOLET GRAISSEUR; UTILISATION DE LA SOUPAPE DE PURGE
9 — Français UTILISATION Incliner le pistolet graisseur vers le haut pour éviter les débordements, puis remettre le coupleur (non compris) avec le bouchon de remplissage. Avec un linge propre et sec, nettoyer l’excès de graisse. Laisser la poignée du tube de graisse bouger lentement vers l’ava...
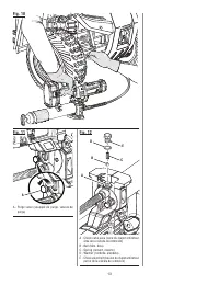
Page 10 - ENTRETIEN; ENTRETIEN GÉNÉRAL; ENTREPOSAGE DU PISTOLET GRAISSEUR; NOTE: ILLUSTRATIONS COMMENÇANT SUR 11
10 — Français ENTRETIEN AVERTISSEMENT : Utiliser exclusivement des pièces d’origine pour les réparations. L’usage de toute autre pièce pourrait créer une situation dangereuse ou endommager l’outil. AVERTISSEMENT : Toujours porter une protection oculaire avec écrans latéraux certifiée conforme à la n...
Page 13 - OPERATOR’S MANUAL/18 VOLT GREASE GUN
9950007831-10-19 (REV:01) OPERATOR’S MANUAL/18 VOLT GREASE GUN MANUEL D’UTILISATION / PISTOLET GRAISSEUR DE 18 VMANUAL DEL OPERADOR/PISTOLA DE ENGRASE DE 18 V P3410 ONE WORLD TECHNOLOGIES, INC. P.O. Box 1288, Anderson, SC 29622 • Phone 1-800-525-2579 États-Unis, Téléphone 1-800-525-2579 • USA, Teléf...