Page 3 - AVERTISSEMENT; SÉCURITÉ DU LIEU DE TRAVAIL; SÉCURITÉ ÉLECTRIQUE; SÉCURITÉ PERSONNELLE
2 - Français AVERTISSEMENTS GÉNÉRAUX DE SÉCURITÉ EN CE QUI A TRAIT AUX OUTILS ÉLECTRIQUES AVERTISSEMENT Lire tous les avertissements et toutes les instructions. Ne pas suivre l’ensemble des avertissements et des instructions peut entraîner une électrocution, un incendie ou des blessures graves. Cons...
Page 4 - AVERTISSEMENTS DE SÉCURITÉ RELATIFS AU MEULEUSE D’ANGLE; UTILISATION ET ENTRETIEN DE LA PILE; DÉPANNAGE; AVERTISSEMENTS GÉNÉRAUX DE SÉCURITÉ EN CE QUI A
3 - Français AVERTISSEMENTS DE SÉCURITÉ RELATIFS AU MEULEUSE D’ANGLE RÈGLES DE SÉCURITÉ GÉNÉRALES POUR LE MEULAGE, PONÇAGE, BROSSAGE MÉTALLIQUE ET POLISSAGE DES PIÈCES Cet outil électrique est conçu pour servir de meuleuse, de ponceuse, de brosse métallique ou de polisseuse. Consulter tous les ave...
Page 5 - REBONDS ET AVERTISSEMENTS CONNEXES
4 - Français Tenir uniquement l’outil électrique par les surfaces de prise isolées lors d’un travail risquant mettre l’outil de coupe en contact avec des fils électriques cachés. Le contact avec un fil sous tension « électrifie » les pièces métalliques exposées de l’outil électrique, ce qui peut p...
Page 7 - SYMBOLES; CARACTÉRISTIQUES; FICHE TECHNIQUE
6 - Français SYMBOLES Certains des symboles ci-dessous peuvent être utilisés sur produit. Veiller à les étudier et à apprendre leur signification. Une interprétation correcte de ces symboles permettra d’utiliser produit plus efficacement et de réduire les risques. SYMBOLE NOM DÉSIGNATION / EXPLICATI...
Page 8 - ASSEMBLAGE; DÉBALLAGE
7 - Français ASSEMBLAGE DÉBALLAGE Ce produit nécessite un assemblage. Avec précaution, sortir l’outil et les accessoires de la boîte. S’assurer que toutes les pièces figurant sur la liste de contrôle sont incluses. AVERTISSEMENT : Ne pas utiliser le produit si, en le déballant, vous constatez que ...
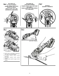
Page 9 - INSTALLATION DE LA POIGNÉE LATÉRALE
8 - Français ASSEMBLAGE UTILISATION AVIS : Pour éviter des dommages à la broche ou au verrouillage de broche, toujours laisser le moteur s’arrêter complètement avant d’enclencher le verrouillage de broche. Desserrer et retirer l’écrou de l’axe. Ne pas retirer le bride circulaire. S’assure que le...
Page 10 - UTILISATION; BLOC-PILES RECOMMANDÉS; POSITIONNEMENT DU GARDE; UTILISATION DE LA MEULEUSE
9 - Français UTILISATION INSTALLATION/RETRAIT DU BLOC-PILES Voir la figure 3, page 12. Pour install : Régler l’interrupteur ON/OFF (marche/arrêt) à la position OFF (arrêt). NOTE : Si l’interrupteur de marche/arrêt est à la position ON (marche) lorsque la pile est installée, la caractéristique de v...
Page 12 - ENTRETIEN; ENTRETIEN GÉNÉRAL; NOTE : ILLUSTRATIONS COMMENCE À LA PAGE 12
ENTRETIEN AVERTISSEMENT : Utiliser exclusivement des pièces d’origine pour les réparations. L’usage de toute autre pièce pourrait créer une situation dangereuse ou endommager le produit. AVERTISSEMENT : Toujours porter une protection oculaire avec écrans latéraux certifiée conforme à la norme ANSI Z...
Page 14 - OPERATOR’S MANUAL; Customer Service Information:; Información sobre servicio al consumidor:
995000620 10-23-18 (REV:02) OPERATOR’S MANUAL MANUEL D’UTILISATIONMANUAL DEL OPERADOR 18 VOLT 4-1/2 in. BRUSHLESS ANGLE GRINDER 115 mm (4-1/2 po) MEULEUSE D’ANGLE SANS BALAI DE 18 V115 mm (4-1/2 pulg.) AMALADORA ANGULAR SIN ESCOBILLAS DE 18 V R86042 ONE WORLD TECHNOLOGIES, INC. P.O. Box 1427Anderson...