Page 2 - RÈGLES DE SÉCURITÉ GÉNÉRALES; SÉCURITÉ PERSONNELLE; Utiliser exclusivement les clous/agrafes recommandés
2 – Français RÈGLES DE SÉCURITÉ GÉNÉRALES DANGER : LIRE ET VEILLER À BIEN COMPRENDRE LES AUTOCOLLANTS APPOSÉS SUR L’OUTIL ET LE MANUEL. Le non respect de cet avertissement pourrait entraîner des BLESSURES GRAVES ou MORTELLES. CONSERVER CES INSTRUCTIONSLIEU DE TRAVAIL Garder le lieu de travail prop...
Page 3 - RÈGLES DE SÉCURITÉ PARTICULIÈRES; UTILISATION; DÉPANNAGE
3 – Français RÈGLES DE SÉCURITÉ GÉNÉRALES Peut ne pas convenir aux outils pneumatiques. Lire attentivement le manuel d’utilisation. Apprendre les applications et les limites de l’outil, ainsi que les risques spécifiques relatifs à son utilisation. Le respect de cette règle réduira les risques d’in...
Page 4 - ALIMENTATION ET CONNEXIONS; Ne pas utiliser de l’oxygène ou des gaz combustibles; CHARGEMENT DE L’OUTIL; Ne pas charger l’outil lorsque l’une des commandes; CONSERVER CES INSTRUCTIONS.
4 – Français RÈGLES DE SÉCURITÉ PARTICULIÈRES N’actionner l’outil que pour planter un clou dans la pièce à assujettir. Toujours s’assurer que la surface de contact est exactement positionnée sur la pièce à clouer. Un positionnement seulement partiel de la surface de contact sur la pièce à clouer...
Page 5 - SYMBOLES; PROPOSITION 65 DE L'ÉTAT DE CALIFORNIE
5 – Français SYMBOLES Certains des symboles ci‑dessous peuvent être utilisés sur l’outil. Veiller à les étudier et à apprendre leur signification. Une interprétation correcte de ces symboles permettra d’utiliser l’outil plus efficacement et de réduire les risques. SYMBOL NAME DESIGNATION/EXPLANATION...
Page 6 - GLOSSAIRE; FICHE TECHNIQUE
6 – Français GLOSSAIRE Activer (commandes de l’outil)Mettre une commande sur une position déclenchant ou permettant de déclencher l’outilActionner (outil)Causer le mouvement des pièces conçues pour chasser le clou.Système de déclenchementGâchette, déclencheur par contact et / ou autre commande qui, ...
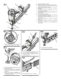
Page 8 - PRÉPARATION DE L’OUTIL POUR LE; Liste de contrôle; COUSSINET DE PROTECTION
8 – Français DANGER : N e p a s u t i l i s e r d e l ’ o x y g è n e o u d e s g a z combustibles ou en bouteille pour alimenter l’outil. L’outil exploserait, causant des blessures graves ou mortelles. AVERTISSEMENT : Ne pas laisser la familiarité avec les outils faire oublier la prudence. Ne pas o...
Page 9 - CHARGEMENT DES CLOUS; NOTE : Ne pas laisser le poussoir se rabattre brusquement.
9 – Français UTILISATION DANGER : N e p a s u t i l i s e r d e l ’ o x y g è n e o u d e s g a z combustibles ou en bouteille pour alimenter l’outil. L’outil exploserait, causant des blessures graves ou mortelles. Cet outil est conçu pour fonctionner avec de l’air comprimé propre, sous pression rég...
Page 10 - UTILISATION DE LA GÂCHETTE À SÉLECTEUR; déclenchement par séquence unique. La gâchette peut; DÉCLENCHEMENT PAR SÉQUENCE UNIQUE
10 – Français UTILISATION AVERTISSEMENT : Ne pas utiliser de clous dont le diamètre est inférieur à 2,87 mm (0,113 po). Ne pas respecter cette directive peut faire en sorte que les clous soient expulsés prématurément de l’outil par la rampe. Ne pas utiliser de clous en acier trempé avec des outils p...
Page 11 - ENFONCER LES CLOUS À ANGLE; DÉBLOCAGE D’UN CLOU
11 – Français UTILISATION Il est possible d’obtenir la profondeur désirée simplement en réglant la pression d’air. Si un réglage plus fin est nécessaire, utiliser le réglage de profondeur d’enfoncement de l’outil. RÉGLAGE DE PROFONDEUR D’ENFONCEMENT Voir la figure 9, page 16. La profondeur d’enfonce...
Page 12 - ENTRETIEN; PRESSION ET VOLUME D’AIR; ENTRETIEN GÉNÉRAL
12 – Français ENTRETIEN AVIS : Ne pas entreposer les outils dans des endroits froids pour éviter la formation de givre ou de glace sur les soupapes et mécanismes, afin de ne pas risquer une défaillance de l’outil. NOTE : Certains produits d’assèchement de flexibles d’air sont nuisibles aux joints et...
Page 13 - Régler la profondeur de clouage du manuel.; ACCESSOIRES
13 – Français • En tenant la surface de contact enfoncée, relâcher la gâchette. Le poinçon devrait retourner à sa position initiale. Débrancher l’alimentation d’air de l’outil et retirer toutes les agrafes. Choisir le mode de déclenchement par contact ( ). Rebrancher l’outil à la source d’air....
Page 14 - PROBLÈME; Ce produit est accompagné d’une politique de satisfaction de 90
14 – Français DÉPANNAGE ILLUSTRATIONS COMMENÇANT SUR 15 DE PAGE APRÈS LA SECTION ESPAGNOL. PROBLÈME CAUSE POSSIBLE SOLUTION Fuite d’air dans le haut de l’outil ou près de la gâchette Lubrification insuffisanteVis desserréesJoints ou joints toriques usés Lubrifier l’outilSerrer les visInstaller le ki...
Page 18 - OPERATOR’S MANUAL; CLOUEUSE DE CHARPENTIER À TÊTE RONDE; Información sobre servicio al consumidor:
OPERATOR’S MANUAL MANUEL D’UTILISATIONMANUAL DEL OPERADORFULL ROUND HEAD FRAMING NAILER CLOUEUSE DE CHARPENTIER À TÊTE RONDE CLAVADORA DE ENTRAMAR PARA CLAVOS DE CABEZA REDONDA NORMAL R350RHF 991000781 11-30-15 (REV:02) ONE WORLD TECHNOLOGIES, INC. P.O. Box 35, Hwy. 8Pickens, SC 29671, USA1-866-539-...