Page 1 - WIRING DIAGRAM; Wiring Diagrams EN+FR; Wiring Diagram / Schéma de câblage; GN; VERT; VENTILATEUR DE12V
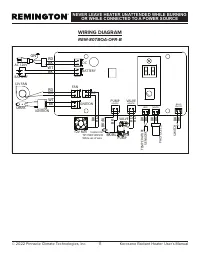
11 © 2022 Pinnacle Climate Technologies, Inc. Kerosene Radiant Heater User’s Manual NEVER LEAVE HEATER UNATTENDED WHILE BURNING OR WHILE CONNECTED TO A POWER SOURCE WIRING DIAGRAM REM-80TBOA-OFR-B Wiring Diagrams EN+FR 188 x 73 mm XXRB-220 Wiring Diagram / Schéma de câblage PHO TOCELL ULE LIMITEUR D...
Page 3 - AÉROTHERME RADIANT AU; Manuel de l’utilisateur et mode d’emploi
LIRE ET COMPRENDRE TOUTES LES INSTRUCTIONS DE CE MANUEL AVANT D’ASSEMBLER, DE METTRE EN MARCHE OU D’EFFECTUER DES RÉPARATIONS SUR CETTE CHAUFFERETTE. Toujours se conformer aux entraîner des risques d’incendie ou d’explosion pouvant causer de graves dommages à la propriété, des blessures ou même la m...
Page 4 - NE JAMAIS LAISSER UNE CHAUFFERETTE SANS; CONSIGNES DE SÉCURITÉ
© 2022, Pinnacle Climate Technologies, Inc. Manuel de l’utilisateur de la chaufferette au kérosène NE JAMAIS LAISSER UNE CHAUFFERETTE SANS SURVEILLANCE LORSQU’ELLE BRÛLE OU QU’ELLE EST BRANCHÉE À UNE SOURCE D’ALIMENTATION. 2 RÉSIDENTS DU MASSACHUSETTS : Ce produit contient des produits chimiques, do...
Page 5 - RISQUE DE POLLUTION DE L’AIR INTÉRIEUR!
© 2022, Pinnacle Climate Technologies, Inc. Manuel de l’utilisateur de la chaufferette au kérosène NE JAMAIS LAISSER UNE CHAUFFERETTE SANS SURVEILLANCE LORSQU’ELLE BRÛLE OU QU’ELLE EST BRANCHÉE À UNE SOURCE D’ALIMENTATION. 3 Les produits décrits dans ce manuel sont des chaufferettes à feu direct et ...
Page 6 - SPÉCIFICATIONS; CARACTÉRISTIQUES; - Tournevis cruciforme
© 2022, Pinnacle Climate Technologies, Inc. Manuel de l’utilisateur de la chaufferette au kérosène NE JAMAIS LAISSER UNE CHAUFFERETTE SANS SURVEILLANCE LORSQU’ELLE BRÛLE OU QU’ELLE EST BRANCHÉE À UNE SOURCE D’ALIMENTATION. 4 SPÉCIFICATIONS Modèles n° REM-80TBOA-OFR-B Classement (Btu/h / kW/h) 80 000...
Page 7 - MONTAGE; IMPORTANT : INSTALLER L’ÉCRAN THERMIQUE AVANT
© 2022, Pinnacle Climate Technologies, Inc. Manuel de l’utilisateur de la chaufferette au kérosène NE JAMAIS LAISSER UNE CHAUFFERETTE SANS SURVEILLANCE LORSQU’ELLE BRÛLE OU QU’ELLE EST BRANCHÉE À UNE SOURCE D’ALIMENTATION. 5 1. Retirer les vis existantes de l’anneau de chaque côté de la chaufferette...
Page 8 - MODE D’EMPLOI; Remplissage du réservoir de carburant :; - NE JAMAIS utiliser des carburants comme de; ATTENTION
© 2022, Pinnacle Climate Technologies, Inc. Manuel de l’utilisateur de la chaufferette au kérosène NE JAMAIS LAISSER UNE CHAUFFERETTE SANS SURVEILLANCE LORSQU’ELLE BRÛLE OU QU’ELLE EST BRANCHÉE À UNE SOURCE D’ALIMENTATION. 6 MODE D’EMPLOI Remplissage du réservoir de carburant : Kérosène Pour obtenir...
Page 9 - Remplir le réservoir de kérosène ou d’un autre carburant; Attendre dix secondes une fois le cycle de
© 2022, Pinnacle Climate Technologies, Inc. Manuel de l’utilisateur de la chaufferette au kérosène NE JAMAIS LAISSER UNE CHAUFFERETTE SANS SURVEILLANCE LORSQU’ELLE BRÛLE OU QU’ELLE EST BRANCHÉE À UNE SOURCE D’ALIMENTATION. 7 Instructions de pré-allumage : Recharge de la batterieS’assurer que la batt...
Page 10 - : Veuillez seulement utiliser le chargeur spécifié par le; DIRECTIVES POUR UNE UTILISATION AVEC UNE BATTERIE
© 2022, Pinnacle Climate Technologies, Inc. Manuel de l’utilisateur de la chaufferette au kérosène NE JAMAIS LAISSER UNE CHAUFFERETTE SANS SURVEILLANCE LORSQU’ELLE BRÛLE OU QU’ELLE EST BRANCHÉE À UNE SOURCE D’ALIMENTATION. 8 AVERTISSEMENT : Exigences relatives à la batterie : Les batteries (bloc-bat...
Page 11 - ENTRETIEN; Entreposage de longue durée :
© 2022, Pinnacle Climate Technologies, Inc. Manuel de l’utilisateur de la chaufferette au kérosène NE JAMAIS LAISSER UNE CHAUFFERETTE SANS SURVEILLANCE LORSQU’ELLE BRÛLE OU QU’ELLE EST BRANCHÉE À UNE SOURCE D’ALIMENTATION. 9 ENTRETIEN Entreposage de longue durée : 1. Dévisser le bouchon du réservoir...
Page 12 - fréquemment selon l’état. Éliminer l’accumulation
© 2022, Pinnacle Climate Technologies, Inc. Manuel de l’utilisateur de la chaufferette au kérosène NE JAMAIS LAISSER UNE CHAUFFERETTE SANS SURVEILLANCE LORSQU’ELLE BRÛLE OU QU’ELLE EST BRANCHÉE À UNE SOURCE D’ALIMENTATION. 10 ENTRETIEN (SUITE) Service (Continued): PALES DE VENTILATEUR : Les pales do...
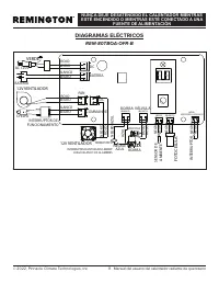
Page 13 - SCHÉMAS DE CÂBLAGE
© 2022, Pinnacle Climate Technologies, Inc. Manuel de l’utilisateur de la chaufferette au kérosène NE JAMAIS LAISSER UNE CHAUFFERETTE SANS SURVEILLANCE LORSQU’ELLE BRÛLE OU QU’ELLE EST BRANCHÉE À UNE SOURCE D’ALIMENTATION. 11 SCHÉMAS DE CÂBLAGE REM-80TBOA-OFR-B Wiring Diagrams EN+FR 188 x 73 mm XXRB...
Page 14 - GUIDE DE DÉPANNAGE; Problème
© 2022, Pinnacle Climate Technologies, Inc. Manuel de l’utilisateur de la chaufferette au kérosène NE JAMAIS LAISSER UNE CHAUFFERETTE SANS SURVEILLANCE LORSQU’ELLE BRÛLE OU QU’ELLE EST BRANCHÉE À UNE SOURCE D’ALIMENTATION. 12 GUIDE DE DÉPANNAGE Problème Cause Possible Solution L’aérotherme s’allume,...
Page 15 - VUE ÉCLATÉE
© 2022, Pinnacle Climate Technologies, Inc. Manuel de l’utilisateur de la chaufferette au kérosène NE JAMAIS LAISSER UNE CHAUFFERETTE SANS SURVEILLANCE LORSQU’ELLE BRÛLE OU QU’ELLE EST BRANCHÉE À UNE SOURCE D’ALIMENTATION. 13 VUE ÉCLATÉE REM-80TBOA-OFR-B 1 2 3 4 5 6 7 8 9 10 11 12 13 14 15 16 17 18 ...
Page 17 - GARANTIE LIMITÉE
© 2022, Pinnacle Climate Technologies, Inc. Manuel de l’utilisateur de la chaufferette au kérosène NE JAMAIS LAISSER UNE CHAUFFERETTE SANS SURVEILLANCE LORSQU’ELLE BRÛLE OU QU’ELLE EST BRANCHÉE À UNE SOURCE D’ALIMENTATION. 15 GARANTIE LIMITÉE Pinnacle Climate Technologies, Inc. garantit uniquement à...