Page 1 - CONSOMMATEUR : LIRE ET CONSERVER CES INSTRUCTIONS IMPORTANTES; CET APPAREIL DE; Cet aérotherme portable non raccordé utilise l’air (oxygène); DANGER; Guide d’utilisation et mode d’emploi; AÉROTHERME
NUMÉROS DE MODÈLES : REM-80TBOA-KFA-B CONSOMMATEUR : LIRE ET CONSERVER CES INSTRUCTIONS IMPORTANTES AVERTISSEMENT GÉNÉRAL DE DANGER : LIRE ET COMPRENDRE TOUTES LES INSTRUCTIONS DE CE GUIDEAVANT D’ASSEMBLER,DE METTRE EN MARCHE OU D’EFFECTUER DES RÉPARATIONS SUR CET AÉROTHERME. Toujours se conformer a...
Page 2 - Guide d’utilisation de l’aérotherme au kérosène; CONSIGNES DE SÉCURITÉ; AVERTISSEMENT
2 NE JAMAIS LAISSER UN AÉROTHERME ALLUMÉ SANS SURVEILLANCE OU LORSQU’IL EST BRANCHÉ SUR UN BLOC D’ALIMENTATION. © 2021, Pinnacle Climate Technologies, Inc. Guide d’utilisation de l’aérotherme au kérosène RÉSIDENTS DU MASSACHUSETTS : Ce produit contient des produits chimiques, dont du plomb, connus d...
Page 4 - FICHE TECHNIQUE; CARACTÉRISTIQUES; - Retirer l’appareil et tout le matériel d’emballage; d’emballage pour y ranger ultérieurement
4 NE JAMAIS LAISSER UN AÉROTHERME ALLUMÉ SANS SURVEILLANCE OU LORSQU’IL EST BRANCHÉ SUR UN BLOC D’ALIMENTATION. © 2021, Pinnacle Climate Technologies, Inc. Guide d’utilisation de l’aérotherme au kérosène FICHE TECHNIQUE Modèle n° REM-80TBOA-KFA-B Classement : (Btu/h / kWh) 80 000/23,4 Consommation d...
Page 5 - - Risque de pollution de l’air intérieur et; MODE D’EMPLOI
5 NE JAMAIS LAISSER UN AÉROTHERME ALLUMÉ SANS SURVEILLANCE OU LORSQU’IL EST BRANCHÉ SUR UN BLOC D’ALIMENTATION. © 2021, Pinnacle Climate Technologies, Inc. Guide d’utilisation de l’aérotherme au kérosène Remplissage du réservoir de carburant :Kérosène (K-1)Pour un rendement optimal, il est fortement...
Page 6 - Le circuit de protection de batterie de; Redémarrage de l’aérotherme :; ATTENTION; batterie branchée; LORSQU’ELLE N’EST PAS UTILISÉE
6 NE JAMAIS LAISSER UN AÉROTHERME ALLUMÉ SANS SURVEILLANCE OU LORSQU’IL EST BRANCHÉ SUR UN BLOC D’ALIMENTATION. © 2021, Pinnacle Climate Technologies, Inc. Guide d’utilisation de l’aérotherme au kérosène MODE D’EMPLOI (SUITE) Instructions de pré-allumage : Recharge de la batterieS’assurer que la bat...
Page 7 - DIRECTIVES POUR UNE UTILISATION AVEC UNE BATTERIE
7 NE JAMAIS LAISSER UN AÉROTHERME ALLUMÉ SANS SURVEILLANCE OU LORSQU’IL EST BRANCHÉ SUR UN BLOC D’ALIMENTATION. © 2021, Pinnacle Climate Technologies, Inc. Guide d’utilisation de l’aérotherme au kérosène AVERTISSEMENT : Exigences relatives à la batterie : Les batteries (bloc-batteries au lithium-ion...
Page 8 - ENTRETIEN; PALES DE VENTILATEUR :
8 NE JAMAIS LAISSER UN AÉROTHERME ALLUMÉ SANS SURVEILLANCE OU LORSQU’IL EST BRANCHÉ SUR UN BLOC D’ALIMENTATION. © 2021, Pinnacle Climate Technologies, Inc. Guide d’utilisation de l’aérotherme au kérosène ENTRETIEN Réparation : NE PAS MODIFIER L’APPAREIL. UN RÉGLAGE OU UNE RÉPARATION DOIVENT ÊTRE CON...
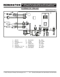
Page 10 - SCHÉMAS DE CÂBLAGE
10 NE JAMAIS LAISSER UN AÉROTHERME ALLUMÉ SANS SURVEILLANCE OU LORSQU’IL EST BRANCHÉ SUR UN BLOC D’ALIMENTATION. © 2021, Pinnacle Climate Technologies, Inc. Guide d’utilisation de l’aérotherme au kérosène SCHÉMAS DE CÂBLAGE Wiring Diagram / Diagrama eléctrico XXKB-215 80TBOA-KFA Wiring Diagram EN+FR...
Page 11 - GUIDE DE DÉPANNAGE; Anomalie
11 NE JAMAIS LAISSER UN AÉROTHERME ALLUMÉ SANS SURVEILLANCE OU LORSQU’IL EST BRANCHÉ SUR UN BLOC D’ALIMENTATION. © 2021, Pinnacle Climate Technologies, Inc. Guide d’utilisation de l’aérotherme au kérosène GUIDE DE DÉPANNAGE Anomalie Cause probable Correctif L’aérotherme s’allume, mais la carte de ci...
Page 12 - VUE ÉCLATÉE
12 NE JAMAIS LAISSER UN AÉROTHERME ALLUMÉ SANS SURVEILLANCE OU LORSQU’IL EST BRANCHÉ SUR UN BLOC D’ALIMENTATION. © 2021, Pinnacle Climate Technologies, Inc. Guide d’utilisation de l’aérotherme au kérosène VUE ÉCLATÉE 1 2 3 4 5 6 7 8 9 10 11 Connecteur de batterie 12 13 14 15 16 17 18 19 20 21 22
Page 13 - LISTE DES PIÈCES
13 NE JAMAIS LAISSER UN AÉROTHERME ALLUMÉ SANS SURVEILLANCE OU LORSQU’IL EST BRANCHÉ SUR UN BLOC D’ALIMENTATION. © 2021, Pinnacle Climate Technologies, Inc. Guide d’utilisation de l’aérotherme au kérosène LISTE DES PIÈCES CONSEIL : Pour commander des pièces, composer le 800 641-6996. Nº Description ...
Page 14 - GARANTIE LIMITÉE
14 NE JAMAIS LAISSER UN AÉROTHERME ALLUMÉ SANS SURVEILLANCE OU LORSQU’IL EST BRANCHÉ SUR UN BLOC D’ALIMENTATION. © 2021, Pinnacle Climate Technologies, Inc. Guide d’utilisation de l’aérotherme au kérosène GARANTIE LIMITÉE Pinnacle Climate Technologies, Inc. garantit à l’acheteur au détail d’origine ...