Page 1 - CHAUFFERETTE À AIR FORCÉ; NOTE AU CLIENT : LIRE ET CONSERVER CE MANUEL POUR; Toujours se conformer; Ceci est une chaufferette portative non raccordée utilisant; DANGER; Repérage du numéro de série :
Sauk Rapids, MN 56379 USA • Numéro sans frais (800) 641-6996 Télécopieur : 320 251-2922 • Web : www.remingtonheater.com • Courriel : [email protected] © 2019, Pinnacle Climate Technologies, Inc. RBKM-403 Manuel de l’utilisateur et mode d’emploi CHAUFFERETTE À AIR FORCÉ AU KÉROSÈNE NUMÉROS DE MODÈLES...
Page 2 - Manuel de la chaufferette à air forcé au kérosène; Ce produit contient des produits chimiques, dont du; RISQUE D’INCENDIE, DE BRÛLURE, D’INHALATION; Garder les matériaux combustibles; CONSIGNES DE SÉCURITÉ; Specifications; TABLE DES MATIÈRES; AVERTISSEMENT
2 NE JAMAIS LAISSER UNE CHAUFFERETTE SANS SURVEILLANCE LORSQU’ELLE BRÛLE OU QU’ELLE EST BRANCHÉE À UNE SOURCE DE COMBUSTIBLE. © 2019, Pinnacle Climate Technologies, Inc, Manuel de la chaufferette à air forcé au kérosène RÉSIDENTS DU MASSACHUSETTS : Ce produit contient des produits chimiques, dont du...
Page 4 - Remarque : Conserver la boîte et les matériaux
4 NE JAMAIS LAISSER UNE CHAUFFERETTE SANS SURVEILLANCE LORSQU’ELLE BRÛLE OU QU’ELLE EST BRANCHÉE À UNE SOURCE DE COMBUSTIBLE. © 2019, Pinnacle Climate Technologies, Inc, Manuel de la chaufferette à air forcé au kérosène CONTENU DE LA BOÎTE (45-KFA/80T-KFA) - Retirer l’appareil et tout le matériel d’...
Page 5 - et fixer le châssis de roue en l’insérant dans les; SPÉCIFICATIONS; CARACTÉRISTIQUES
5 NE JAMAIS LAISSER UNE CHAUFFERETTE SANS SURVEILLANCE LORSQU’ELLE BRÛLE OU QU’ELLE EST BRANCHÉE À UNE SOURCE DE COMBUSTIBLE. © 2019, Pinnacle Climate Technologies, Inc, Manuel de la chaufferette à air forcé au kérosène 1. Incliner le réservoir de la chaufferette vers l’arrière et fixer le châssis d...
Page 6 - - Toujours fournir une ouverture sur de l’air frais d’au moins; Ouverture minimum requise; MODE D’EMPLOI
6 NE JAMAIS LAISSER UNE CHAUFFERETTE SANS SURVEILLANCE LORSQU’ELLE BRÛLE OU QU’ELLE EST BRANCHÉE À UNE SOURCE DE COMBUSTIBLE. © 2019, Pinnacle Climate Technologies, Inc, Manuel de la chaufferette à air forcé au kérosène Remplissage du réservoir de carburant :Kérosène (K-1) Pour un rendement optimal,...
Page 7 - température de la pièce s’affichera et la; dotés de la caractéristique d’affichage de la; C l’afficheur indique la; Arrêt/Remise en marche de la chaufferette :; Utiliser un siphon approuvé pour drainer le carburant; IMPORTANT : Ne jamais entreposer le kérosène
7 NE JAMAIS LAISSER UNE CHAUFFERETTE SANS SURVEILLANCE LORSQU’ELLE BRÛLE OU QU’ELLE EST BRANCHÉE À UNE SOURCE DE COMBUSTIBLE. © 2019, Pinnacle Climate Technologies, Inc, Manuel de la chaufferette à air forcé au kérosène MODE D’EMPLOI (SUITE) Démarrage de la chaufferette : (Allumage) 1. Remplir le ré...
Page 8 - ENTRETIEN; Utiliser seulement
8 NE JAMAIS LAISSER UNE CHAUFFERETTE SANS SURVEILLANCE LORSQU’ELLE BRÛLE OU QU’ELLE EST BRANCHÉE À UNE SOURCE DE COMBUSTIBLE. © 2019, Pinnacle Climate Technologies, Inc, Manuel de la chaufferette à air forcé au kérosène ENTRETIEN Réparation : NE PAS MODIFIER L’APPAREIL. TOUT AJUSTEMENT OU RÉPARATION...
Page 10 - SCHÉMAS DE CÂBLAGE
10 NE JAMAIS LAISSER UNE CHAUFFERETTE SANS SURVEILLANCE LORSQU’ELLE BRÛLE OU QU’ELLE EST BRANCHÉE À UNE SOURCE DE COMBUSTIBLE. © 2019, Pinnacle Climate Technologies, Inc, Manuel de la chaufferette à air forcé au kérosène SCHÉMAS DE CÂBLAGE (80T-KFA) (140T-KFA) (175T-KFA / 190T-KFA / 215T-KFA) Les mo...
Page 11 - GUIDE DE DÉPANNAGE; Problème
11 NE JAMAIS LAISSER UNE CHAUFFERETTE SANS SURVEILLANCE LORSQU’ELLE BRÛLE OU QU’ELLE EST BRANCHÉE À UNE SOURCE DE COMBUSTIBLE. © 2019, Pinnacle Climate Technologies, Inc, Manuel de la chaufferette à air forcé au kérosène GUIDE DE DÉPANNAGE Problème Cause possible Solution La chaufferette s’allume, m...
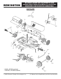
Page 12 - VUE ÉCLATÉE
12 NE JAMAIS LAISSER UNE CHAUFFERETTE SANS SURVEILLANCE LORSQU’ELLE BRÛLE OU QU’ELLE EST BRANCHÉE À UNE SOURCE DE COMBUSTIBLE. © 2019, Pinnacle Climate Technologies, Inc, Manuel de la chaufferette à air forcé au kérosène VUE ÉCLATÉE * 45-KFA - 80T-KFA seulement ** 140T-KFA - 215T-KFA seulement 13 10...
Page 13 - LISTE DES PIÈCES; CONSEIL : Pour commander des
13 NE JAMAIS LAISSER UNE CHAUFFERETTE SANS SURVEILLANCE LORSQU’ELLE BRÛLE OU QU’ELLE EST BRANCHÉE À UNE SOURCE DE COMBUSTIBLE. © 2019, Pinnacle Climate Technologies, Inc, Manuel de la chaufferette à air forcé au kérosène LISTE DES PIÈCES CONSEIL : Pour commander des pièces, composer le 800-641-6996....
Page 14 - GARANTIE LIMITÉE
14 NE JAMAIS LAISSER UNE CHAUFFERETTE SANS SURVEILLANCE LORSQU’ELLE BRÛLE OU QU’ELLE EST BRANCHÉE À UNE SOURCE DE COMBUSTIBLE. © 2019, Pinnacle Climate Technologies, Inc, Manuel de la chaufferette à air forcé au kérosène GARANTIE LIMITÉE Pinnacle Climate Technologies, Inc. garantit à l’acheteur au d...