Page 1 - replaced under warranty.; PARTS NOT UNDER WARRANTY
www.usaprocom.com 13 160495-01C ACCESSORIES Purchase these accessories from your local dealer. If they can not supply these accessories, call ProCom Heating, Inc. at 1-866-573-0674 for information. TECHNICAL SERVICES You may have further questions about installation, operation, or troubleshooting. I...
Page 3 - Figura 12 - Distancia mínima entre el; DIAGRAMA DE CABLEADO
www.usaprocom.com 29 160495-01C 160518-01A Black** or Orange**/ Negro** o Naranja**/ Noir** ou orange** L1 L2 White/Blanco/ Blanc Blue*/ Azul*/Bleu* Blue*/ Azul*/Bleu* Blue/ Azul/Bleu White/Blanco/ Blanc White/Blanco/Blanc Black/ Negro/Noir Black/Negro/Noir Black/Negro/Noir Black/Negro/Noir Green/ V...
Page 6 - TABLE DES MATIÈRES; SÉCURITÉ; Modèles; Allumage
www.usaprocom.com 160495-01C 36 TABLE DES MATIÈRES Caractéristiques....................................... 36 Sécurité ................................................... 36 Identification du produit ........................... 39 Déballage ................................................ 39 Assembl...
Page 9 - IDENTIFICATION DU PRODUIT; Pied; ASSEMBLAGE; IMPORTANT; Pied en plastique et tubes rallonge; Pied en base; DÉBALLAGE
www.usaprocom.com 39 160495-01C IDENTIFICATION DU PRODUIT 1. Enlevez le matériau d’emballage ap - pliqué sur l’appareil de chauffage pour son expédition. Conservez les bouchons en plastique (sur le raccord d’entrée et l’assemblage du tuyau et du régulateur) pour l’entreposage. 2. Retirez toutes les ...
Page 10 - APPROVISIONNEMENT EN PROPANE; nage et la manipulation du gaz de pétrole li-; ambiante; THÉORIE DE FONCTIONNEMENT; Système d'approvisionnement en combustible :; Figure 3 - Vue opérationnelle en coupe transversale
www.usaprocom.com 160495-01C 40 APPROVISIONNEMENT EN PROPANE Le gaz propane ou le GPL, et les bouteilles de propane ou de GPL doivent être fournis par l'utilisateur.N'utilisez cet appareil de chauffage qu'avec un système d'approvisionnement à élimination de vapeurs de propane ou de GPL. Consultez le...
Page 11 - sionnement en propane,; vous ne l'ouvrez pas lentement, la vanne
www.usaprocom.com 41 160495-01C VENTILATION AVERTISSEMENT : Lisez et comprenez les avertissements de la section Sécurité, page 36. Ils sont requis pour faire fonc- tionner cet appareil de chauffage sans danger. Respectez tous les codes locaux lors de l'utilisation de cet appareil de chauffage. AVERT...
Page 12 - FONCTIONNEMENT; POUR ALLUMER L'APPAREIL; Exigences des dimensions de la ral-; quand il est dans cet état. Pour réamorcer
www.usaprocom.com 160495-01C 42 FONCTIONNEMENT AVERTISSEMENT : Lisez et comprenez les avertissements de la section Sécurité, page 36. Ils sont requis pour faire fonc- tionner cet appareil de chauffage sans danger. Respectez tous les codes locaux lors de l'utilisation de cet appareil de chauffage. PO...
Page 13 - Pour; de la; ENTRETIEN
www.usaprocom.com 43 160495-01C POUR ARRÊTER L'APPAREIL DE CHAUFFAGE 1. Fermez hermétiquement le robinet d'ap - provisionnement en propane du ou des réservoirs de propane. 2. Attendez quelques secondes. L'appareil de chauffage brûlera le gaz qui reste dans le tuyau d'approvisionnement. 3. Débranchez...
Page 14 - CIRCUIT ÉLECTRIQUE; Figure 6 - Retrait du ventilateur et du moteur
www.usaprocom.com 160495-01C 44 PROCÉDURES D'ENTRETIEN AVERTISSEMENT : Ne répa- rez jamais l'appareil de chauf- fage lorsqu'il est branché, connecté à la source d'approvi- sionnement en gaz, en marche ou brûlant. Des brûlures et des chocs électriques graves peuvent se produire. CIRCUIT ÉLECTRIQUE L'...
Page 15 - PROCÉDURES D'ENTRETIEN; Ventilateur; VENTILATEUR; moteur ira dans l'habillage en premie
www.usaprocom.com 45 160495-01C Figure 8 - Ventilateur et moteur retournés pour le nettoyage PROCÉDURES D'ENTRETIEN Ventilateur Support de montage du moteur 14. Fixer le nouveau moteur au support de montage du moteur avec 2 écrous. Serrez fermement les écrous. 15. Positionnez le ventilateur sur l'ar...
Page 16 - ALLUMEUR; chauffage est débranché de la; Figure 11 - Retrait de l'allumeur et de la
www.usaprocom.com 160495-01C 46 20. Rebranchez les fils du moteur aux mêmes bornes sur le bornier que lors du démon - tage à l'étape 3 (voir figure 6, page 44). 21. Remettez en place le revêtement supé - rieur. 22. Remettez en place la grille de protection du ventilateur. ALLUMEUR AV E R T I S S E M...
Page 17 - d'allumage et le brûleur; SCHÉMA DE CÂBLAGE
www.usaprocom.com 47 160495-01C 160518-01A Black** or Orange**/ Negro** o Naranja**/ Noir** ou orange** L1 L2 White/Blanco/ Blanc Blue*/ Azul*/Bleu* Blue*/ Azul*/Bleu* Blue/ Azul/Bleu White/Blanco/ Blanc White/Blanco/Blanc Black/ Negro/Noir Black/Negro/Noir Black/Negro/Noir Black/Negro/Noir Green/ V...
Page 18 - DÉPANNAGE; PROBLÈME OBSERVÉ; de la rubrique; AVERTISSEMENT : Ne réparez jamais l'appareil de chauffage
www.usaprocom.com 160495-01C 48 DÉPANNAGE PROBLÈME OBSERVÉ CAUSE POSSIBLE SOLUTION Le ventilateur ne tourne pas quand l'appareil de chauffage est branché. 1. Aucun courant ne se rend à l'appareil de chauffage. 2. Le ventilateur frappe l'in - térieur de l'habillage de l'appareil de chauffage. 3. Les ...
Page 19 - Remarque : Utilisez uniquement des pièces; PIÈCES SOUS GARANTIE; • la date d’achat; PIÈCES QUI NE SONT PAS; PIÈCES DE RECHANGE
www.usaprocom.com 49 160495-01C PROBLÈME OBSERVÉ CAUSE POSSIBLE SOLUTION L ' a p p a r e i l d e c h a u ff a g e s'éteint lorsqu'il fonctionne. 1. La température de l'air ambiant est trop élevée, ce qui provoque l'arrêt de l'appareil de chauffage par le limiteur de température. 2. Circulation d'air...
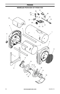
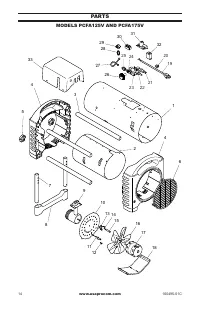
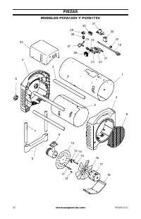
Page 21 - Pièces de rechange; DESCRIPTION
www.usaprocom.com 51 160495-01C PIÈCES MODÈLES PCFA125V ET PCFA175V Cette liste contient les pièces de rechange utilisées dans votre appareil de chauffage. Quand vous commandez des pièces, reportez-vous aux instructions de la section Pièces de rechange , à la page 49 de ce mode d’emploi. N° PCFA125V...
Page 22 - ENREGISTREZ VOTRE PRODUIT À WWW.USAPROCOM.COM; Nouveaux Produits - Chauffage Extérieur; Produits Reconditionnés en Usine; Conditions Communes à Tous les Garanties; GARANTIE; GARDEZ CETTE GARANTIE; Modèle (situé sur l’étiquette du produit ou de l’identification)
160495-01 Rev. C 07/15 ENREGISTREZ VOTRE PRODUIT À WWW.USAPROCOM.COM PROCOM HEATING, INC. GARANTIES LIMITÉES Nouveaux Produits - Chauffage Extérieur Garantie Standard: ProCom Heating, Inc. garantit que ce nouveau produit et de ses parties d’être exempt de vices de matériaux et de fabrication pour un...