Page 2 - EMPLACEMENT DES AUTOCOLLANTS D’AVERTISSEMENT; TABLE DES MATIÈRES
2 EMPLACEMENT DES AUTOCOLLANTS D’AVERTISSEMENT. . . . . . . . . . . . . . . . . . . . . . . . . . . . . . . . . . . . . . . . 2 PRÉCAUTIONS IMPORTANTES . . . . . . . . . . . . . . . . . . . . . . . . . . . . . . . . . . . . . . . . . . . . . . . . . . . . . . . . . . . . . . . 3 AVANT DE COMMENCER ....
Page 3 - PRÉCAUTIONS IMPORTANTES
3 1. Il est de la responsabilité du propriétaire de s’assurer que tous les utilisateurs du tapis de course sont suffisamment informés de tous les avertissements et de toutes les précautions. 2. Gardez toujours les enfants de moins de 16 ans et les animaux domestiques éloignés du tapis de course. 3. ...
Page 4 - CONSERVEZ CES INSTRUCTIONS
4 18. Ne faites jamais tourner la courroie mobile lorsque l’appareil est éteint. N’utilisez pas le tapis de course si le cordon d’alimentation ou la prise est endommagé(e), ou si le tapis de course ne fonctionne pas correctement. (Référez-vous à la section ENTRETIEN ET RÉSOLUTION DES PROBLÈMES à la ...
Page 5 - AVANT DE COMMENCER
5 Merci d’avoir choisi le nouveau tapis de course NORDICTRACK ® T 6.5 S. Le tapis de course T 6.5 S offre un éventail impressionnant de fonctionnalités conçues pour rendre vos séances d’entraînement à domicile plus efficaces et plus agréables. Il est important de lire attentivement ce manuel avant d...
Page 6 - TABLEAU D’IDENTIFICATION DES PIÈCES
6 TABLEAU D’IDENTIFICATION DES PIÈCES Utilisez les illustrations ci-dessous pour repérer les petites pièces nécessaires à l’assemblage. Le nombre entre parenthèses sous chaque illustration est le numéro-clé de la pièce dans la LISTE DES PIÈCES figurant à la fin de ce manuel. Le nombre après le numér...
Page 7 - ASSEMBLAGE
7 • Il faut être deux personnes pour assembler l’appareil. • Placez toutes les pièces sur un espace dégagé et retirez tout le matériel d’emballage. Ne jetez pas le matériel d’emballage avant d’avoir terminé toutes les étapes de l’assemblage. • Durant le transport, il est possible que du lubri- fiant...
Page 16 - COMMENT UTILISER LE TAPIS DE COURSE
16 COMMENT UTILISER LE TAPIS DE COURSE COMMENT BRANCHER LE CORDON D’ALIMENTATION Ce produit doit être relié à la terre. En cas de panne ou d’un mauvais fonctionnement, la mise à la terre offre une voie de moindre résistance au courant électrique pour réduire les risques de chocs élec- triques. Le co...
Page 25 - COMMENT PLIER ET DÉPLACER LE TAPIS DE COURSE
25 COMMENT PLIER LE TAPIS DE COURSE Pour éviter d’endommager le tapis de course, réglez l’inclinaison sur le niveau zéro avant de le plier. Ensuite, retirez la clé de la console et débran- chez le cordon d’alimentation. ATTENTION : vous devez être capable de soulever sans risque un poids de 20 kg po...
Page 26 - ENTRETIEN ET RÉSOLUTION DES PROBLÈMES
26 ENTRETIEN Un entretien régulier est important pour obtenir des performances optimales et limiter l’usure. Vérifiez et serrez correctement toutes les pièces du tapis de course chaque fois qu’il est utilisé. Remplacez immé- diatement toute pièce usée. N’utilisez que des pièces fournies par le fabri...
Page 29 - CONSEILS POUR L’EXERCICE
29 CONSEILS POUR L’EXERCICE Ces conseils pour l’exercice vous aideront à planifier votre programme d’exercice. Pour plus de détails sur l’exercice, procurez-vous un livre réputé sur le sujet ou consultez votre médecin. Gardez en tête qu’une alimentation équilibrée et un repos adéquat sont essentiels...
Page 30 - LISTE DES PIÈCES
30 Nº Qté Description Nº Qté Description LISTE DES PIÈCES N° du modèle NTL17915-INT.1 R0721A 1 10 Vis #8 x 1/2" 2 31 Vis #8 x 3/4" 3 2 Coussin de la Base 4 4 Vis de 1/4" x 1/2" 5 4 Rondelle Étoilée #10 6 1 Base 7 4 Vis de 3/8" x 2 3/8" 8 2 Vis de 5/16" x 3/4" 9 4 Vis ...
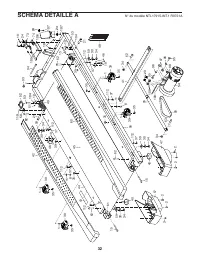
Page 32 - SCHÉMA DÉTAILLÉ A
32 60 62 15 15 42 62 10 49 56 34 30 59 21 45 48 61 30 34 59 62 43 44 21 53 104 46 11 2 11 2 11 2 19 19 46 39 1 37 34 30 59 34 30 59 39 1 37 1 39 1 39 2 57 2 40 40 47 2 2 37 11 2 11 2 11 2 37 37 37 35 35 35 35 35 35 35 35 35 15 10 2 8 34 63 41 26 34 62 8 11 11 94 93 62 11 0 52 53 104 51 50 10 24 73 7...
Page 34 - SCHÉMA DÉTAILLÉ C
34 85 11 28 84 87 79 79 58 81 87 4 9 5 9 5 11 28 10 14 14 14 14 14 23 4 89 17 17 33 77 81 33 6 102 13 13 22 22 102 18 18 10 31 82 91 38 83 90 38 91 101 100 13 7 13 31 7 13 13 7 13 77 111 3 12 3 111 12 SCHÉMA DÉTAILLÉ C N° du modèle NTL17915-INT.1 R0721A
Page 36 - COMMANDER DES PIÈCES DE RECHANGE; INFORMATIONS SUR LE RECYCLAGE
N° de la pièce 430255 R0721A Imprimé en Chine © 2021 ICON Health & Fitness, Inc. Pour commander des pièces de rechange, veuillez vous référer à la page de couverture de ce manuel. Pour une assistance plus efficace, préparez les informations suivantes avant de nous contacter : • le numéro du modè...