Page 1 - Conserver ce manuel à titre de référence ultérieure.; Conserve el presente manual para consultas futuras.; Table of Contents / Mesures de sécurité / Índice
Des questions, des problèmes, des pièces manquantes? Avant de retourner l’article au détaillant, communiquez avec le service à la clientèle au U.S.A: 1-800-913-8999, entre 8 h et 17 h HNP. Assurez- vous d’avoir votre numéro de série en main. Ce numéro se situe à l’intérieur de la porte avant de votr...
Page 2 - ATTENTION : Ce gril chauffe; Mesures de sécurité; AVERTISSEMENT
ATTENTION : Ce gril chauffe beaucoup pendant son utilisation. Ne pas le déplacer pendant qu'il fonctionne. Ne pas utiliser à l'intérieur. MISE EN GARDE : Ne pas utiliser d'alcool, d'essence ni de liquides semblables pour allumer ou réallumer le gril.AVERTISSEMENT : Garder loins des enfants et des an...
Page 3 - RÉSIDENTS DE CALIFORNIE SEULEMENT - AVERTISSEMENT:; Instrucciones de seguridad; ATENCIÓN: Este asador puede
5 Mesures de sécurité RÉSIDENTS DE CALIFORNIE SEULEMENT - AVERTISSEMENT: Ce produit et les combustibles qui sont utilisés pour son fonctionnement avec le (charbon ou bois) et les produits de combustion comme le fioul peuvent vous exposer à des produits chimiques, tels que le carbone noire, qui est c...
Page 21 - SP; Installation Final Check List
1. La parrilla de cocina y la parrilla de carbón son planas y descansan en la posición correcta. 2. El receptor de ceniza está montado correctamente.3. Las ventilas se pueden girar suavemente.4. Las piernas se mantienen firmes.5. Todo el paquete ha sido eliminado. SP 24 Installation Final Check List...
Page 22 - Consignes d‘allumage
AVERTISSEMENT Utilisez toujours des gants de cuisine pendant l'ajustement des niveaux de cuissons afin de protéger vos main de la chaleur. LISEZ TOUTES LES CONSIGNES DE SÉCURITÉ AVANT D'UTILISER VOTRE GRIL. Consignes pour l'allumage du charbon 1. 1Soulevez le couvercle du gril. 2. Soulevez la croche...
Page 23 - LISEZ TOUTES LES; Consignes d'utilisation et de cuisson
LISEZ TOUTES LES CONSIGNES DE SÉCURITÉ AVANT D'UTILISER VOTRE GRIL. AVERTISSEMENT : NE PAS utiliser le grill sans avoir mis en place le plateau des cendres de charbon. NE PAS essayer de retirer le plateau des cendres de charbon tant qu'il contient des braises chaudes. REMARQUE: Pour prolonger la vie...
Page 27 - Garantie limitée
Nexgrill garantit à l’acheteur-consommateur d’origine uniquement que ce produit (Modèle nº 810-0029 est exempt de défaut de fabrication et de matériaux après un assemblage correct et dans des conditions d'utilisation normales et raisonnables au domicile pendant les périodes indiquées ci-dessous à co...
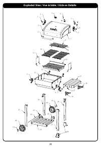
Page 29 - Liste des pièces
41 No. Description de la pièce Couverture de garantie (années) QTY 1 Vis de scène 1 4 2 Couvercle pour cheminée 1 4 3 Couvercle principal 1 1 4 Poignée du couvercle principal 1 1 5 Indicateur de température 1 1 6 Broche R 1 2 7 Charnière du couvercle principal 1 2 8 Vis du couvercle Principal 1 2 9 ...