Page 1 - SPÉCIFICATIONS
34 FRANÇAIS FRANÇAIS (Mode d’emploi original) SPÉCIFICATIONS Modèle : LS1219 LS1219L Diamètre de la lame 305 mm (12″) Diamètre de l’orifice 25,4 mm (1″) Épaisseur max. de découpe de la lame de scie 3,2 mm (1/8″) Angle d’onglet max. 60° à droite, 60° à gauche Angle de biseau max. 48° à droite, 48° à ...
Page 2 - Consignes de sécurité générales; Conservez toutes les mises en
35 FRANÇAIS CONSIGNES DE SÉCURITÉ Consignes de sécurité générales pour outils électriques MISE EN GARDE : Veuillez lire toutes les mises en garde, instructions, illustrations et spécifications qui accompagnent cet outil élec - trique. Ne pas suivre toutes les instructions de la liste ci-dessous peut...
Page 6 - Symboles
39 FRANÇAIS 10. Lors de la réalisation d’une coupe en glis- sière, un risque de REBOND est possible. Le REBOND se produit lorsque la lame se coince dans la pièce pendant la coupe et projette rapidement la lame de scie vers l’opérateur. La perte de contrôle et une grave blessure peuvent en résulter. ...
Page 7 - DESCRIPTION DES PIÈCES
40 FRANÇAIS DESCRIPTION DES PIÈCES 10 11 12 14 15 3 2 4 5 8 7 9 13 6 1 16 17 18 19 20 21 1 Tige de glissement 2 Broche de blocage (pour le glissement du chariot) 3 Étau vertical 4 Bouton de libération (pour angle de coupe en biseau du côté droit) 5 Support 6 Socle rotatif 7 Pointeur (pour angle de c...
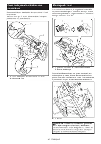
Page 8 - POSE; Pose du manche
41 FRANÇAIS 7 8 5 6 1 2 3 4 9 10 11 15 13 12 14 1 Gâchette 2 Bouton de sécurité 3 Trou pour cadenas 4 Interrupteur (pour raie laser) 5 Tuyau (pour l’aspiration des poussières) 6 Broche de blocage (pour l’élévation du chariot) 7 Garde de guidage (garde inférieur) 8 Garde de guidage (garde supérieur) ...
Page 10 - Plateaux de découpe
43 FRANÇAIS DESCRIPTION DU FONCTIONNEMENT MISE EN GARDE : Afin de régler ou de véri - fier le fonctionnement de l’outil, assurez-vous toujours qu’il est éteint et débranché. Si vous n’éteignez pas et ne débranchez pas l’outil, un démarrage accidentel peut entraîner une grave blessure. Protège-lame 1...
Page 11 - Maintien de la capacité de coupe
44 FRANÇAIS 1 ► 1. Plateau de découpe 1 2 3 4 6 5 ► 1. Coupe en biseau gauche 2. Coupe rectiligne 3. Coupe en biseau à droite 4. Lame de scie 5. Dents de la lame 6. Plateau de découpe Débranchez d’abord l’outil. Desserrez toutes les vis (2 de chaque côté) qui retiennent les plateaux de découpe, jusq...
Page 12 - Bras de blocage
45 FRANÇAIS 1 3 2 ► 1. Face supérieure du socle rotatif 2. Bord de la lame 3. Garde de guidage Avec l’outil débranché, tournez la lame manuellement tout en maintenant la poignée complètement abais- sée, pour être sûr que la lame n’entre en contact avec aucune partie du socle inférieur. Au besoin, ef...
Page 15 - Frein électrique; Fonction électronique
48 FRANÇAIS 1 2 3 ► 1. Gâchette 2. Bouton de sécurité 3. Trou pour cadenas Un bouton de sécurité est fourni pour prévenir la pres- sion accidentelle sur la gâchette. Pour faire démarrer l’outil, enfoncez le bouton de sécurité et appuyez sur la gâchette. Pour l’arrêter, libérez la gâchette. Un trou a...
Page 16 - ASSEMBLAGE; Rangement de la clé hexagonale
49 FRANÇAIS Alignement de la raie laser Alignez sur la raie laser la ligne de coupe de votre pièce à travailler. A B A) Pour obtenir la bonne taille du côté gauche de la pièce à travailler, déplacez la raie laser du côté gauche de la lame. B) Pour obtenir la bonne taille du côté droit de la pièce à ...
Page 19 - Gardes de guidage; Étau vertical
52 FRANÇAIS Gardes de guidage MISE EN GARDE : Avant d’utiliser l’outil, assurez-vous que le garde supérieur est ferme- ment fixé. MISE EN GARDE : Avant la coupe en biseau, assurez-vous qu’aucune pièce de l’outil, et tout spécialement la lame, ne touche les gardes supérieurs et inférieurs lorsque vou...
Page 20 - Étau horizontal; Supports; UTILISATION
53 FRANÇAIS NOTE : Pour un réglage rapide de la pièce à travail- ler, tourner le bouton de l’étau de 90° dans le sens contraire des aiguilles d’une montre permet de le déplacer vers le haut et le bas. Pour fixer la pièce à travailler une fois celle-ci en place, tournez le bouton de l’étau dans le se...
Page 21 - Coupe sous presse
54 FRANÇAIS AVIS : Avant l’utilisation, veillez à déverrouiller la broche de blocage et à libérer la poignée de la position abaissée. AVIS : Pendant la coupe, n’appliquez pas une pression excessive sur la poignée. L’application d’une trop grande force peut entraîner une sur- charge du moteur et/ou r...
Page 22 - Coupe mixte; Coupe des plinthes
55 FRANÇAIS Coupe d’onglet Référez-vous à la section précédente intitulée « Réglage de l’angle de coupe d’onglet ». Coupe en biseau MISE EN GARDE : Avant d’utiliser l’outil- suite au réglage de la lame pour une coupe en biseau, assurez-vous que rien n’entrave la course du chariot et de la lame sur t...
Page 25 - Réglages d’angles combinés de coupe d’onglet et de coupe en biseau
58 FRANÇAIS Réglages d’angles combinés de coupe d’onglet et de coupe en biseau Angle de la moulure couronnée par rapport au mur : 52°/38° 30.1 29.7 29.4 29.0 28.7 28.3 28.0 27.6 27.2 26.9 26.5 26.1 25.8 25.4 25.0 24.7 24.3 23.9 23.6 23.2 22.8 22.5 22.1 21.7 21.3 21.0 20.6 20.2 19.8 19.5 19.1 18.7 18...
Page 27 - Butée de moulure couronnée
60 FRANÇAIS Butée de moulure couronnée Accessoire en option Les butées de moulure couronnée facilitent la coupe des moulures couronnées sans inclinaison de la lame de scie. Installez-les sur le socle rotatif tel qu’indiqué sur les illustrations. Angle de coupe d’onglet 45° à droite 1 2 3 4 ► 1. Buté...
Page 28 - Rainurage
61 FRANÇAIS Coupe des profilés d’aluminium 3 2 5 1 4 ► 1. Étau 2. Cale d’espacement 3. Garde de guidage 4. Profilé d’aluminium 5. Cale d’espacement Pour immobiliser les profilés d’aluminium, utilisez des cales d’espacement ou des retailles de bois, tel qu’illus- tré, pour prévenir la déformation de ...
Page 30 - Transport de l’outil; ENTRETIEN
63 FRANÇAIS 1 2 3 4 ► 1. Garde supérieur 2. Étau vertical 3. Pièce à tra- vailler 4. Plateforme 8. Coupez lentement à travers la pièce en suivant la procédure intitulée « Coupe en glissière (poussée) (coupe de grandes pièces) ». MISE EN GARDE : Assurez-vous que la pièce est fixée à l’aide de l’étau,...
Page 31 - Angle de coupe en biseau 0°
64 FRANÇAIS Réglage de l’angle de coupe L’outil est soigneusement réglé et aligné en usine, mais cet alignement peut être éventuellement affecté s’il est manipulé avec brutalité. Si l’outil n’est pas bien aligné, suivez la procédure suivante : Angle de coupe d’onglet Descendez complètement la poigné...
Page 32 - Angle de coupe en biseau 45°; Réglage de la position de la raie
65 FRANÇAIS Angle de coupe en biseau 45° AVIS : Avant de régler l’angle de coupe en biseau 45°, achevez le réglage de l’angle de coupe en biseau 0°. Desserrez le bouton et inclinez complètement le chariot du côté que vous voulez vérifier. Vérifiez si le pointeur indique la position 45° sur l’échelle...
Page 33 - Nettoyage de la lentille de lumière; Remplacement des charbons
66 FRANÇAIS Réglage de la raie laser du côté gauche de la lame 4 5 1 3 2 ► 1. Vis de réglage 2. Vis de réglage de la plage 3. Clé hexagonale 4. Raie laser 5. Lame de scie Réglage de la raie laser du côté droit de la lame 1 4 2 3 5 ► 1. Vis de réglage 2. Vis de réglage de la plage 3. Clé hexagonale 4...
Page 34 - Après l’utilisation; ACCESSOIRES EN; GARANTIE LIMITÉE MAKITA
67 FRANÇAIS 1 ► 1. Capuchon de porte-charbon Après avoir remplacé les charbons, branchez l’outil et rodez-les en faisant fonctionner l’outil à vide pendant environ 10 minutes. Vérifiez ensuite le bon fonctionne- ment de l’outil, ainsi que l’activation du frein électrique lors de la libération de la ...