Makita LS1219L - Manuels

model-name

Scie à onglet Makita LS1219L - Manuel d'utilisation en ligne au format PDF.

1 Page 1
2 Page 2
3 Page 3
4 Page 4
5 Page 5
6 Page 6
7 Page 7
8 Page 8
9 Page 9
10 Page 10
11 Page 11
12 Page 12
13 Page 13
14 Page 14
15 Page 15
16 Page 16
17 Page 17
18 Page 18
19 Page 19
20 Page 20
21 Page 21
22 Page 22
23 Page 23
24 Page 24
25 Page 25
26 Page 26
27 Page 27
28 Page 28
29 Page 29
30 Page 30
31 Page 31
32 Page 32
33 Page 33
34 Page 34
35 Page 35
36 Page 36
37 Page 37

Résumé

Page 1 - SPÉCIFICATIONS

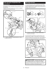
34 FRANÇAIS FRANÇAIS (Mode d’emploi original) SPÉCIFICATIONS Modèle : LS1219 LS1219L Diamètre de la lame 305 mm (12″) Diamètre de l’orifice 25,4 mm (1″) Épaisseur max. de découpe de la lame de scie 3,2 mm (1/8″) Angle d’onglet max. 60° à droite, 60° à gauche Angle de biseau max. 48° à droite, 48° à ...

Page 2 - Consignes de sécurité générales; Conservez toutes les mises en

35 FRANÇAIS CONSIGNES DE SÉCURITÉ Consignes de sécurité générales pour outils électriques MISE EN GARDE : Veuillez lire toutes les mises en garde, instructions, illustrations et spécifications qui accompagnent cet outil élec - trique. Ne pas suivre toutes les instructions de la liste ci-dessous peut...

Page 6 - Symboles

39 FRANÇAIS 10. Lors de la réalisation d’une coupe en glis- sière, un risque de REBOND est possible. Le REBOND se produit lorsque la lame se coince dans la pièce pendant la coupe et projette rapidement la lame de scie vers l’opérateur. La perte de contrôle et une grave blessure peuvent en résulter. ...

Makita Scies à onglets Manuels