Page 4 - FR; AVANT; �li; SOMMAIRE
FR AVANT COMMENCER Pour vous aider à �r er le meilleur par � de votre nouvelle perceuse magné � que, ce guide donne des conseils simples et judicieux pour assurer une u �li sa �o n sûre, e ffi cace et durable de l'équipement. Veuillez lire a� en � vement ce qui suit avant d'u �li ser la perceuse. • As...
Page 5 - Capacité de coupe; LE CONCEPT DE COUPE À LA BROCHE
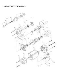
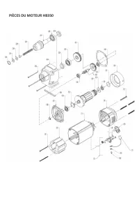
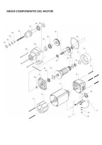
FR DESCRIPTION FONCTIONNELLE DE LA PERCEUSE HB350 Capacité de coupe - 1,3/8" Capacité du mandrin - ½" Vitesse à vide - 850 tr/min Consommation d'énergie - 1 050 w Force de serrage - 8 000 N (1 800 lb) L x H x l - 8,7/8" x 19,5/16" x 7,11/16" Poids - 26 lb Tension - 120 V I NCLUT ...
Page 7 - et pour la soutenir.
FR 3. Évitez tout démarrage accidentel. Assurez-vous que l'interrupteur est en position d'arrêt avant de brancher l'outil. Le fait de tenir un outil avec le doigt sur l'interrupteur ou de brancher un outil dont l'interrupteur est en position de marche est propice aux accidents. 4. Retirez les clés d...
Page 9 - MATÉRIAUX ET VITESSES DE COUPE
FR MATÉRIAUX ET VITESSES DE COUPE • La facilité avec laquelle le matériau peut être percé dépend de plusieurs facteurs, dont la résistance à la traction et à l'abrasion. Tandis que la dureté et/ou la résistance représentent les critères habituels, il peut y avoir d'importantes variations d'usinabili...
Page 10 - AVANCES ET VITESSES; ss
FR AVANCES ET VITESSES VITESSES DE COUPE Vitesses suggérées pour di ff érentes tailles de fraises/di ff érents matériaux VITESSE D'AVANCE DE L'OUTIL (Unités métriques) MATÉRIAU Vitesse d'avance (mm/min) Diamètre de la fraise (mm) Diamètre de la fraise (pouces) ALUMINIUM - 60 LAITON - 45 ACIER DOUX - 2...
Page 11 - INSTALLATION DE LA PROTECTION DE SÉCURITÉ; INSTALLATION DU FLACON D'HUILE; INSTALLATION DE LA CHAÎNE DE SÉCURITÉ; INSTRUCTIONS RELATIVES À LA CHAÎNE DE SÉCURITÉ
INSTALLATION DE LA PROTECTION DE SÉCURITÉ INSTRUCTIONS RELATIVES À LA PROTECTION DE LA PERCEUSE Assurez-vous que la perceuse est isolée de l'alimentation électrique. Installez la protection sur la perceuse comme indiqué. Pendant le perçage, la protection doit toujours être en contact avec la surface...
Page 12 - INSTALLATION DE LA FRAISE; Inser; fla; Remarque
INSTALLATION DE LA FRAISE Inser � on de la � ge pilote • La � ge pilote sert à la fois à centrer la fraise et à éjecter le fragment indésirable une fois la coupe terminée. Elle possède un côté plat pour perme � re au liquide de refroidissement de s'écouler et d' a� eindre le centre de la coupe, là o...
Page 13 - FONCTIONNEMENT; Alimentation
FONCTIONNEMENT 1) Alimentation Assurez-vous que la perceuse est alimentée et qu'elle peut fonctionner en toute sécurité. 2) Aimant activé Pour activer ou désactiver l'aimant, utilisez l'interrupteur magnétique comme illustré. 3) Moteur allumé Appuyez sur l'interrupteur VERT pour mettre le moteur en ...