Page 2 - Your safety and the safety of others are very important.; DANGER
2 TABLE OF CONTENTS TABLE DES MATIÈRES HOOD SAFETY You can be killed or seriously injured if you don't immediately You can be killed or seriously injured if you don't follow All safety messages will tell you what the potential hazard is, tell you how to reduce the chance of injury, and tell you what...
Page 4 - SÉCURITÉ DE LA HOTTE; Votre sécurité et celle des autres est très importante.; AVERTISSEMENT
17 SÉCURITÉ DE LA HOTTE Risque possible de décès ou de blessure grave si vous ne suivez pas immédiatement les instructions. Risque possible de décès ou de blessure grave si vous ne suivez pas les instructions. Tous les messages de sécurité vous diront quel est le danger potentiel et vous disent comm...
Page 5 - IMPORTANTES INSTRUCTIONS DE SÉCURITÉ; LIRE ET CONSERVER CES INSTRUCTIONS
18 IMPORTANTES INSTRUCTIONS DE SÉCURITÉ LIRE ET CONSERVER CES INSTRUCTIONS AVERTISSEMENT : POUR RÉDUIRE LE RISQUE D'INCENDIE, CHOC ÉLECTRIQUE OU DOMMAGES CORPORELS, RESPECTER LES INSTRUCTIONS SUIVANTES : ■ Utiliser cet appareil uniquement dans les applications envisagées par le fabricant. Pour toute...
Page 6 - EXIGENCES D’INSTALLATION; Outils et pièces; Exigences d’emplacement
19 EXIGENCES D’INSTALLATION Outils et pièces Rassembler les outils et pièces nécessaires avant d’entreprendre l’installation. Lire et observer les instructions fournies avec chacun des outils de la liste ci-dessous. Outils nécessaires ■ Niveau ■ Perceuse avec forets de 1 ¼ po (3 cm), 3/8 po (9,5 mm)...
Page 7 - Exigences concernant
20 Cette hotte a été configurée à l’usine pour une décharge à travers le toit.Pour une installation sans décharge à l’extérieur (recyclage), voir le point « Installations sans décharge à l’extérieur (recyclage) » à la section « Assembler et installer la hotte ». La trousse de recyclage (numéro de pi...
Page 8 - Spécifications électriques
21 Installations dans les régions au climat froid Un clapet anti-reflux additionnel devrait être installé pour minimiser le reflux d’air froid et une barrière thermique devrait aussi être installée pour minimiser la conduction des températures extérieures par l’intermédiaire du conduit d’évacuation....
Page 9 - INSTRUCTIONS D’INSTALLATION; Préparation de l’emplacement
22 ■ Cet appareil doit être relié à la terre. Au cas où un court-circuit se produirait, la liaison à la terre réduit le risque de choc électrique en permettant au courant de s’échapper directement vers la terre. AVERTISSEMENT : Une mise à la terre incorrecte peut entraîner un risque de choc électriq...
Page 10 - Assembler et installer la hotte
23 REMARQUE : Pour une meilleure manipulation de la hotte, avant de procéder à l’installation, retirer le panneau d’aspiration périphérique et le filtre à graisse, comme indiqué à la figure, étapes 1, 2, 3 et 4. 3. Pour les installations avec décharge à l’extérieur uniquement : À l’aide d’une scie s...
Page 13 - Raccordement électrique
26 Raccordement électrique AVERTISSEMENT Risque de choc électrique Déconnecter la source de courant électrique avant l'entretien.Replacer pièces et panneaux avant de faire la remise en marche.Le non-respect de ces instructions peut causer un décès ou un choc électrique. 1. Débrancher l’alimentation....
Page 14 - Installation des cache-conduits
27 Installation des cache-conduits REMARQUE : Enlever la pellicule des cache-conduits. 1. Assembler les parties supérieures des cache-conduits ensemble, puis installer les cache-conduits autour du cadre de support. Le trou le plus gros sur les rebords de la partie supérieure du cache-conduit doit se...
Page 16 - UTILISATION DE LA HOTTE; Commandes et caractéristiques
29 UTILISATION DE LA HOTTE La hotte est conçue pour extraire fumée, vapeurs de cuisson et odeurs de la zone de la table de cuisson. Pour des résultats optimaux, mettre la hotte en marche avant d’entreprendre une cuisson, et la laisser fonctionner pendant plusieurs minutes après une cuisson afin d’év...
Page 17 - ENTRETIEN DE LA HOTTE; Instructions aux utilisateurs sur l’entretien et la maintenance
30 Minuterie La hotte peut être réglée pour s’éteindre automatiquement après 15 minutes. 1. Maintenir appuyé le bouton de la vitesse de ventilateur désirée pendant 2 secondes.Le moteur du ventilateur fonctionne alors à la vitesse sélectionnée pendant 15 minutes et le témoin lumineux de la vitesse du...
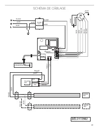
Page 18 - SCHÉMA DE CÂBLAGE
31 SCHÉMA DE CÂBLAGE JA/VE NOIR GRIS BLANC JA/VE NOIR NOIR JA/VE BLANC FILTRE R.F.I. JAUNE MARRON ROUGE BLEU BLANC CARTE PRINCIPALE BLANC - 1 NOIR - 3 GRIS - 3 ROUGE - 4 BLEU - 5 BLANC - 2NOIR - 1 INTERFACE UTILISATEUR NOIR ROUGE MARRON ROUGE PILOTE DEL MARRON - 1 ROUGE - 3 BARRE DEL BARRE DEL NOIR ...
Page 19 - ASSISTANCE OU SERVICE; Au Canada; Accessoires
32 ASSISTANCE OU SERVICE Si vous avez besoin de pièces de rechange Pour commander des pièces de rechange, nous vous recommandons d’utiliser seulement des pièces spécifiées par l’usine. Les pièces spécifiées par l’usine conviendront et fonctionneront bien, car elles sont fabriquées selon la même préc...