Page 7 - SÉCURITÉ; DANGER; INFORMATIONS GÉNÉRALES; Manuel de l’utilisateur; Directives d’installation, d’emploi et d’entretien; Date
SÉCURITÉ DÉFINITIONS ________________________________________ • DANGER OCCASIONNERA la MORT, des BLESSURES ou desdégâts matériels considérables . • MISE ENGARDE POURRA occasionner la MORT, des BLESSURES oudes dégâts matériels considérables . • ATTENTION OCCASIONNERA ou POURRA occasionner des BLESSUR...
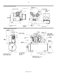
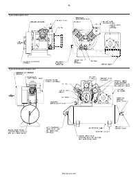
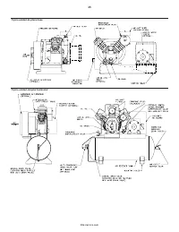
Page 8 - RÉCEPTION ET INSPECTION; REMARQUE; CONSIDERATIONS EN MATIERE DE BRUIT.
culasse. Pendant la course ascendante du/des pistons de premierétage, l’air est comprimé à une pression intermédiaire et refoulé viala/les soupapes de décharge dans des manifolds communs. Au niveaudes collecteurs, l’air passe dans les tubes de refroidisseurintermédiaire, où la chaleur de compression...
Page 9 - DISPOSITIFS À MOTEUR ÉLECTRIQUE.; Boulonner le dispositif; DISPOSITIFS À MOTEUR À ESSENCE.; ATTENTION Ne pas utiliser l’appareil sans filtre d’aspiration; LUBRIFIANT SYNTHÉTIQUE POUR COMPRESSEUR; Canalisation d’admission à distance typique.
MONTAGE __________________________________________ • MISE ENGARDE Avant d’effectuer le montage, enlever lecompresseur de la cale. DISPOSITIFS À MOTEUR ÉLECTRIQUE. Boulonner le dispositif sur une base solide et de niveau (comme un plancher de béton). Nepas boulonner solidement des pieds non-nivelés à...
Page 10 - PROCÉDURES DE RACCORDEMENT :
CANALISATIONS DE REFOULEMENT DU CONDENSAT. Si une canalisation de refoulement du condensat doit être installée, s’assurer que lediamètre de ses tuyaux est supérieur à celui du raccord d’au moins unecatégorie, que son circuit est le plus court et le plus direct possible, qu’elleest fixée solidement e...
Page 11 - MODE D’EMPLOI
• MISE ENGARDE Enlever le câble de la borne négative (-) de la batterieavant de procéder à l’entretien . Consulter les instructions du fabricant du dispositif pour de plus amplesinformations . INSTALLATION D’UNE POMPE À CARBURANT(DISPOSITIFS À MOTEUR À ESSENCE) _________________ Certains moteurs uti...
Page 12 - RÉGULATION DE VITESSE CONSTANTE.
Une limite de temps de remplissage suivie d’une période derefroidissement est recommandée pour protéger les soupapes et lesculasses contre des températures de service élevées stabilisées, ce quipourrait entraîner une accumulation rapide de carbone dans ces pièces . Toute question concernant les appl...
Page 13 - COMMANDES DE RÉGLAGE.; Réglage de plage de pressostat.
• ATTENTION Ne pas faire fonctionner sans charge pour plus de 20 minutes par heure ou plus de 15 minutescontinuellement sous une régulation de vitesseconstante pour éviter d’entraîner le pompage de l’huile . RÉGLAGE DU PRESSOSTAT __________________________ • MISE ENGARD Lorsque le bloc d’alimentatio...
Page 14 - DÉRIVATION DE RENIFLARD/DISPOSITIF DE DÉLESTAGE; ENTRETIEN
RÉGLAGE DE LA SOUPAPE PILOTE ___________________ Si la conduite de soupape pilote est excessivement chaude, celaindique probablement que la soupape pilote fuit et que des réglagessont nécessaires. Pour effectuer le réglage de la soupape pilote, procéder comme suit : 1. Mettre le dispositif en arrêt ...
Page 15 - PROGRAMME D’ENTRETIEN; — ou —; VÉRIFICATION DE LA TENSION.
REMARQUE Le programme d’entretien suivant a été développé pourune application type. La fréquence des entretiens devraaugmenter dans des conditions plus difficiles. PROGRAMME D’ENTRETIEN l Vérifier s’il y a des fuits d’huile . Tous les joursou avantchaque miseen marche l Vérifier le niveau de lubrifi...
Page 16 - ATTENTION Un alignement incorrect de la poulie et du volant ou un; REMARQUE : le programme d’entretien suivant a été développé; PROGRAMME D’ENTRETIEN DE LA SOUPAPE DE PURGE; Pour nettoyer la crépine, effectuer la procédure suivante :
Suivre les procédures décrites ci-dessous pour régler et mesurercorrectement la tension sur les modèles de 7,5 à 30 HP 2545, 7100,15T et 3000 munis de types de courroie “B” et “C” . 1. Mesurer la longueur de portée (t) du dispositif . 2. Déterminer la valeur de déflexion (en pouces) requise pour mes...
Page 17 - DÉPANNAGE; DÉPANNAGE DU ROBINET DE PURGE ÉLECTRIQUE; Problème possible
11 PROBLÈME POINT DE CONTRÔLE Usure anormale des pistons, des segments ou des cylindres 4, 8, 9, 19, 28, 35 Chute du débit d’air 1, 6, 15, 16, 18, 19, 29 Soupape de purge automatique qui coule ou ne se vidange pasautomatiquement 16 Soupape auxiliaire qui vibre ou qui fuit au niveau de la tige 23, 24...
Page 19 - TABLEAU DE COUPLE DE TORSION; DIAGRAMMES ET TABLEAUX
13 TABLEAU DE COUPLE DE TORSION 2340 2475 2545 7100 15T 3000 Boulons à tête haute pression 75 75 75 75 75 75 Boulons à tête basse pression 75 75 75 75 75 75 Boulons de bride de vérin 30 50 50 50 50 50 Boulons de couvercle de bâti 17 17 17 20 20 20 Boulons de couvercle de palier 17 17 17 20 20 20 Vis...
Page 20 - DIAGRAMMES DES CÂBLES ÉLECTRIQUES
14 Câblage triphasé A À l’alimentation C Câblage pour la soupape de drainage él;ectriqueen option EDV Soupape de drainage électrique T Borne de ligne d’alimentation L Borne de charge FU Fusible de circuit de commande CHTA Contacteur haute température d’air (#) CBNH Contacteur bas niveau d’huile (#) ...