Page 4 - produits chimiques comprennent :
200-3212 11 - FR 200-3030 CONSIGNES DE SÉCURITÉ ..................................... 11-13 VUE D’ENSEMBLE ......................................................... 13 ASSEMBLAGE ................................................................ 13 COMMANDES DU COMPRESSEUR ...............................
Page 5 - CALIFORNIE PROPOSITION 65 AVERTISSEMENT:; DIRECTIVES DE SÉCURITÉ IMPORTANTES
200-3212 12 - FR 200-3030 RISQUE DE BLESSURE AUX YEUX. Toujours porter des lunettes de sécurité répondant à la norme ANSI Z87.1 lors de l’utilisation d’un compresseur à air. Ne jamais pointer l’embout ou le vaporisateur vers une personne, un animal ou une partie du corps. L’équipement peut provoquer...
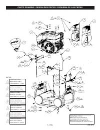
Page 6 - moteur à essence; VUE D’ENSEMBLE; ÉLÉMENTS DE BASE DU COMPRESSEUR D’AIR; ASSEMBLAGE; ASSEMBLAGE DU COMPRESSEUR
200-3212 13 - FR 200-3030 DIRECTIVES DE SÉCURITÉ IMPORTANTES Les éléments de base du compresseur d’air sont le moteur à essence, la pompe, le réservoir et le régulateur de pression. Le moteur à essence (voir A ) actionne la pompe. . La pompe (voir B ) comprime l’air et le décharge dans le réservoir....
Page 7 - Soupape de décharge de pression du réservoir; COMMANDES DU COMPRESSEUR; RODAGE DE LA POMPE; Fermer le robinet de purge situé en bas du réservoir (voyez; enfants s’approcher du compresseur.; MODE D’EMPLOI
200-3212 14 - FR 200-3030 Soupape de décharge de pression du réservoir (voyez A ) Si la valve de déchargeur ne s’ouvre pas quand la pres- sion atteint le niveau de préréglage, cette valve sautera ouvert automatiquement pour empêcher la surpression. Pour l’actionner manuellement, tirez sur l’anneau d...
Page 8 - ENTRETIEN; VIDANGE DU RÉSERVOIR
200-3212 15 - FR 200-3030 RÉPÉTÉE MISE EN MARCHE Mettez le levier du régulateur de pression sur la position démarrent (voyez A ) pour libérer la pression dans la pompe et les conduites. Cette procédure est importante car s’il reste de l’air dans la pompe, cela crée un blocage qui rend la remise en r...
Page 10 - DÉPANNAGE
200-3212 17 - FR 200-3030 PROBLÈME CAUSE POSSIBLE SOLUTION Pression de décharge insuffisante Robinet de purge ouvert Fermez la robinet de purge Fuite de raccords Vérifiez les raccords aved de l’eau savonneuse. Resserrez ou étanchéifiez de nouveau les raccords qui ont des fuites. NE SERREZ PAS TROP. ...
Page 11 - PARTS AND SERVICE
Replacement parts and service are available from your nearest authorized Service Center. If the need arises, contact Product Service as listed at right. When consulting with a Service Center or Product Ser- vice, refer to the model number and serial number located on the serial label of the compress...