Page 11 - AVERTISSEMENTS GÉNÉRAUX SUR LA
FRAnçAis 20 LES DIRECTIVES POUR UN USAGE ULTÉRIEUR Le terme « outil électrique » cité dans les avertissements se rapporte à votre outil électrique à alimentation sur secteur (avec fil) ou par piles (sans fil). 1) Sécurité du lieu de travail a ) Tenir l’aire de travail propre et bien éclairée. Les li...
Page 12 - ) Utilisation et entretien du bloc‐piles
FRAnçAis 21 d ) Ranger les outils électriques hors de la portée des enfants et ne permettre à aucune personne n’étant pas familière avec un outil électrique ou son mode d’emploi d’utiliser cet outil. Les outils électriques deviennent dangereux entre les mains d’utilisateurs inexpérimentés. e ) Garde...
Page 13 - Consignes de sécurité supplémentaires
FRAnçAis 22 L’étiquette sur votre outil peut comporter les symboles suivants. Les symboles et les définitions sont les suivants : V ......................... voltsHz ....................... hertzmin ..................... minutes ou CC ..... courant continu ...................... Structure de classe ...
Page 14 - Recommandations d’entreposage; LISEZ TOUTES LES INSTRUCTIONS; PILES ET CHARGEURS
FRAnçAis 23 ou excéder 40 °C (104 °F) (comme les remises extérieures ou les édifices en métal durant l’été). Pour une meilleure durée de vie, entreposez le bloc‑piles dans un endroit frais et sec. REMARQUE : Ne pas ranger les blocs‑piles dans un outil avec la gâchette verrouillée. Ne jamais coller l...
Page 15 - Le sceau RBRC®; Transport
FRAnçAis 24 Consignes de sécurité importantes pour tous les chargeurs de piles AVERTISSEMENT : lisez toutes les consignes de sécurité, les instructions et les symboles d’avertissements du bloc‑piles, du chargeur et du produit. Ne pas suivre les avertissements et les instructions peut entraîner un ch...
Page 16 - Système de protection électronique; Remarques importantes sur la charge
FRAnçAis 25 bloc‑piles dans un centre de services autorisé si le(s) voyant(s) reste(nt) éteint(s). REMARQUE : Consultez l’étiquette près du (des) voyant(s) de chargement sur le chargeur pour les modèles de clignotement. Les vieux chargeurs peuvent avoir des renseignements supplémentaires et/ou peuve...
Page 17 - Aucun volt; Introduction; CONSERVEZ CES INSTRUCTIONS POUR; Instructions de nettoyage du chargeur
FRAnçAis 26 ATTENTION : avant de brancher l’outil à une source d’alimentation, appuyez et relâchez l’interrupteur à palette 1 ) une fois pour vous assurer que l’interrupteur est éteint. Appuyez et relâchez l’interrupteur à palette comme décrit ci‑dessus après toute interruption de l’alimentation é...
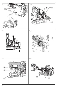
Page 18 - Surface de repérage inférieure; Les commandes
FRAnçAis 27 Réglage fin de la profondeur (Fig. K) Il peut arriver que vous souhaitiez laisser un peu de jeu dans votre joint afin de pouvoir le déplacer légèrement avant que la colle ne prenne. Pour ces cas, un réglage fin de la profondeur a été prévu. Pour le régler, vous devez d’abord relever le g...
Page 19 - Utilisation; FONCTIONNEMENT
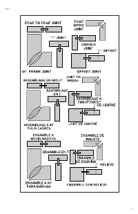
FRAnçAis 28 Utilisation Les fraiseuses à lamelles sont principalement utilisées pour la fabrication d’armoires et de meubles, l’assemblage de menuiseries ou d’autres applications similaires nécessitant un joint solide et précis en bois ou en sous‑produits du bois. Il existe littéralement des centain...
Page 20 - Assemblage des joints; Effectuer la coupe
FRAnçAis 29 Assemblage des joints Une fois vos joints coupés, vous souhaiterez peut‑être faire des essais d’assemblage avant de les coller. Lorsque vous êtes satisfait de vos joints, appliquez uniformément de la colle à bois de bonne qualité dans chaque fente ainsi que sur les surfaces plates corres...
Page 26 - li‐
NA078597 02/22 D e WALT Industrial Tool Co. 701 East Joppa Road, Towson, MD 21286 Copyright © 2022 The following are trademarks for one or more D e WALT power tools: the yellow and black color scheme, the “D” shaped air intake grill, the array of pyramids on the handgrip, the kit box configuration, ...