Page 8 - ) Sécurité du lieu de travail; AVERTISSEMENTS GÉNÉRAUX SUR LA; CONSERVER TOUS LES AVERTISSEMENTS; Définitions: symboles et mentions d'alerte
FRAnçAis 18 1) Sécurité du lieu de travail a ) Tenir l’aire de travail propre et bien éclairée. Les lieux encombrés ou sombres sont propices aux accidents. b ) Ne pas faire fonctionner d’outils électriques dans un milieu déflagrant, tel qu’en présence de liquides, de gaz ou de poussières inflammable...
Page 9 - ) Utilisation et entretien du bloc-piles
FRAnçAis 19 pièces mobiles sont mal alignées ou coincées, si des pièces sont brisées ou présentent toute autre condition susceptible de nuire au bon fonctionnement de l’outil électrique. En cas de dommage, faire réparer l’outil électrique avant toute nouvelle utilisation. Beaucoup d’accidents sont c...
Page 10 - Renseignements de sécurité
FRAnçAis 20 Renseignements de sécurité supplémentaires ATTENTION : ne jamais modifier l’outil électrique ou toute pièce celui‑ci. Cela pourrait entraîner des dommages matériels ou des blessures corporelles. ATTENTION : TOUJOURS utiliser des lunettes de sécurité. Les lunettes de tous les jours NE SON...
Page 11 - LISEZ TOUTES LES INSTRUCTIONS; Consignes de sécurité importantes pour; PILES ET CHARGEURS
FRAnçAis 21 LISEZ TOUTES LES INSTRUCTIONS Consignes de sécurité importantes pour les blocs‑piles AVERTISSEMENT : lisez toutes les consignes de sécurité, les instructions et les symboles d’avertissement du bloc-piles, du chargeur et du produit. Ne pas suivre les avertissements et les instructions peu...
Page 14 - ASSEMBLAGE ET A JUSTEMENTS; Montage mural; CONSERVER TOUS LES; Instructions de nettoyage du chargeur; Remarques importantes sur la charge
FRAnçAis 24 ASSEMBLAGE ET A JUSTEMENTS AVERTISSEMENT : afin de réduire le risque de blessure corporelle grave, éteignez l’outil et retirez le bloc-piles avant d’effectuer tout ajustement ou de retirer/installer des pièces ou des accessoires, lorsque vous remplacez ou avant de nettoyer. Un démarrage ...
Page 15 - Butée de tourelle à plusieurs positions; Retrait d’une mèche; Ajuster la profondeur de toupillage en
FRAnçAis 25 Butée de tourelle à plusieurs positions (Fig. H) AVERTISSEMENT : ne pas changer la butée de tourelle à plusieurs positions que la toupie fonctionne. Cela placera vos mains trop près de la tête de mèche. La butée de tourelleà plusieurs positions 13 limite la distance sur laquelle l’outi...
Page 16 - FONCTIONNEMENT
FRAnçAis 26 FONCTIONNEMENT AVERTISSEMENT : afin de réduire le risque de blessure corporelle grave, éteignez l’appareil et retirez le bloc-piles avant d’effectuer tout ajustement ou de retirer/installer des pièces ou des accessoires. Un démarrage accidentel provoquer une blessure. ATTENTION : avant d...
Page 17 - Fonction de démarrage progressif
FRAnçAis 27 Cadran de vitesses variables (Fig. A) AVERTISSEMENT : si le cadran de vitesses variables cesse de fonctionner ou s’il est intermittent, cessez immédiatement d’utiliser l’outil. Apportez‑la dans un centre de services autorisé de l’usine D e WALT ou un centre de services autorisé D e WALT ...
Page 18 - Moulure en bois naturel; Avancée
FRAnçAis 28 Lampes de travail à DEL (Fig. A, T) ATTENTION : ne pas fixer la lampe de travail. Cela peut causer une grave blessure oculaire. Deux lampes de travail à DEL 44 sont située à proximité de la pince 12 . 1. Pour allumer la lampe de travail, appuyez sur la gâchette marche/arrêt 3 . Les l...
Page 19 - Réglage fin de la profondeur de toupillage
FRAnçAis 29 Centrage du socle (Fig. A, M) Si vous devez ajuster, changer ou remplacer un socle, il est recommandé d’utiliser un outil de centrage (voir Accessoires ). L’outil de centrage consiste en un cône de centrage. Pour ajuster le socle, suivez les étapes ci‑dessous. 1. Dévissez sans les retire...
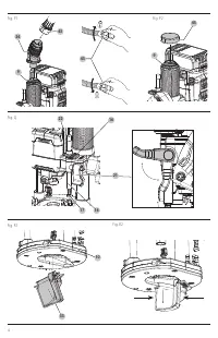
Page 20 - Puce Tool Connect; ENTRETIEN; Adaptateur de collecteur de copeaux pour
FRAnçAis 30 Puce Tool Connect TM (Fig. V) AVERTISSEMENT : afin de réduire le risque des blessures corporelles graves, éteignez l’outil et retirez le blocs-piles avant d’effectuer tout réglage ou de retirer/installer des pièces ou des accessoires. Un démarrage accidentel peut causer des blessures. Vo...
Page 21 - Garantie limitée de trois ans; Réparations; Points de montage de la base pour les; Enregistrez‐vous en ligne
FRAnçAis 31 Garantie limitée de trois ans Pour les conditions de la garantie, consultez le site www.dewalt.com/support/warranty . Pour demander une copie écrite des conditions de la garantie, contactez : service à la clientèle chez D e WALT Industrial Tool Co., 701 East Joppa Road, Towson, MD 21286 ...