Page 6 - FRAnçAis; AVERTISSEMENTS GÉNÉRAUX SUR LA; nE PAs
FRAnçAis 18 1) Sécurité du lieu de travail a ) Tenir l’aire de travail propre et bien éclairée. Les lieux encombrés ou sombres sont propices aux accidents. b ) Ne pas faire fonctionner d’outils électriques dans un milieu déflagrant, tel qu’en présence de liquides, de gaz ou de poussières inflammable...
Page 7 - ) Utilisation et entretien du bloc‐piles
FRAnçAis 19 pièces mobiles sont mal alignées ou coincées, si des pièces sont brisées ou présentent toute autre condition susceptible de nuire au bon fonctionnement de l’outil électrique. En cas de dommage, faire réparer l’outil électrique avant toute nouvelle utilisation. Beaucoup d’accidents sont c...
Page 9 - Rebond et avertissements associés
FRAnçAis 21 Renseignements de sécurité supplémentaires • L’utilisation d’accessoires non spécifiés dans ce manuel est déconseillée et peut être dangereuse. L’utilisation d’amplificateurs de puissance pour faire tourner l’outil à des vitesses supérieures à sa vitesse nominale constitue un mauvais emp...
Page 11 - Recommandations d’entreposage; LISEZ TOUTES LES INSTRUCTIONS; PILES ET CHARGEURS
FRAnçAis 23 • Chargez les blocs‑piles seulement dans les chargeurs D e WALT . • NE PAS éclabousser ou immerger dans l’eau ou tout autre liquide. • NE PAS laisser l’eau ou tout liquide entre dans le bloc‑piles. • Ne pas entreposer ou utiliser l’outil et le bloc‑piles dans des endroits où la températ...
Page 12 - Le sceau RBRC; Expédier la bloc‐pile FlEXVOlT; de D; Instructions de nettoyage du bloc‐piles
FRAnçAis 24 Consignes de sécurité importantes pour tous les chargeurs de piles AVERTISSEMENT : lisez toutes les consignes de sécurité, les instructions et les symboles d’avertissements du bloc‑piles, du chargeur et du produit. Ne pas suivre les avertissements et les instructions peut entraîner un ch...
Page 13 - Système de protection électronique; Remarques importantes sur la charge
FRAnçAis 25 bloc‑piles dans un centre de services autorisé si le(s) voyant(s) reste(nt) éteint(s). REMARQUE : Consultez l’étiquette près du (des) voyant(s) de chargement sur le chargeur pour les modèles de clignotement. Les vieux chargeurs peuvent avoir des renseignements supplémentaires et/ou peuve...
Page 14 - CARACTÉRISTIQUES; ASSEMBLAGE ET AJUSTEMENTS; Montage mural; CONSERVEZ CES INSTRUCTIONS POUR; Instructions de nettoyage du chargeur
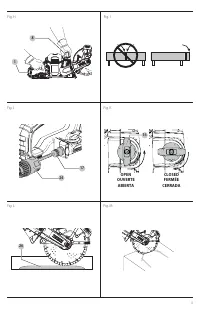
FRAnçAis 26 Remplacement des rondelles de serrage usées (Fig. D) AVERTISSEMENT : remplacer les rondelles de serrage au fur et à mesure qu’elles s’usent. Après un usage prolongé, elles peuvent devenir tranchantes. 1. Retirez la vis de l’arbre 11 , la rondelle de serrage extérieure 21 et la viei...
Page 15 - FONCTIONNEMENT; Accessoire optionnel
FRAnçAis 27 Commande d'outil sans fil (Fig. A) ATTENTION : veillez à lire tous les avertissements de sécurité, toutes les instructions et toutes les spécifications de l'appareil appairé à l'outil. Votre outil est équipé d'un transmetteur de commande d'outil sans fil qui vous permet d'appairer votre ...
Page 16 - Fixation de l’admission d’eau; Dépose de l’admission d’eau; Découpe avec une scie à tronçonner
FRAnçAis 28 AVERTISSEMENT : les meules utilisées pour la découpe peuvent se briser ou rebondir si elles se plient ou se tordent pendant que l’outil est utilisé pour la coupe. AVERTISSEMENT : toujours être attentif aux forces gyroscopiques produites par une meule de tronçonnage à haute vitesse. Le dé...
Page 17 - Faire une coupe
FRAnçAis 29 REMARQUE : Les coupes courbes dans une dalle doivent être effectuées par plusieurs tracés de lignes droites, comme illustré à la Fig. M tout en évitant de coincer la meule à tronçonner. Coupe de tuyaux (Fig. N, O) AVERTISSEMENT : avant toute coupe, s’assurer que le tuyau est solidement f...
Page 18 - Accessoires; Nettoyage; Applications
FRAnçAis 30 Accessoires AVERTISSEMENT : n’utilisez que des meules diamantées segmentées avec un espace périphérique maximal de 10 mm entre les segments et un angle de coupe négatif. AVERTISSEMENT : étant donné que les accessoires, autres que ceux offerts par D e WALT , n’ont pas été testés avec ce p...
Page 19 - Garantie limitée de trois ans; Enregistrez‐vous en ligne; sERViCE DE gARAnTiE :; Réparations
FRAnçAis 31 Garantie limitée de trois ans Pour les conditions de la garantie, allez à https:// www.dewalt.com /Legal/Warranty/3‑Year‑Limited‑Warranty. Pour demander une copie écrite des conditions de la garantie, contactez : le service à la clientèle au D e WALT Industrial Tool Co., 701 East Joppa R...
Page 20 - DÉPANNAGE; AssUREZ‐VOUs DE sUiVRE lEs RÈglEs DE sÉCURiTÉ ET lEs insTRUCTiOns; PROBlÈME
FRAnçAis 32 DÉPANNAGE AssUREZ‑VOUs DE sUiVRE lEs RÈglEs DE sÉCURiTÉ ET lEs insTRUCTiOns Pour obtenir de l’aide au sujet du produit, visitez notre site Web au www.dewalt.com pour une liste des centres de services ou téléphonez D e WALT au 1‑800‑4‑ D e WALT ( 1‑800‑433‑9258 ). PROBlÈME CAUsE POssiBlE ...
Page 22 - li‐
NA145815 03/22 D e WALT Industrial Tool Co. 701 East Joppa Road, Towson, MD 21286 Copyright © 2022 The following are trademarks for one or more D e WALT power tools: the yellow and black color scheme, the “D” shaped air intake grill, the array of pyramids on the handgrip, the kit box configuration, ...