Broan PM600SSV - Manuels

Hotte de cuisine Broan PM600SSV - Manuel d'utilisation en ligne au format PDF.

1 Page 1
2 Page 2
3 Page 3
4 Page 4
5 Page 5
6 Page 6
7 Page 7
8 Page 8
9 Page 9
10 Page 10
11 Page 11
12 Page 12
13 Page 13
14 Page 14
15 Page 15
16 Page 16
17 Page 17
18 Page 18
19 Page 19
20 Page 20
21 Page 21
22 Page 22
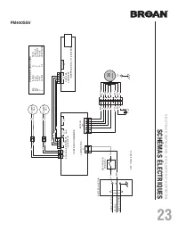
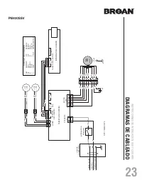
23 Page 23
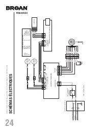
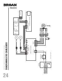
24 Page 24
25 Page 25
26 Page 26
27 Page 27
28 Page 28
29 Page 29
30 Page 30
31 Page 31
32 Page 32

Résumé

Page 2 - Hottes encastrées

WWW.BROAN-NUTONE.COM WWW.BROAN-NUTONE.CA DIRECTIVES D’INSTALLATION, D’UTILISATION ET D’ENTRETIEN Hottes encastrées Numéros de modèle : PM400SSV, PM600SSV Numéro de série : 1105025A PM400SSV PM600SSV

Page 3 - TABLE DES MA

DIRECTIVES D’INST ALLA TION, D’UTILISA TION ET D’ENTRETIEN TABLE DES MA TIÈRES 22 Sécurité . . . . . . . . . . . . . . . . . . . . . . . . . . . . . . . . . . . . . . . . . . . . . . . . . . . . 3-4 Installation . . . . . . . . . . . . . . . . . . . . . . . . . . . . . . . . . . . . . . . . . . . . ...

Page 4 - SÉCURITÉ; AVERTISSEMENT; Installateur : Laisser ce manuel au propriétaire.; Veuillez lire et conserver ces directives.

DIRECTIVES D’INST ALLATION, D’UTILISA TION ET D’ENTRETIEN SÉCURITÉ 3 ! AVERTISSEMENT AFIN DE RÉDUIRE LES RISQUES D’INCENDIE, D’ÉLECTROCUTION OU DE BLESSURES CORPORELLES, SUIVEZ LES DIRECTIVES SUIVANTES : • N’utilisez cet appareil que de la façon prévue par le manufacturier. Si vous avez des question...

Broan Hottes de cuisine Manuels