Husky H4435 - Manuel d'utilisation

Husky H4435

Clé à chocs Husky H4435 - Manuel d'utilisation, à lire gratuitement en ligne au format PDF. Nous espérons que cela vous aidera à résoudre toutes les questions que vous pourriez avoir. Si vous avez encore des questions, contactez-nous via le formulaire de contact.

1 Page 1
2 Page 2
3 Page 3
4 Page 4
5 Page 5
6 Page 6
7 Page 7
8 Page 8
9 Page 9
10 Page 10
11 Page 11
12 Page 12
13 Page 13
14 Page 14
Page: / 14

Table des matières:

  • Page 4 – CLÉ À CHOCS DE 1/2 PO; Article n°
  • Page 5 – SÉCURITÉ DANS L'AIRE DE TRAVAIL; SÉCURITÉ DES PERSONNES
  • Page 6 – Garantie; GARANTIE LIMITÉE DE DEUX ANS POUR LES OUTILS À AIR HUSKY
  • Page 7 – Préparation à l'utilisation; SPÉCIFICATIONS
  • Page 8 – Nettoyer le tuyau à air; Raccordement à l'alimentation d’air
  • Page 9 – Fonctionnement; Pour installer la douille pour clé à choc :; Pour enlever la douille pour clé à chocs :
  • Page 10 – Serrer ou desserrer le boulon ou attache; LUBRIFICATION
  • Page 11 – Dépannage
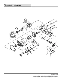
Téléchargement du manuel

9

HUSKYTOOLS .COM

Please contact 1-888-43-HUSKY for further assistance .

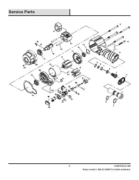
Service Parts

„Téléchargement du manuel“ signifie que vous devez attendre que le fichier soit complètement chargé avant de pouvoir le lire en ligne. Certains manuels sont très volumineux, et le temps de chargement dépend de la vitesse de votre connexion Internet.

Résumé

Page 4 - CLÉ À CHOCS DE 1/2 PO; Article n°

GUIDE D'UTILISATION ET D'ENTRETIEN CLÉ À CHOCS DE 1/2 PO Questions, problèmes, pièces manquantes? Avant de retourner au magasin,appelez le service à la clientèle de Huskyde 8h à 19h, heure normale de l’Est, du lundi au vendredi, de 9h à 18h, heure normale de l’Est, le samedi1-888-43-HUSKY HUSKYTOOLS...

Page 5 - SÉCURITÉ DANS L'AIRE DE TRAVAIL; SÉCURITÉ DES PERSONNES

1 Table des matières Table des matières . . . . . . . . . . . . . . . . . . . . . . . . . . . . . . . . . . 2Mesures de sécurité . . . . . . . . . . . . . . . . . . . . . . . . . . . . . . . . . 2 Sécurité dans l'aire de travail . . . . . . . . . . . . . . . . . . . . . . . . 2Sécurité des personnes...

Page 6 - Garantie; GARANTIE LIMITÉE DE DEUX ANS POUR LES OUTILS À AIR HUSKY

2 HUSKYTOOLS .COM Veuillez contacter 1-888-43-HUSKY pour obtenir de l'assistance . Information de sécurité (suite) SÉCURITÉ DU COMPRESSEUR D'AIR ET DE L'OUTIL À AIR 1 . Risque d'éclatement . Ne pas ajuster le régulateur pour obtenir une pression de sortie plus élevée que celle maximum indiquée pour ...