Hestan GMBR36-NG-GR - Manuel d'utilisation

Hestan GMBR36-NG-GR

Gril Hestan GMBR36-NG-GR - Manuel d'utilisation, à lire gratuitement en ligne au format PDF. Nous espérons que cela vous aidera à résoudre toutes les questions que vous pourriez avoir. Si vous avez encore des questions, contactez-nous via le formulaire de contact.

1 Page 1
2 Page 2
3 Page 3
4 Page 4
5 Page 5
6 Page 6
7 Page 7
8 Page 8
9 Page 9
10 Page 10
11 Page 11
12 Page 12
13 Page 13
14 Page 14
15 Page 15
16 Page 16
17 Page 17
18 Page 18
19 Page 19
20 Page 20
21 Page 21
22 Page 22
23 Page 23
24 Page 24
25 Page 25
26 Page 26
27 Page 27
28 Page 28
29 Page 29
30 Page 30
31 Page 31
32 Page 32
33 Page 33
34 Page 34
35 Page 35
36 Page 36
37 Page 37
38 Page 38
39 Page 39
40 Page 40
41 Page 41
42 Page 42
43 Page 43
44 Page 44
45 Page 45
46 Page 46
47 Page 47
Page: / 47

Table des matières:

  • Page 7 – LIRE CE MANUEL ATTENTIVEMENT ET ENTIÈREMENT AVANT D’UTILISER LE
  • Page 8 – TABLE DES MATIÈRES
  • Page 9 – MODÈLES ENCASTRÉS; MODÈLES AMOVIBLES; Numéro de Modèle; NUMÉROS DE MODÈLE
  • Page 11 – PLAQUE SIGNALÉTIQUE; type de brûleur et les dégagements minima d’installation.; PRÉCAUTIONS À PRENDRE AVANT D’UTILISER CE GRIL; sécurité doivent être adoptées.; NE JAMAIS LAISSER LE GRIL SANS SURVEILLANCE PENDANT LA CUISSON.; La plaque signalétique
  • Page 12 – Ne pas bloquer les ouïes d’aération du chariot.
  • Page 14 – RESPECT DE LA RÉGLEMENTATION ET DES CODES EN VIGUEUR; PROPOSITION 65 DE CALIFORNIE – MISE EN GARDE; BOUTEILLES DE GPL PORTATIVES; de sa contenance totale.
  • Page 15 – IMPLANTATION ET ASSEMBLAGE DU GRIL; EMPLACEMENT; freins des roulettes pour immobiliser celui-ci.
  • Page 16 – l’autre ni d’avant en arrière s’ils sont bien en place.; se trouve un plateau radiant en acier inoxydable contenant des; plateau radiant au-dessus d’un brûleur de saisie.
  • Page 17 – CONSTRUCTION NON-COMBUSTIBLE; DÉGAGEMENTS; PAR RAPPORT À UNE CONSTRUCTION NON-COMBUSTIBLE; lorsqu’il est installé.; OUVERTURES DE VENTILATION DE L’ÎLE; préférées; VUE DE CÔTÉ
  • Page 18 – CONFIGURATION
  • Page 19 – CONSTRUCTION COMBUSTIBLE; PAR RAPPORT À UNE CONSTRUCTION COMBUSTIBLE; une enveloppe de protection isolante
  • Page 20 – CONFIGURATION POUR
  • Page 21 – VENTILATION ET CONSTRUCTION AÉRIENNE; appropriée et le débit d’air requis (cfm) pour la gril en dessous.
  • Page 22 – BRANCHEMENTS POUR LE GAZ; ALIMENTATION EN GAZ; d’un appareil du GPL au gaz naturel, ou vice versa.; KITS POUR HAUTES ALTITUDES; numéros de modèle et de série à portée de la main pour téléphoner.; RACCORDEMENT DE GAZ DE GRIL AMOVIBLE À UNE ALIMENTATION FIXE; serait plié ou endommagé par le mouvement du chariot.
  • Page 23 – RACCORDEMENT DE GAZ – GAZ NATUREL; la norme
  • Page 24 – RACCORDEMENT DE GAZ – BOUTEILLE DE PROPANE LIQUIDE (GPL); Passer à la section CONTRÔLE D’ÉTANCHÉITÉ.; RACCORDEMENT DE GAZ – SYSTÈMES DE CONDUITES DE GPL
  • Page 25 – RETENUE DE BOUTEILLE DE GPL; GÉNÉRALITÉS; d’eau à des fins de contrôle d’étanchéité.; ENSEMBLE DÉTENDEUR; BOULON DE FIXATION
  • Page 26 – POUR EFFECTUER LE CONTRÔLE; CHANGEMENT DE BOUTEILLE DE GPL.; RÉGLAGES DES BRÛLEURS; RÉGLAGE DE LA FLAMME DES TRELLIS BURNERS
  • Page 27 – RÉGLAGE DES OBTURATEURS D’AIR; Allumer le brûleur et le régler comme suit :
  • Page 28 – RÉGLAGES DE ROBINETS; régler les robinets de tournebroche ou de brûleurs de saisie.
  • Page 29 – RÉGLAGE DE FLAMME DE BRÛLEUR À INFRAROUGE; COURS D’UTILISATION.; tous les raccordements de gaz et contrôlé leur étanchéité.; L’ÉCART DE TOUTE SURFACE CHAUFFÉE.; refroidir avant de poser ou de déposer des pièces.
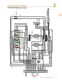
  • Page 30 – BRANCHEMENTS POUR L’ÉLECTRICITÉ; au fabricant pour la réparation.; COFFRET ÉLECTRIQUE; auprès de Hestan. Veuillez demander le numéro de pièce 009938.
  • Page 31 – INSTRUCTIONS D’ALLUMAGE
  • Page 32 – DISPOSITION DES BOUTONS DE RÉGLAGE; OU BRÛLEUR; l’allumage. S’éloigner autant que possible lors de l’allumage.; ALLUMAGE DU BRÛLEUR DE TOURNEBROCHE; instructions d’allumage à l’aide d’une allumette.; ALLUMAGE DES BRÛLEURS LATÉRAUX; étincelles jusqu’à ce qu’une flamme soit obtenue.
  • Page 33 – INSTRUCTIONS D’ALLUMAGE À L’AIDE D’UNE ALLUMETTE; position d’arrêt et attendre 5 minutes avant d’essayer de rallumer.
  • Page 34 – UTILISATION DU GRIL; Le temps de préchauffage typique pour le Trellis Burner; est de 10 à 15 minutes environ sur « HIGH ».; La forme unique du Hestan Trellis Burner; fut conçue avec une chauffe; fourchettes et le brûleur à infrarouge de tournebroche.
  • Page 35 – L’ENSEMBLE BROCHE / FOURCHETTES; pour enregistrer la chaleur infrarouge directe.; FUMOIR À COPEAUX DE BOIS; Il devraient commencer à fumer au bout de 20 à 30 minutes environ.; NETTOYAGE ET ENTRETIEN; ENTRETIEN DE L’ACIER INOXYDABLE
  • Page 36 – sauf s’ils sont en acier inoxydable.
  • Page 37 – ENTRETIEN DES SURFACES PEINTES; Rincer à l’eau douce propre et sécher avec un chiffon propre.; ENTRETIEN DES ÉLÉMENTS DU GRIL; GRILLES DE CUISSON ET DE MAINTIEN AU CHAUD; . Il peut toutefois
  • Page 38 – NETTOYAGE DES BRÛLEUR DE SAISIE; l’empêchant de fonctionner. Le manipuler avec précaution.
  • Page 39 – REMPLACEMENT DES AMPOULES; en faisant attention de ne pas faire tomber le verre.; AUTRES CONSIDÉRATIONS; quand il n’est pas en service.
  • Page 40 – GUIDE DE DÉPANNAGE; Symptôme
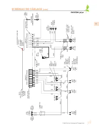
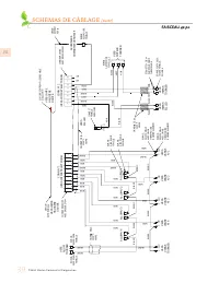
  • Page 41 – SCHÉMAS DE CÂBLAGE
  • Page 42 – FAISCEAU
  • Page 45 – ÉLÉMENTS COUVERTS PAR LA PRÉSENTE GARANTIE LIMITÉE
  • Page 46 – ALLONGEMENTS AU-DELÀ DE LA PÉRIODE DE GARANTIE LIMITÉE D’UN AN:; garantie comme indiqué expressément ci-après :; GARANTIE LIMITÉE
  • Page 47 – d’autres qui varient selon le lieu.
Téléchargement du manuel

OUTDOOR COOKING

Grill with Rotisserie

GABR / GSBR / GMBR

Use & Care Manual

Installation & Operation

„Téléchargement du manuel“ signifie que vous devez attendre que le fichier soit complètement chargé avant de pouvoir le lire en ligne. Certains manuels sont très volumineux, et le temps de chargement dépend de la vitesse de votre connexion Internet.

Résumé

Page 7 - LIRE CE MANUEL ATTENTIVEMENT ET ENTIÈREMENT AVANT D’UTILISER LE

FR ©2021 Hestan Commercial Corporation 2 L’INOBSERVATION DES INFORMATIONS DONNÉES DANS CE MANUEL PEUT ENTRAÎNER UN INCENDIE OU UNE EXPLOSION DE NATURE À CAUSER DES DÉGÂTS MATÉRIELS ET DES BLESSURES GRAVES, VOIRE MORTELLES. Ne pas essayer d’allumer cet appareil sans lire d’abord la section INSTRUCTIO...

Page 8 - TABLE DES MATIÈRES

FR ©2021 Hestan Commercial Corporation 3 4 NUMÉROS DE MODÈLE 6 PLAQUE SIGNALÉTIQUE 6 PRÉCAUTIONS 9 RESPECT DE LA RÉGLEMENTATION ET DES CODES EN VIGUEUR 9 BOUTEILLES DE GPL PORTATIVES 10 IMPLANTATION ET ASSEMBLAGE 12 INSTALLATION 15 BRANCHEMENTS POUR LE GAZ 22 BRANCHEMENTS POUR L’ÉLECTRICITÉ 24 INSTR...

Page 9 - MODÈLES ENCASTRÉS; MODÈLES AMOVIBLES; Numéro de Modèle; NUMÉROS DE MODÈLE

FR ©2021 Hestan Commercial Corporation 4 MODÈLES ENCASTRÉS Numéro de Modèle Description GABR30-NG / -LP 30 po ENCASTRÉ (TOUS TRELLIS BURNERS) GMBR30-NG / -LP 30 po ENCASTRÉ (BRÛLEURS DE SAISIE ET TRELLIS BURNERS) GSBR30-NG / -LP 30 po ENCASTRÉ (TOUS BRÛLEURS DE SAISIE) GABR36-NG / -LP 36 po ENCASTRÉ...

Autres modèles de grils Hestan

Tous les grils Hestan