Page 7 - LIRE CE MANUEL ATTENTIVEMENT ET ENTIÈREMENT AVANT D’UTILISER LE
FR ©2019 Hestan Commercial Corporation 2 L’INOBSERVATION DES INFORMATIONS DONNÉES DANS CE MANUEL PEUT ENTRAÎNER UN INCENDIE OU UNE EXPLOSION DE NATURE À CAUSER DES DÉGÂTS MATÉRIELS ET DES BLESSURES GRAVES, VOIRE MORTELLES. Ne pas essayer d’allumer cet appareil sans lire d’abord la section INSTRUCTIO...
Page 8 - TABLE DES MATIÈRES
FR ©2019 Hestan Commercial Corporation 3 4 NUMÉROS DE MODÈLE 6 PLAQUE SIGNALÉTIQUE 6 PRÉCAUTIONS 9 RESPECT DE LA RÉGLEMENTATION ET DES CODES EN VIGUEUR 9 BOUTEILLES DE GPL PORTATIVES 10 IMPLANTATION ET ASSEMBLAGE 12 INSTALLATION 15 BRANCHEMENTS POUR LE GAZ 22 BRANCHEMENTS POUR L’ÉLECTRICITÉ 24 INSTR...
Page 9 - MODÈLES ENCASTRÉS; MODÈLES AMOVIBLES; Numéro de Modèle; NUMÉROS DE MODÈLE
FR ©2019 Hestan Commercial Corporation 4 MODÈLES ENCASTRÉS Numéro de Modèle Description GABR30-NG / -LP 30 po ENCASTRÉ (TOUS TRELLIS BURNERS) GMBR30-NG / -LP 30 po ENCASTRÉ (BRÛLEURS DE SAISIE ET TRELLIS BURNERS) GSBR30-NG / -LP 30 po ENCASTRÉ (TOUS BRÛLEURS DE SAISIE) GABR36-NG / -LP 36 po ENCASTRÉ...
Page 11 - PLAQUE SIGNALÉTIQUE; type de brûleur et les dégagements minima d’installation.; PRÉCAUTIONS À PRENDRE AVANT D’UTILISER CE GRIL; sécurité doivent être adoptées.; NE JAMAIS LAISSER LE GRIL SANS SURVEILLANCE PENDANT LA CUISSON.
FR ©2019 Hestan Commercial Corporation 6 PLAQUE SIGNALÉTIQUE La plaque signalétique donne des informations importantes sur cet appareil Hestan telles que les numéros de série et de modèle, le type de gaz et la pression d’admission, la cote BTU pour chaque type de brûleur et les dégagements minima d’...
Page 12 - Ne pas bloquer les ouïes d’aération du chariot.
FR ©2019 Hestan Commercial Corporation 7 8. Vérifier soigneusement le détendeur, les tuyaux, les orifices de combustion, l’obturateur d’air et la section venturi / clapet. Toujours couper le gaz à la source (bouteille ou conduite d’alimentation) avant d’examiner ces pièces. 9. Lorsqu’on allume un br...
Page 14 - RESPECT DE LA RÉGLEMENTATION ET DES CODES EN VIGUEUR; COMMUNAUTÉ DE MASSACHUSETTS; PROPOSITION 65 DE CALIFORNIE – MISE EN GARDE; BOUTEILLES DE GPL PORTATIVES; de sa contenance totale.
FR ©2019 Hestan Commercial Corporation 9 RESPECT DE LA RÉGLEMENTATION ET DES CODES EN VIGUEUR L’installation de cet appareil de cuisson doit être effectuée conformément aux codes locaux. En l’absence de tels codes, installer cet appareil conformément au National Fuel Gas Code ANSI Z223.1/NFPA 54, au...
Page 15 - IMPLANTATION ET ASSEMBLAGE DU GRIL; EMPLACEMENT; freins des roulettes pour immobiliser celui-ci.
FR ©2019 Hestan Commercial Corporation 10 IMPLANTATION ET ASSEMBLAGE DU GRIL EMPLACEMENT Lors de la détermination d’un emplacement approprié pour le gril, tenir compte des préoccupations que représentent l’exposition au vent, la pluie, les arroseurs, la proximité par rapport aux voies de circulation...
Page 16 - l’autre ni d’avant en arrière s’ils sont bien en place.; se trouve un plateau radiant en acier inoxydable contenant des; plateau radiant au-dessus d’un brûleur de saisie.
FR ©2019 Hestan Commercial Corporation 11 S’assurer que les brûleurs sont dans la position correcte sur leurs orifices calibrés et qu’ils sont bien en place sur leurs attaches de suspension arrière (voir Fig. 2). Les brûleurs ne doivent pas bouger d’un côté à l’autre ni d’avant en arrière s’ils sont...
Page 17 - PAR RAPPORT À UNE CONSTRUCTION NON COMBUSTIBLE; nécessaire pour permettre l’ouverture complète du couvercle.; PAR RAPPORT À UNE CONSTRUCTION COMBUSTIBLE; limite, le bois pourrait devenir suffisamment chaud pour brûler.; OUÏES D’AÉRATION; CONFIGURATION; DIMENSIONS EN CAS D’ENCASTREMENT :
FR ©2019 Hestan Commercial Corporation 12 INSTALLATION DÉGAGEMENTS : PAR RAPPORT À UNE CONSTRUCTION NON COMBUSTIBLE Un dégagement minimum de 4 po [10 cm] entre l’arrière du gril et une construction non combustible est nécessaire pour permettre l’ouverture complète du couvercle. PAR RAPPORT À UNE CON...
Page 18 - CONFIGURATION POUR
FR ©2019 Hestan Commercial Corporation 13 W 2,5 6,4 MIN. 18,8 47,8 36,0 91,4 RÉF. 4,5 11,4 MIN. H 30,0 76,2 4,2 10,6 3,1 7,9 3,8 9,7 1,5 3,8 D VUE DE DESSUS ENVELOPPE DE PROTECTION ISOLANTE 2 OUVERTURES POUR GAZ ET ELECTRICITÉ COMPTOIR FINI OUÏE D'AÉRATION DE 10 po² (64,5 cm²) MIN. DES DEUX CÔTES ET...
Page 19 - VENTILATION SUPPLÉMENTAIRE; votre modèle de gril.
FR ©2019 Hestan Commercial Corporation 14 INSTALLATION (suite) VENTILATION SUPPLÉMENTAIRE Dans certaines installations, telles par exemple que celles où le gril se trouve dans une île implantée contre une maison ou une autre construction, ou peut-être sous un petit surplomb au-dessus de votre gril; ...
Page 20 - BRANCHEMENTS POUR LE GAZ; ALIMENTATION EN GAZ; d’un appareil du GPL au gaz naturel, ou vice versa.; KITS POUR HAUTES ALTITUDES; numéros de modèle et de série à portée de la main pour téléphoner.; RACCORDEMENT DE GAZ DE GRIL AMOVIBLE À UNE ALIMENTATION FIXE; serait plié ou endommagé par le mouvement du chariot.
FR ©2019 Hestan Commercial Corporation 15 BRANCHEMENTS POUR LE GAZ ALIMENTATION EN GAZ Consulter les autorités locales responsables ou le fournisseur lors de la phase de planification de l’installation afin de vérifier qu’un approvisionnement suffisant en gaz (gaz naturel ou GPL) est disponible. S’i...
Page 21 - RACCORDEMENT DE GAZ – GAZ NATUREL; la norme
FR ©2019 Hestan Commercial Corporation 16 RACCORDEMENT DE GAZ – GAZ NATUREL REMARQUE : Pour faire en sorte que cet appareil chauffe bien, vérifier que la pression dans la conduite d’alimentation en gaz est suffisante. Utiliser uniquement le détendeur de pression de gaz fourni avec cet appareil. Ce d...
Page 22 - RACCORDEMENT DE GAZ – BOUTEILLE DE PROPANE LIQUIDE (GPL); Passer à la section CONTRÔLE D’ÉTANCHÉITÉ.; RACCORDEMENT DE GAZ – SYSTÈMES DE CONDUITES DE GPL
FR ©2019 Hestan Commercial Corporation 17 RACCORDEMENT DE GAZ – BOUTEILLE DE PROPANE LIQUIDE (GPL) Le gril Hestan fonctionnant au GPL est équipé d’un ensemble détendeur à deux étages / flexible permettant le raccordement à une bouteille de GPL standard de 20 lbs. Cet ensemble doit être utilisé SANS ...
Page 23 - RETENUE DE BOUTEILLE DE GPL; GÉNÉRALITÉS; d’eau à des fins de contrôle d’étanchéité.; ENSEMBLE DÉTENDEUR; BOULON DE FIXATION
FR ©2019 Hestan Commercial Corporation 18 RETENUE DE BOUTEILLE DE GPL Si le gril Hestan est monté sur un chariot, veiller à maintenir la bouteille de GPL en l’assujettissant au moyen du boulon de fixation sur le plateau coulissant comme indiqué ci-dessous. Il est important que la bouteille ne bascul...
Page 24 - POUR EFFECTUER LE CONTRÔLE; CHANGEMENT DE BOUTEILLE DE GPL.; RÉGLAGES DES BRÛLEURS; RÉGLAGE DE LA FLAMME DES TRELLIS BURNERS
FR ©2019 Hestan Commercial Corporation 19 POUR EFFECTUER LE CONTRÔLE • S’assurer que tous les robinets de réglage sont en position « OFF ».• Appliquer de la solution savonneuse décrite plus haut sur tous les raccords.• Ouvrir l’arrivée de gaz.• Contrôler tous les raccordements depuis la conduite d’a...
Page 25 - RÉGLAGE DES OBTURATEURS D’AIR; Allumer le brûleur et le régler comme suit :
FR ©2019 Hestan Commercial Corporation 20 RÉGLAGE DES OBTURATEURS D’AIR Déposer le panneau de commande pour accéder à la zone des orifices calibrés et aux obturateurs d’air des brûleurs. Un chapeau métallique à l’entrée du brûleur, appelé «OBTURATEUR D’AIR », règle la quantité d’air qui pénètre dans...
Page 26 - RÉGLAGES DE ROBINETS; régler les robinets de tournebroche ou de brûleurs de saisie.
FR ©2019 Hestan Commercial Corporation 21 RÉGLAGES DE ROBINETS Les robinets de ce gril Hestan sont préréglés à l’usine pour permettre des performances optimales. La position de feu doux de ces robinets est réglable si l’altitude, le rendement à feu doux, la conversion d’un gaz à un autre ou d’autres...
Page 27 - RÉGLAGE DE FLAMME DE BRÛLEUR À INFRAROUGE; COURS D’UTILISATION.; tous les raccordements de gaz et contrôlé leur étanchéité.; L’ÉCART DE TOUTE SURFACE CHAUFFÉE.; refroidir avant de poser ou de déposer des pièces.
FR ©2019 Hestan Commercial Corporation 22 RÉGLAGE DE FLAMME DE BRÛLEUR À INFRAROUGE Les brûleurs à infrarouge n’exigent aucun réglage et il suffit de vérifier visuellement qu’ils fonctionnent bien. En position HIGH, un brûleur à infrarouge rougeoie uniformément sur l’ensemble de sa surface. Un rouge...
Page 28 - BRANCHEMENTS POUR L’ÉLECTRICITÉ; au fabricant pour la réparation.; COFFRET ÉLECTRIQUE; pour plus de détails.
FR ©2019 Hestan Commercial Corporation 23 BRANCHEMENTS POUR L’ÉLECTRICITÉ (suite) 3. Ne pas faire fonctionner un appareil à gaz de cuisson en plein air dont le cordon ou la fiche est endommagé ni après un dysfonctionnement ou endommagement quelconque de l’appareil. S’adresser au fabricant pour la ré...
Page 29 - INSTRUCTIONS D’ALLUMAGE
FR ©2019 Hestan Commercial Corporation 24 BRANCHEMENTS POUR L’ÉLECTRICITÉ (suite) INSTRUCTIONS D’ALLUMAGE Les grils Hestan sont équipés d’allumeurs à incandescence pour tous les Trellis Burners TM , ainsi que pour le tournebroche et les brûleurs de saisie. Les allumeurs à incandescence offrent une f...
Page 30 - DISPOSITION DES BOUTONS DE RÉGLAGE; OU BRÛLEUR; l’allumage. S’éloigner autant que possible lors de l’allumage.; ALLUMAGE DU BRÛLEUR DE TOURNEBROCHE; instructions d’allumage à l’aide d’une allumette.; ALLUMAGE DES BRÛLEURS LATÉRAUX; étincelles jusqu’à ce qu’une flamme soit obtenue.
FR ©2019 Hestan Commercial Corporation 25 DISPOSITION DES BOUTONS DE RÉGLAGE Une disposition type (modèle de 36 po représenté, Fig. 6) des boutons de réglage est illustrée ci-dessous. La commande de tournebroche se trouve toujours tout à fait à gauche. Les témoins à LED du panneau de commande et les...
Page 31 - INSTRUCTIONS D’ALLUMAGE À L’AIDE D’UNE ALLUMETTE; position d’arrêt et attendre 5 minutes avant d’essayer de rallumer.
FR ©2019 Hestan Commercial Corporation 26 Figure 7 6. Si un brûleur ne réussit pas à s’allumer, voir le MANUEL D’UTILISATION ET D’ENTRETIEN pour des instructions d’allumage à l’aide d’une allumette. Remarque : le détecteur de flamme de l’allumeur à étincelles déclenchera ce dernier de façon répétée ...
Page 32 - UTILISATION DU GRIL; Le temps de préchauffage typique pour le Trellis Burner; est de 10 à 15 minutes environ sur « HIGH ».; La forme unique du Hestan Trellis Burner; fut conçue avec une chauffe; fourchettes et le brûleur à infrarouge de tournebroche.
FR ©2019 Hestan Commercial Corporation 27 UTILISATION DU GRIL Ce gril Hestan est un appareil de cuisson puissant et polyvalent. Les grillades traditionnelles exigent une chaleur intense pour les saisir et les faire revenir comme il faut. On cuit de nombreuses viandes d’abord sur « HIGH » pour les sa...
Page 33 - L’ENSEMBLE BROCHE / FOURCHETTES; pour enregistrer la chaleur infrarouge directe.; FUMOIR À COPEAUX DE BOIS; Il devraient commencer à fumer au bout de 20 à 30 minutes environ.; NETTOYAGE ET ENTRETIEN; ENTRETIEN DE L’ACIER INOXYDABLE
FR ©2019 Hestan Commercial Corporation 28 L’ENSEMBLE BROCHE / FOURCHETTES Le tournebroche peut accepter de grosses pièces de viande pesant jusqu’à 50 lbs. Préparer la viande et la monter sur la broche puis monter les fourchettes. Enfoncer le côté pointu de la broche dans la viande et centrer celle-c...
Page 34 - sauf s’ils sont en acier inoxydable.; MARQUES DE ROUILLE BRUNE; à empêcher ce genre de contamination.; PIQÛRES DE CORROSION; environnementales. Voir la section garantie pour plus de détails.
FR ©2019 Hestan Commercial Corporation 29 Afin de maintenir l’aspect initial de ce gril Hestan, il convient de le nettoyer régulièrement en procédant comme suit : 1. Après avoir utilisé le gril et pris les mesures de sécurité décrites en détail plus haut dans ce manuel, l’essuyer avec un chiffon dou...
Page 35 - ENTRETIEN DES SURFACES PEINTES; Rincer à l’eau douce propre et sécher avec un chiffon propre.; ENTRETIEN DES ÉLÉMENTS DU GRIL; GRILLES DE CUISSON ET DE MAINTIEN AU CHAUD; . Il peut toutefois; NETTOYAGE DU BRÛLEUR DE TOURNEBROCHE
FR ©2019 Hestan Commercial Corporation 30 ENTRETIEN DES SURFACES PEINTES (LE CAS ÉCHÉANT) Les grils Hestan sont disponibles en standard en acier inoxydable ou offrent également 11 couleurs au choix. Les peintures en poudre résistantes appliquées sur ces panneaux sont communément utilisées sur les pi...
Page 36 - NETTOYAGE DES BRÛLEUR DE SAISIE
FR ©2019 Hestan Commercial Corporation 31 AVIS : Éviter de faire couler de l’eau sur le brûleur de tournebroche car cela risquerait d’endommager les plaques de brûleur en céramique. Les dégâts causés par l’eau au brûleur de tournebroche ne sont pas couverts par la garantie. NETTOYAGE DES BRÛLEUR DE ...
Page 37 - REMPLACEMENT DES AMPOULES; en faisant attention de ne pas faire tomber le verre.; AUTRES CONSIDÉRATIONS; quand il n’est pas en service.
FR ©2019 Hestan Commercial Corporation 32 Figure 10 Figure 11 REMPLACEMENT DES AMPOULES 1. Débrancher le gril avant de procéder à tout entretien ou remplacement d’ampoule. Veiller à ce que le gril et l’éclairage aient complètement refroidi. L’éclairage halogène devient très chaud. 2. Ouvrir le couve...
Page 38 - GUIDE DE DÉPANNAGE; Symptôme
FR ©2019 Hestan Commercial Corporation 33 GUIDE DE DÉPANNAGE Symptôme Contrôle Le brûleur ne s’allume pas Alimentation en gaz coupée / robinet d’arrêt fermé Bouteille de GPL vide Cordon d’alimentation débranché, prise hors tension ou fusible grillé Pression d’alimentation en gaz de l’appareil trop b...
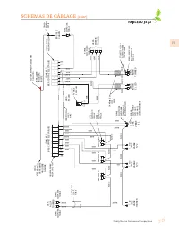
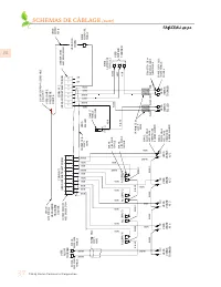
Page 39 - SCHÉMAS DE CÂBLAGE
FR ©2019 Hestan Commercial Corporation 34 SCHÉMAS DE CÂBLAGE NO 6 2 1 COM NO 6 2 1 COM NO 6 2 1 COM NO 6 2 1 COM 12VDC SORTIE ENTRÉE 120 V CA Pilote de DEL + - 12VAC, 4.17A TRANS. 50VA N (BLANC) L (NOIR) 120VAC 12VAC, 4.17A TRANS. 50VA N (BLANC) L (NOIR) 120VAC 1 2 3 4 5 6 7 8 9 10 1 2 3 4 5 6 7 8 L...
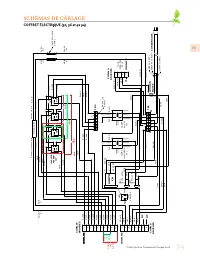
Page 40 - FAISCEAU
FR ©2019 Hestan Commercial Corporation 35 SCHÉMAS DE CÂBLAGE (suite) 1 2 3 4 5 6 7 8 123456789 10 VERS VANNE TOURNEB VERS VANNE N° 1 VERS VANNE N° 2 C N/O N/OC N/OC VERS INTERR ÉCL LED VERS INTERR TOURNEB CONNECT FEMELLE 2 BROCHES 1 2 (-) (+) NOIR BLANC NOIR BLANC VERT BLANC NOIR OCRE DÉNUD EXTRÉM 1...
Page 43 - ÉLÉMENTS COUVERTS PAR LA PRÉSENTE GARANTIE LIMITÉE
FR ©2019 Hestan Commercial Corporation 38 SERVICE Toutes les réparations dans le cadre ou en dehors de la garantie doivent être effectuées par du personnel d’entretien qualifié. Pour localiser un réparateur agréé dans la région, s’adresser au concessionnaire Hestan, au représentant local ou à l’usin...
Page 44 - ALLONGEMENTS AU-DELÀ DE LA PÉRIODE DE GARANTIE LIMITÉE D’UN AN:; garantie comme indiqué expressément ci-après :; Dia; échéant, étant à la charge de l’Acheteur.; ÉLÉMENTS NON COUVERTS PAR LA PRÉSENTE GARANTIE LIMITÉE; par tout vice de matière ou de fabrication.; LIMITATION DE RESPONSABILITÉ :; CONTRAIRE DE LA LÉGISLATION APPLICABLE.; GARANTIE LIMITÉE
FR ©2019 Hestan Commercial Corporation 39 ALLONGEMENTS AU-DELÀ DE LA PÉRIODE DE GARANTIE LIMITÉE D’UN AN: En plus de la Garantie limitée d’un an, les composants qui suivent bénéficient d’un prolongement de la garantie comme indiqué expressément ci-après : 1. Le corps de gril en acier inoxydable, les...
Page 45 - d’autres qui varient selon le lieu.
FR ©2019 Hestan Commercial Corporation 40 HCC N’ASSUME AUCUNE RESPONSABILITÉ POUR TOUT MANQUE À GAGNER, IMPOSSIBILITÉ DE RÉALISER DES ÉCONOMIES OU AUTRES AVANTAGES NI POUR TOUT AUTRE DOMMAGE PARTICULIER, DIRECT OU INDIRECT CAUSÉ PAR L’UTILISATION, L’USAGE ABUSIF OU L’INCAPACITÉ D’UTILISER CE PRODUIT...