Page 8 - LIRE CE MANUEL ATTENTIVEMENT ET ENTIÈREMENT AVANT D’UTILISER LE
FR ©2019 Hestan Commercial Corporation 2 L’INOBSERVATION DES INFORMATIONS DONNÉES DANS CE MANUEL PEUT ENTRAÎNER UN INCENDIE OU UNE EXPLOSION DE NATURE À CAUSER DES DÉGÂTS MATÉRIELS ET DES BLESSURES GRAVES, VOIRE MORTELLES. Ne pas essayer d’allumer cet appareil sans lire d’abord la section INSTRUCTIO...
Page 9 - TABLE DES MATIÈRES
FR ©2019 Hestan Commercial Corporation 3 4 NUMÉROS DE MODÈLE 7 PLAQUE SIGNALÉTIQUE 7 PRÉCAUTIONS 10 RESPECT DE LA RÉGLEMENTATION ET DES CODES EN VIGUEUR 10 BOUTEILLES DE GPL PORTATIVES 11 IMPLANTATION ET ASSEMBLAGE 13 INSTALLATION 16 BRANCHEMENTS POUR LE GAZ 23 BRANCHEMENTS POUR L’ÉLECTRICITÉ 26 INS...
Page 10 - MODÈLES ENCASTRÉS; MODÈLES AMOVIBLES; Numéro de Modèle; NUMÉROS DE MODÈLE
FR ©2019 Hestan Commercial Corporation 4 MODÈLES ENCASTRÉS Numéro de Modèle Description GABR30-NG / -LP 30 po ENCASTRÉ (TOUS TRELLIS BURNERS) GMBR30-NG / -LP 30 po ENCASTRÉ (BRÛLEURS DE SAISIE ET TRELLIS BURNERS) GSBR30-NG / -LP 30 po ENCASTRÉ (TOUS BRÛLEURS DE SAISIE) GABR36-NG / -LP 36 po ENCASTRÉ...
Page 11 - MODÈLES POUR CHARIOT DE QUALITÉ SUPÉRIEUR
FR ©2019 Hestan Commercial Corporation 5 MODÈLES POUR CHARIOT DE QUALITÉ SUPÉRIEUR Numéro de Modèle Description GABR36CX2-NG / -LP 36 po AUTOSTABLE (TOUS TRELLIS BURNERS), CHARIOT DE QUALITÉ SUPÉRIEURE AVEC DOUBLE BRÛLEUR LATÉRAL GMBR36CX2-NG / -LP 36 po AUTOSTABLE (BRÛLEURS DE SAISIE ET TRELLIS BUR...
Page 13 - PLAQUE SIGNALÉTIQUE; type de brûleur et les dégagements minima d’installation.; PRÉCAUTIONS À PRENDRE AVANT D’UTILISER CE GRIL; matière de sécurité doivent être adoptées.; NE JAMAIS LAISSER LE GRIL SANS SURVEILLANCE PENDANT LA CUISSON.
FR ©2019 Hestan Commercial Corporation 7 PLAQUE SIGNALÉTIQUE La plaque signalétique donne des informations importantes sur cet appareil Hestan telles que les numéros de série et de modèle, le type de gaz et la pression d’admission, la cote BTU pour chaque type de brûleur et les dégagements minima d’...
Page 14 - etc. Ne pas bloquer les ouïes d’aération du chariot.
FR ©2019 Hestan Commercial Corporation 8 8. Vérifier soigneusement le détendeur, les tuyaux, les orifices de combustion, l’obturateur d’air et la section venturi / clapet. Toujours couper le gaz à la source (bouteille ou conduite d’alimentation) avant d’examiner ces pièces. 9. Lorsqu’on allume un br...
Page 15 - explosion de la boîte.
FR ©2019 Hestan Commercial Corporation 9 21. Ne jamais toucher les grilles de cuisson, le couvercle ni les surfaces métalliques aux environs immédiats avec les mains nues quand on grille, car ces zones deviennent très chaudes et pourraient causer des blessures. Utiliser les poignées et boutons prévu...
Page 16 - RESPECT DE LA RÉGLEMENTATION ET DES CODES EN VIGUEUR; COMMUNAUTÉ DE MASSACHUSETTS; PROPOSITION 65 DE CALIFORNIE – AVERTISSEMENT; Ce produit peut vous exposer à des produits chimiques, y compris le; BOUTEILLES DE GPL PORTATIVES; hors de portée des enfants.
FR ©2019 Hestan Commercial Corporation 10 RESPECT DE LA RÉGLEMENTATION ET DES CODES EN VIGUEUR L’installation de cet appareil de cuisson doit être effectuée conformément aux codes locaux. En l’absence de tels codes, installer cet appareil conformément au National Fuel Gas Code ANSI Z223.1/NFPA 54, a...
Page 17 - IMPLANTATION ET ASSEMBLAGE DU GRIL; est disponible chez Hestan. Voir la Fig. 1 pour plus de détails.
FR ©2019 Hestan Commercial Corporation 11 IMPLANTATION ET ASSEMBLAGE DU GRIL Lors de la détermination d’un emplacement approprié pour le gril, tenir compte des préoccupations que représentent l’exposition au vent, la pluie, les arroseurs, la proximité par rapport aux voies de circulation et veiller ...
Page 19 - CONFIGURATION; DIMENSIONS EN CAS D’ENCASTREMENT :
FR ©2019 Hestan Commercial Corporation 13 INSTALLATION DÉGAGEMENTS : PAR RAPPORT À UNE CONSTRUCTION NON COMBUSTIBLEUn dégagement minimum de 4 po [10 cm] entre l’arrière du gril et une construction non combustible est nécessaire pour permettre l’ouverture complète du couvercle.PAR RAPPORT À UNE CONST...
Page 20 - CONFIGURATION POUR
FR ©2019 Hestan Commercial Corporation 14 W 2,5 6,4 MIN. 18,8 47,8 36,0 91,4 RÉF. 4,5 11,4 MIN. H 30,0 76,2 4,2 10,6 3,1 7,9 3,8 9,7 1,5 3,8 D VUE DE DESSUS ENVELOPPE DE PROTECTION ISOLANTE 2 OUVERTURES POUR GAZ ET ELECTRICITÉ COMPTOIR FINI OUÏE D'AÉRATION DE 10 po² (64,5 cm²) MIN. DES DEUX CÔTES ET...
Page 21 - VENTILATION SUPPLÉMENTAIRE; BRANCHEMENTS POUR LE GAZ; ALIMENTATION EN GAZ
FR ©2019 Hestan Commercial Corporation 15 INSTALLATION (suite) Dans certaines installations, telles par exemple que celles où le gril se trouve dans une île implantée contre une maison ou une autre construction, ou peut-être sous une courte avancée de toit; il peut s’avérer souhaitable de prévoir un...
Page 22 - KITS DE CONVERSION; conversion d’un appareil du GPL au gaz naturel, ou vice versa.; KITS POUR HAUTES ALTITUDES
FR ©2019 Hestan Commercial Corporation 16 L’installation de cet appareil de cuisson doit être effectuée conformément aux codes locaux. En l’absence de tels codes, installer cet appareil conformément au National Fuel Gas Code ANSI Z223.1/ NFPA 54, au code Natural Gas and Propane Installation CSA B149...
Page 23 - RACCORDEMENT DE GAZ – GAZ NATUREL; la norme
FR ©2019 Hestan Commercial Corporation 17 RACCORDEMENT DE GAZ – GAZ NATUREL REMARQUE : Pour faire en sorte que cet appareil chauffe bien, vérifier que la pression dans la conduite d’alimentation en gaz est suffisante. Utiliser uniquement le détendeur de pression de gaz fourni avec cet appareil. Ce d...
Page 24 - RACCORDEMENT DE GAZ – BOUTEILLE DE PROPANE LIQUIDE (GPL); Passer à la section CONTRÔLE D’ÉTANCHÉITÉ.; RACCORDEMENT DE GAZ – SYSTÈMES DE CONDUITES DE GPL
FR ©2019 Hestan Commercial Corporation 18 RACCORDEMENT DE GAZ – BOUTEILLE DE PROPANE LIQUIDE (GPL) Le gril Hestan fonctionnant au GPL est équipé d’un ensemble détendeur à deux étages / flexible permettant le raccordement à une bouteille de GPL standard de 20 lbs. Cet ensemble doit être utilisé SANS ...
Page 25 - RETENUE DE BOUTEILLE DE GPL; GÉNÉRALITÉS; d’eau à des fins de contrôle d’étanchéité.; ENSEMBLE DÉTENDEUR; BOULON DE FIXATION
FR ©2019 Hestan Commercial Corporation 19 RETENUE DE BOUTEILLE DE GPL Si le gril Hestan est monté sur un chariot, veiller à maintenir la bouteille de GPL en l’assujettissant au moyen du boulon de fixation sur le plateau coulissant comme indiqué ci-dessous. Il est important que la bouteille ne bascul...
Page 26 - POUR EFFECTUER LE CONTRÔLE; CHANGEMENT DE BOUTEILLE DE GPL.; RÉGLAGES DES BRÛLEURS; RÉGLAGE DE LA FLAMME DES TRELLIS BURNERS
FR ©2019 Hestan Commercial Corporation 20 POUR EFFECTUER LE CONTRÔLE • S’assurer que tous les robinets de réglage sont en position « OFF ».• Appliquer de la solution savonneuse décrite plus haut sur tous les raccords.• Ouvrir l’arrivée de gaz.• Contrôler tous les raccordements depuis la conduite d’a...
Page 27 - RÉGLAGE DES OBTURATEURS D’AIR; Allumer le brûleur et le régler comme suit :
FR ©2019 Hestan Commercial Corporation 21 RÉGLAGE DES OBTURATEURS D’AIR Déposer le panneau de commande pour accéder à la zone des orifices calibrés et aux obturateurs d’air des brûleurs. Un chapeau métallique à l’entrée du brûleur, appelé «OBTURATEUR D’AIR », règle la quantité d’air qui pénètre dans...
Page 28 - RÉGLAGES DE ROBINETS; régler les robinets de tournebroche ou de brûleurs de saisie.
FR ©2019 Hestan Commercial Corporation 22 RÉGLAGES DE ROBINETS Les robinets de ce gril Hestan sont préréglés à l’usine pour permettre des performances optimales. La position de feu doux de ces robinets est réglable si l’altitude, le rendement à feu doux, la conversion d’un gaz à un autre ou d’autres...
Page 29 - RÉGLAGE DE FLAMME DE BRÛLEUR À INFRAROUGE; décrit; À L’ÉCART DE TOUTE SURFACE CHAUFFÉE.; l’appareil refroidir avant de poser ou de déposer des pièces.
FR ©2019 Hestan Commercial Corporation 23 RÉGLAGE DE FLAMME DE BRÛLEUR À INFRAROUGE Les brûleurs à infrarouge n’exigent aucun réglage et il suffit de vérifier visuellement qu’ils fonctionnent bien. En position HIGH, un brûleur à infrarouge rougeoie uniformément sur l’ensemble de sa surface. Un rouge...
Page 30 - BRANCHEMENTS POUR L’ÉLECTRICITÉ; S’adresser au fabricant pour la réparation.; COFFRET ÉLECTRIQUE; pour plus de détails.
FR ©2019 Hestan Commercial Corporation 24 BRANCHEMENTS POUR L’ÉLECTRICITÉ (suite) 3. Ne pas faire fonctionner un appareil à gaz de cuisson en plein air dont le cordon ou la fiche est endommagé ni après un dysfonctionnement ou endommagement quelconque de l’appareil. S’adresser au fabricant pour la ré...
Page 32 - INSTRUCTIONS D’ALLUMAGE; DISPOSITION DES BOUTONS DE RÉGLAGE; OU BRÛLEUR; l’allumage. S’éloigner autant que possible lors de l’allumage.; ALLUMAGE DU BRÛLEUR DE TOURNEBROCHE; des instructions d’allumage à l’aide d’une allumette.
FR ©2019 Hestan Commercial Corporation 26 INSTRUCTIONS D’ALLUMAGE Les grils Hestan sont équipés d’allumeurs à incandescence pour tous les Trellis Burners TM , ainsi que pour le tournebroche et les brûleurs de saisie. Les allumeurs à incandescence offrent une fonction de « prolongation de délai » qui...
Page 33 - ALLUMAGE DES BRÛLEURS LATÉRAUX; étincelles jusqu’à ce qu’une flamme soit obtenue.; INSTRUCTIONS D’ALLUMAGE À L’AIDE D’UNE ALLUMETTE
FR ©2019 Hestan Commercial Corporation 27 ALLUMAGE DES BRÛLEURS LATÉRAUX 1. Lire le manuel d’utilisation et d’entretien avant d’allumer. Enlever le couvercle lors de l’allumage. 2. S’éloigner autant que possible lors de l’allumage.3. Appuyer sur le bouton sélectionné et le tourner en position « HIGH...
Page 35 - UTILISATION DU GRIL; La grande jauge de température dans votre hotte Hestan indique
FR ©2019 Hestan Commercial Corporation 29 UTILISATION DU GRIL Ce gril Hestan est un appareil de cuisson puissant et polyvalent. Les grillades traditionnelles exigent une chaleur intense pour les saisir et les faire revenir comme il faut. On cuit de nombreuses viandes d’abord sur « HIGH » pour les sa...
Page 36 - L’ENSEMBLE BROCHE / FOURCHETTES; les réglages nécessaires.; LE BRÛLEUR DE TOURNEBROCHE; conçu pour enregistrer la chaleur infrarouge directe.; FUMOIR À COPEAUX DE BOIS; remplir de nouveau de copeaux.; NETTOYAGE ET ENTRETIEN; ENTRETIEN DE L’ACIER INOXYDABLE; garantir une longue durée de service du gril.
FR ©2019 Hestan Commercial Corporation 30 L’ENSEMBLE BROCHE / FOURCHETTES Le tournebroche peut accepter de grosses pièces de viande pesant jusqu’à 50 lbs. Préparer la viande et la monter sur la broche puis monter les fourchettes. Enfoncer le côté pointu de la broche dans la viande et centrer celle-c...
Page 37 - métalliques, sauf s’ils sont en acier inoxydable.; MARQUES DE ROUILLE BRUNE; ENTRETIEN DES SURFACES PEINTES (LE CAS ÉCHÉANT)
FR ©2019 Hestan Commercial Corporation 31 Afin de maintenir l’aspect initial de ce gril Hestan, il convient de le nettoyer régulièrement en procédant comme suit : 1. Après avoir utilisé le gril et pris les mesures de sécurité décrites en détail plus haut dans ce manuel, l’essuyer avec un chiffon dou...
Page 38 - Rincer à l’eau douce propre et sécher avec un chiffon propre.; ENTRETIEN DES ÉLÉMENTS DU GRIL; GRILLES DE CUISSON ET DE MAINTIEN AU CHAUD; on laisse d’abord le gril refroidir.; BAC DE RÉCUPÉRATION; NETTOYAGE DU BRÛLEUR DE TOURNEBROCHE; pas couverts par la garantie.; NETTOYAGE DES BRÛLEUR DE SAISIE
FR ©2019 Hestan Commercial Corporation 32 Pour nettoyer la surface à revêtement de peinture en poudre : 1. Éliminer avec précaution tous les dépôts avec une éponge humide.2. Utiliser une brosse (non abrasive) ou un chiffon doux et une solution de détergent ménager doux pour enlever la poussière, le ...
Page 39 - NETTOYAGE DES ORIFICES CALIBRÉS; Remettre le brûleur en place comme décrit précédemment.; ALLUMEURS; l’empêchant de fonctionner. Le manipuler avec précaution.; NETTOYAGE DES BRIQUETTES ET DES PLATEAUX
FR ©2019 Hestan Commercial Corporation 33 Si toutefois des débris alimentaires ou jus de cuisson devaient tomber sur un brûleur de saisie inutilisé (éteint), il est possible d’enlever le couvercle métallique et de frotter celui-ci ainsi que les carreaux avec une brosse dure. Veiller à ne le faire qu...
Page 40 - REMPLACEMENT DES AMPOULES; l’éclairage en faisant attention de ne pas faire tomber le verre.; AUTRES CONSIDÉRATIONS; couvert quand il n’est pas en service.
FR ©2019 Hestan Commercial Corporation 34 Figure 10 Figure 11 REMPLACEMENT DES AMPOULES 1. Débrancher le gril avant de procéder à tout entretien ou remplacement d’ampoule. Veiller à ce que le gril et l’éclairage aient complètement refroidi. L’éclairage halogène devient très chaud. 2. Ouvrir le couve...
Page 41 - GUIDE DE DÉPANNAGE; Symptôme
FR ©2019 Hestan Commercial Corporation 35 GUIDE DE DÉPANNAGE Symptôme Contrôle Le brûleur ne s’allume pas Alimentation en gaz coupée / robinet d’arrêt fermé Bouteille de GPL vide Cordon d’alimentation débranché, prise hors tension ou fusible grillé Pression d’alimentation en gaz de l’appareil trop b...
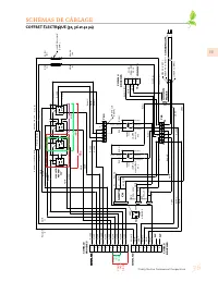
Page 42 - SCHÉMAS DE CÂBLAGE
FR ©2019 Hestan Commercial Corporation 36 SCHÉMAS DE CÂBLAGE NO 6 2 1 COM NO 6 2 1 COM NO 6 2 1 COM NO 6 2 1 COM 12VDC SORTIE ENTRÉE 120 V CA Pilote de DEL + - 12VAC, 4.17A TRANS. 50VA N (BLANC) L (NOIR) 120VAC 12VAC, 4.17A TRANS. 50VA N (BLANC) L (NOIR) 120VAC 1 2 3 4 5 6 7 8 9 10 1 2 3 4 5 6 7 8 L...
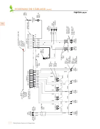
Page 43 - FAISCEAU
FR ©2019 Hestan Commercial Corporation 37 SCHÉMAS DE CÂBLAGE (suite) 1 2 3 4 5 6 7 8 123456789 10 VERS VANNE TOURNEB VERS VANNE N° 1 VERS VANNE N° 2 C N/O N/OC N/OC VERS INTERR ÉCL LED VERS INTERR TOURNEB CONNECT FEMELLE 2 BROCHES 1 2 (-) (+) NOIR BLANC NOIR BLANC VERT BLANC NOIR OCRE DÉNUD EXTRÉM 1...
Page 46 - ÉLÉMENTS COUVERTS PAR LA PRÉSENTE GARANTIE LIMITÉE
FR ©2019 Hestan Commercial Corporation 40 SERVICE Toutes les réparations dans le cadre ou en dehors de la garantie doivent être effectuées par du personnel d’entretien qualifié. Pour localiser un réparateur agréé dans la région, s’adresser au concessionnaire Hestan, au représentant local ou à l’usin...
Page 47 - ALLONGEMENTS AU-DELÀ DE LA PÉRIODE DE GARANTIE LIMITÉE D’UN AN:; garantie comme indiqué expressément ci-après :; Dia; manutention le cas échéant, étant à la charge de l’Acheteur.; ÉLÉMENTS NON COUVERTS PAR LA PRÉSENTE GARANTIE LIMITÉE; GARANTIE LIMITÉE
FR ©2019 Hestan Commercial Corporation 41 ALLONGEMENTS AU-DELÀ DE LA PÉRIODE DE GARANTIE LIMITÉE D’UN AN: En plus de la Garantie limitée d’un an, les composants qui suivent bénéficient d’un prolongement de la garantie comme indiqué expressément ci-après : 1. Le corps de gril en acier inoxydable, les...
Page 48 - d’autres qui varient selon le lieu.
FR ©2019 Hestan Commercial Corporation 42 PARTICULIER, DIRECT OU INDIRECT CAUSÉ PAR L’UTILISATION, L’USAGE ABUSIF OU L’INCAPACITÉ D’UTILISER CE PRODUIT, QUELLE QUE SOIT LA THÉORIE JURIDIQUE SUR LAQUELLE LA DEMANDE SE FONDE, MÊME SI HCC EST INFORMÉ DE LA POSSIBILITÉ DE TELS DOMMAGES. AUCUN RECOUVREME...