Gasland Chef PRO GH3365SF - Manuel d'utilisation

Gasland Chef PRO GH3365SF

Table de cuisson Gasland Chef PRO GH3365SF - Manuel d'utilisation, à lire gratuitement en ligne au format PDF. Nous espérons que cela vous aidera à résoudre toutes les questions que vous pourriez avoir. Si vous avez encore des questions, contactez-nous via le formulaire de contact.

1 Page 1
2 Page 2
3 Page 3
4 Page 4
5 Page 5
6 Page 6
7 Page 7
8 Page 8
9 Page 9
10 Page 10
11 Page 11
12 Page 12
13 Page 13
14 Page 14
15 Page 15
16 Page 16
17 Page 17
18 Page 18
19 Page 19
20 Page 20
21 Page 21
22 Page 22
23 Page 23
24 Page 24
25 Page 25
26 Page 26
27 Page 27
28 Page 28
29 Page 29
30 Page 30
Page: / 30

Table des matières:

  • Page 3 – Manuel D'instructions; Pour les modèles
  • Page 6 – AVERTISSEMENT
  • Page 7 – Description de la plaque à cuisson; Analyse détaillée; flammesort accidentellement (déverse
  • Page 10 – Guide d’installation
  • Page 14 – La plaque de cuisson à gaz est installée avec succès.; Raccordement de gaz; Installation du régulateur de pression; accessible à l’ingénieur en cas de panne.; PRECAUTION; Ne pas trop resserrer le raccordement.; pression au tuyau à air de la plaque de cuisson.
  • Page 16 – Raccordement de gaz et vérification; qu’ils s’en chargent.; Endroits à effectuer
  • Page 17 – La plaque de cuisson à gaz doit être mise à la terre; Instructions essentielles de mise à la terre:; Type de prise murale
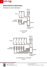
  • Page 18 – Branchement électrique; Schéma du circuit électrique:
  • Page 19 – Conversion au type de propane; emballés avec les orifices nécessaires pour la conversion de gaz.
  • Page 21 – Utilisation de la plaque de cuisson; Allumage
  • Page 22 – Rallumage; age non harmonieux. Tourner le bouton à la position «HI» et rallumer.; Allumage manuel; pendant au moins 1 min.; Régulation de la flamme; commande du bouton concerné.
  • Page 23 – casseroles à petit diamètre.
  • Page 24 – brûleurs de la plaque de cuisson.; Nettoyage et entretien; Surfaces en acier inoxydable; Ne pas utiliser un tampon à récurer il va rayer la surface.; Nettoyage des boutons; bouton soit bien serré. Tous les boutons sont interchangeables.
  • Page 25 – Retrait des brûleurs de surface pour nettoyage; Les replacer dans les mêmes emplacements après le nettoyage.
  • Page 26 – tourner le bouton vers le symbole «OFF».
  • Page 27 – Entretien et résolution des problèmes; Ne pas obstruer la combustion à flux et l’air de ventilation.
  • Page 29 – Garantie; cours de la période de garantie par l’une des méthodes suivantes:; Problème
Téléchargement du manuel

„Téléchargement du manuel“ signifie que vous devez attendre que le fichier soit complètement chargé avant de pouvoir le lire en ligne. Certains manuels sont très volumineux, et le temps de chargement dépend de la vitesse de votre connexion Internet.

Résumé

Page 3 - Manuel D'instructions; Pour les modèles

3330-A Marathon Ct Charleston, SC 29418 1 (844) 538-7890www.gaslandchef.com[email protected] Plaque De Cuisson À Gaz Encastrée Manuel D'instructions Pour les modèles Pro GH2122SF/Pro GH2305SF/Pro GH2365SF

Page 6 - AVERTISSEMENT

Cet appareil peut être utilisé par les enfants âgés d’au moins 8 ans et les personnes ayant des capacités sensorielles, physiques ou mentales réduites, ou ne disposant pas d’expérience ou de connaissances si celles-ci bénéficient de la supervision ou des instructions relatives à l’utilisation de l’a...

Page 7 - Description de la plaque à cuisson; Analyse détaillée; flammesort accidentellement (déverse

Description de la plaque à cuisson Analyse détaillée A. Dispositif de sécurité - s'active si la flammesort accidentellement (déverse ments, courants d'air, etc.) interrompre la livraison au brûleur B. Genitor pour les brûleurs aas Pro GH2122SF Pro GH2305SF Pro GH2365SF B A 2 4 2 3 5 1 4 35 2 4 2 3 5...

Autres modèles de tables de cuisson Gasland Chef