Elica ETR146SS - Manuel d'utilisation

Elica ETR146SS

Hotte de cuisine Elica ETR146SS - Manuel d'utilisation, à lire gratuitement en ligne au format PDF. Nous espérons que cela vous aidera à résoudre toutes les questions que vous pourriez avoir. Si vous avez encore des questions, contactez-nous via le formulaire de contact.

1 Page 1
2 Page 2
3 Page 3
4 Page 4
5 Page 5
6 Page 6
7 Page 7
8 Page 8
9 Page 9
10 Page 10
11 Page 11
12 Page 12
13 Page 13
14 Page 14
15 Page 15
16 Page 16
Page: / 16

Table des matières:

  • Page 1 – FRANÇAIS; APPROUVÉ POUR LES APPAREILS DE TYPE RÉSIDENTIEL; VEUILLEZ LIRE CES INSTRUCTIONS AU COMPLET AVANT DE COMMENCER.
  • Page 2 – AVIS DE SÉCURITÉ IMPORTANT
  • Page 3 – EXIGENCES D ́INSTALLATION; Outils nécessaires
  • Page 4 – Exigences d’emplacement; Installation dans une résidence mobile; Dimension du produit; Exigences concernant l’évacuation; Pour un fonctionnement efficace et silencieux :
  • Page 5 – Spécifications électriques; INSTRUCTIONS D’INSTALLATION; Préparation de l’emplacement; Retirer le ventilateur de moteur interne de la hotte; A. Pour les modèles de moteur de soufflante simples
  • Page 6 – B. Pour les modèles de moteur double de soufflante
  • Page 7 – REMARQUE; Préparer le montage du ventilateur externe; AVERTISSEMENT
  • Page 8 – Installer le système de soufflante; Achever la Preparation
  • Page 9 – ADVERTISSEMENT; INSTRUCTIONS DE CONNEXION ELECTRIQUE; Faire le Raccordement Électrique pour le; ATTENTION; Connexion électrique à l’intérieur du système de
  • Page 13 – GARANTIE DE DEUX ANS; POUR OBTENIR UN DEPANNAGE SOUS GARANTIE; QUI EST COUVERT; Demandez le service après-vente; Enregistrez votre produit sur; et obtenez une; de
Téléchargement du manuel

14

FRANÇAIS

Contents

Avis de sécurité important.......................................................................................................................................................................................... 15
Exigendes D´installation ............................................................................................................................................................................................ 16

Outils et pièces

.

.......................................................................................................................................................................................................... 16

Exigences d’emplacement. ..................................................................................................................................................................................... 17
Dimensions du Produit ........................................................................................................................................................................................... 17
Exigences concernant lévacuation ...................................................................................................................................................................... 17
Specifications electriques ..................................................................................................................................................................................... 18

Instructions d´installation ........................................................................................................................................................................................... 18

Preparatioon de l´emplacement ......................................................................................................................................................................... 18
Installer le Système système de ventilation externe..................................................................................................................................... 21

Instructions de connexion electrique ..................................................................................................................................................................... 23

Faire le Raccordement Électrique pour le Système de Moteur de Soufflante externe .

.

............................................................... 22

Raccordement électrique à l’intérieur de la hotte de cuisine entre un

Système de Soufflante externe et une hotte de cuisinière ....................................................................................................................... 23

GARANTIE ......................................................................................................................................................................................................................... 26

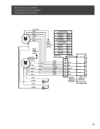
DIAGRAMME ELECTRIQUE.......................................................................................................................................................................................... 39

APPROUVÉ POUR LES APPAREILS DE TYPE RÉSIDENTIEL

POUR UNE UTILISATION RÉSIDENTIELLE SEULEMENT

LISEZ CES INSTRUCTIONS ET CONSERVEZ-LES

VEUILLEZ LIRE CES INSTRUCTIONS AU COMPLET AVANT DE COMMENCER.

L’INSTALLATION DE L’APPAREIL DOIT RESPECTER TOUS LES CODES EN VIGUEUR.

IMPORTANT :

Conservez ces instructions afin de pouvoir les remettre à l’inspecteur-électricien de votre région.

INSTALLATEUR :

Veuillez laisser ces instructions avec l’appareil pour le propriétaire.

PROPRIÉTAIRE :

Veuillez conserver ces instructions pour pouvoir vous y référer plus tard.

Avertissement de sécurité :

Coupez l’alimentation du circuit dans le panneau électrique et verrouillez le

panneau avant de raccorder les fils de cet appareil.

Exigence :

120 V c.a., 60 Hz circuit de dérivation de 15 V c.a., 20 Hz, de 15 ou 20 A.

„Téléchargement du manuel“ signifie que vous devez attendre que le fichier soit complètement chargé avant de pouvoir le lire en ligne. Certains manuels sont très volumineux, et le temps de chargement dépend de la vitesse de votre connexion Internet.

Résumé

Page 1 - FRANÇAIS; APPROUVÉ POUR LES APPAREILS DE TYPE RÉSIDENTIEL; VEUILLEZ LIRE CES INSTRUCTIONS AU COMPLET AVANT DE COMMENCER.

14 FRANÇAIS Contents Avis de sécurité important.......................................................................................................................................................................................... 15Exigendes D´installation ..........................................

Page 2 - AVIS DE SÉCURITÉ IMPORTANT

15 I AVIS DE SÉCURITÉ IMPORTANT I ATTENTION UTILISER CET APPAREIL À DES FINS DE VENTILATION GÉNÉRALE SEULEMENT. NE PAS UTILISER CET APPAREIL POUR ÉVACUER DES MATÉRIAUX OU DES VAPEURS DANGEREUX OU EXPLOSIFS. I AVERTISSEMENT POUR RÉDUIRE LES RISQUES D’INCENDIE, DE CHOC ÉLECTRIQUE ET DE BLESSURE, RESPE...

Page 3 - EXIGENCES D ́INSTALLATION; Outils nécessaires

16 EXIGENCES D´INSTALLATION Outils et pièces Rassembler les outils et composants nécessaires avant d’entreprendre l’installation. Lire et observer les instructions fournies avec chacun des outils de la liste ci-dessous. Outils nécessaires • Perceuse• Foret de 1¼” (3 cm)• Foret de ³⁄₁₆” (0,5 cm)• Cra...

Autres modèles de hottes de cuisine Elica

Tous les hottes de cuisine Elica