Dewalt DXV06G - Manuel d'utilisation

Dewalt DXV06G

Dewalt DXV06G - Manuel d'utilisation, à lire gratuitement en ligne au format PDF. Nous espérons que cela vous aidera à résoudre toutes les questions que vous pourriez avoir. Si vous avez encore des questions, contactez-nous via le formulaire de contact.

1 Page 1
2 Page 2
3 Page 3
4 Page 4
5 Page 5
6 Page 6
7 Page 7
8 Page 8
9 Page 9
10 Page 10
11 Page 11
12 Page 12
13 Page 13
Page: / 13

Table des matières:

  • Page 2 – FRANÇAIS; DÉFINITIONS : SYMBOLES ET TERMES D'ALARMES SÉCURITÉ; AVERTISSEMENT : lire tous les avertissements; afin de réduire le risque de
  • Page 3 – RÈGLES DE SÉCURITÉ ADDITIONNELLES
  • Page 4 – Pendant I’utilisation,; AVERTISSEMENT :; ENTRETIEN D’UN; AVERTISSEMENT :; PORTER; MESURES DE SÉCURITÉ IMPORTANTES:
  • Page 5 – CARACTÉRISTIQUES DU PRODUIT; DÉBALLAGE ET CONFIGURATION
  • Page 6 – WALT est; ASPIRATION DES MATIÈRES SÈCHES
  • Page 7 – Fermer à clé; REMARQUER
  • Page 8 – Prenez l’anneau de carton entourant l’ouverture; VIDER LE RÉSERVOIR
  • Page 9 – ASSEMBLAGE INSTALLATION MURALE
  • Page 10 – DÉPANNAGE
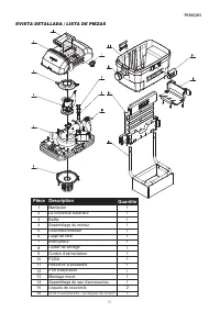
  • Page 11 – EVISTA DETALLADA / LISTA DE PIEZAS; Pièce Description
  • Page 12 – Garantie limitée de 3 an; GARANTIE
Téléchargement du manuel

(original instructions)

Español (traducido de las instrucciones originales)

English

Français (description originale)

ENGLISH

„Téléchargement du manuel“ signifie que vous devez attendre que le fichier soit complètement chargé avant de pouvoir le lire en ligne. Certains manuels sont très volumineux, et le temps de chargement dépend de la vitesse de votre connexion Internet.

Résumé

Page 2 - FRANÇAIS; DÉFINITIONS : SYMBOLES ET TERMES D'ALARMES SÉCURITÉ; AVERTISSEMENT : lire tous les avertissements; afin de réduire le risque de

FRANÇAIS DÉFINITIONS : SYMBOLES ET TERMES D'ALARMES SÉCURITÉ Ces guides d'utilisation utilisent les symboles et termes d'alarmes sécurité suivants pour vous prévenir de situations dangereuses et de risques de dommages corporels ou matériels. DANGER :  indique une situation dangereuse imminente qui, ...

Page 3 - RÈGLES DE SÉCURITÉ ADDITIONNELLES

AVERTISSEMENT : pour réduire tout risque de chocs électriques, ne pas l’exposer à la pluie. Entreposer à l’intérieur. AVERTISSEMENT : Lors de l’utilisation de tout appareil électrique, des précautions de base doivent être suivies pour réduire tout risque d’incendie, de chocs électriques ou de dommag...

Page 4 - Pendant I’utilisation,; AVERTISSEMENT :; ENTRETIEN D’UN; AVERTISSEMENT :; PORTER; MESURES DE SÉCURITÉ IMPORTANTES:

AVERTISSEMENT : Pendant I’utilisation, porter systématiquement une protection auditive individuelle adéquate homologuée ANSI S12.6 (S3.19). Sous certaines conditions et suivant la longueur d’utilisation, le bruit émanant de ce produit pourrait contribuer à une perte de l’acuité auditive. AVERTISSEME...

Autres modèles de Dewalt

Tous les autres Dewalt