Dewalt DCS781X1 - Manuel d'utilisation

Dewalt DCS781X1

Scie à onglet Dewalt DCS781X1 - Manuel d'utilisation, à lire gratuitement en ligne au format PDF. Nous espérons que cela vous aidera à résoudre toutes les questions que vous pourriez avoir. Si vous avez encore des questions, contactez-nous via le formulaire de contact.

1 Page 1
2 Page 2
3 Page 3
4 Page 4
5 Page 5
6 Page 6
7 Page 7
8 Page 8
9 Page 9
10 Page 10
11 Page 11
12 Page 12
13 Page 13
14 Page 14
15 Page 15
16 Page 16
17 Page 17
18 Page 18
19 Page 19
20 Page 20
21 Page 21
Page: / 21

Table des matières:

  • Page 2 – Composantes
  • Page 9 – FRAnçAis; AVERTISSEMENTS GÉNÉRAUX SUR LA SÉCURITÉ DES OUTILS; nE PAs
  • Page 10 – Règles de sécurité supplémentaires pour les scies à onglets
  • Page 11 – PILES ET CHARGEURS; SUR LE PROTECTEUR SUPÉRIEUR :; LISEZ TOUTES LES INSTRUCTIONS; Consignes de sécurité importantes pour les blocs‐piles
  • Page 12 – Système de protection électronique; Remarques importantes sur le chargement; Recommandations d’entreposage
  • Page 13 – Caractéristiques; Capacité de coupe; Déballer votre scie; ASSEMBLAGE ET AJUSTEMENTS; Montage mural; Instructions de nettoyage du chargeur; Procédure
  • Page 15 – FONCTIONNEMENT; Frein électrique automatique; CARACTÉRISTIQUES ET COMMANDES
  • Page 16 – Rainurage et refeuillement (non part‐en‐part); Ajustement du guide; Qualité de la coupe; lame
  • Page 17 – – EXEMPLES –; Couper les moulures couronnées
  • Page 18 – Accessoires optionnels; DESCRIPTION DES LAMES; Couper un tuyau en plastique ou un matériel rond
  • Page 19 – Garantie limitée de trois ans; Enregistrez‐vous en ligne; Guide de dépannage; ASSUREZ‐VOUS DE SUIVRE LES RÈGLES DE SÉCURITÉ ET LES INSTRUCTIONS
  • Page 20 – TABLEAU 1 : COUPE À ONGLET MIXTE; BOÎTE CARRÉE
  • Page 21 – Baterías y cargadores compatibles; li‐
Téléchargement du manuel

DCS781

12" (305 mm) 60 V Double Bevel Sliding Miter Saw

Scie à onglets à glissière double biseau 305 mm (12 po) 60V

Sierra de Inglete Deslizable de Doble Bisel de 305 mm (12") 60V

If you have questions or comments, contact us.

Pour toute question ou tout commentaire, nous contacter.

Si tiene dudas o comentarios, contáctenos.

1‑800‑4‑

D

e

WALT

Instruction Manual

Guide D’utilisation

Manual de instrucciones

„Téléchargement du manuel“ signifie que vous devez attendre que le fichier soit complètement chargé avant de pouvoir le lire en ligne. Certains manuels sont très volumineux, et le temps de chargement dépend de la vitesse de votre connexion Internet.

Résumé

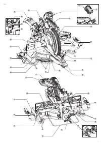
Page 2 - Composantes

English B Components 1 Trigger switch 2 Operating handle 3 Battery 4 Battery release button 5 Mounting holes 6 Lower guard 7 Miter lock handle 8 Miter detent latch 9 Miter scale 10 Miter scale screws 11 Hand indentations 12 Fence 13 Bevel lock knob 14 Stabalizer 15 Lifting handle 16 Fence adjustment...

Page 9 - FRAnçAis; AVERTISSEMENTS GÉNÉRAUX SUR LA SÉCURITÉ DES OUTILS; nE PAs

FRAnçAis 18 d ) Retirer toute clé de réglage ou clé avant de démarrer l’outil. Une clé ou une clé de réglage attachée à une partie pivotante de l’outil électrique peut provoquer des blessures corporelles. e ) Ne pas trop tendre les bras. Conserver son équilibre en tout temps. Cela permet de mieux ma...

Page 10 - Règles de sécurité supplémentaires pour les scies à onglets

FRAnçAis 19 Règles de sécurité supplémentaires pour les scies à onglets AVERTISSEMENT : ne pas laisser la familiarité (développée par l’usage régulier de votre scie) remplacer les règles de sécurité. Gardez toujours à l’esprit qu’une fraction de seconde d’inattention est suffisante pour infliger de ...

Autres modèles de scies à onglets Dewalt

Tous les scies à onglets Dewalt