Briggs & Stratton 40786 - Manuel d'utilisation

Briggs & Stratton 40786

Générateur Briggs & Stratton 40786 - Manuel d'utilisation, à lire gratuitement en ligne au format PDF. Nous espérons que cela vous aidera à résoudre toutes les questions que vous pourriez avoir. Si vous avez encore des questions, contactez-nous via le formulaire de contact.

1 Page 1
2 Page 2
3 Page 3
4 Page 4
5 Page 5
6 Page 6
7 Page 7
8 Page 8
9 Page 9
10 Page 10
11 Page 11
12 Page 12
13 Page 13
14 Page 14
15 Page 15
16 Page 16
17 Page 17
18 Page 18
19 Page 19
20 Page 20
21 Page 21
22 Page 22
23 Page 23
24 Page 24
25 Page 25
26 Page 26
27 Page 27
28 Page 28
29 Page 29
30 Page 30
31 Page 31
32 Page 32
33 Page 33
34 Page 34
35 Page 35
36 Page 36
37 Page 37
38 Page 38
39 Page 39
40 Page 40
41 Page 41
42 Page 42
43 Page 43
44 Page 44
45 Page 45
46 Page 46
47 Page 47
48 Page 48
49 Page 49
50 Page 50
Page: / 50

Table des matières:

  • Page 9 – Les symboles de sécurité et leur; Messages de sécurité
  • Page 10 – Informations générales; Merci; Comment nous joindre
  • Page 13 – Positionnement de la génératrice; Facteurs à considérer pour l’emplacement de la
  • Page 14 – Réduire le risque d’empoisonnement par
  • Page 16 – Protection de la structure
  • Page 17 – Réduire le risque d’incendie; Exigences en matière de distance
  • Page 18 – Autres directives générales concernant; Trousses pour temps froid; Ancrer la génératrice et les résistances
  • Page 20 – Plan d’installation pour le carburant
  • Page 21 – Consommation de carburant
  • Page 22 – Type de carburant
  • Page 25 – Connexions des champs électriques
  • Page 27 – Raccords CA du système
  • Page 28 – Mise à la terre de la génératrice; Huile à moteur; Batterie
  • Page 29 – Commande du système
  • Page 31 – Fonctionnement; Caractéristiques et commandes
  • Page 35 – Entretien du système
  • Page 36 – Entretien de la génératrice; Nettoyer la génératrice; Entretien du moteur
  • Page 37 – Régler le dégagement des soupapes
  • Page 38 – Système de régulation électronique
  • Page 40 – Filtre à air du moteur; Entretien du système d’échappement
  • Page 41 – Reconnaître et réarmer les alarmes
  • Page 42 – Remplacement de la batterie
  • Page 43 – Recharge de la batterie
  • Page 44 – Dépannage; Tableau de dépannage
  • Page 49 – Spécifications; Caractéristiques de la génératrice :
Téléchargement du manuel

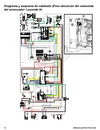
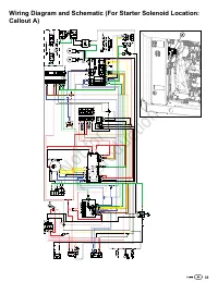
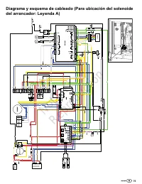
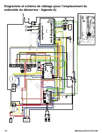
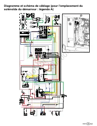
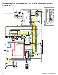
Wiring Diagram and Schematic (For Starter Solenoid Location:

Callout A)

34

BRIGGSandSTRATTON.COM

Not for

Reproduction

„Téléchargement du manuel“ signifie que vous devez attendre que le fichier soit complètement chargé avant de pouvoir le lire en ligne. Certains manuels sont très volumineux, et le temps de chargement dépend de la vitesse de votre connexion Internet.

Résumé

Page 9 - Les symboles de sécurité et leur; Messages de sécurité

Table des matières: Consignes de sécurité importantes.................................. 79Informations générales...................................................... 80Installation........................................................................... 82Fonctionnement..............................

Page 10 - Informations générales; Merci; Comment nous joindre

AVERTISSEMENT  Ce produit contient du plomb et des composés de plomb, connus dans l’État de la Californie pour causer des malformations congénitales ou les dommages à l’appareil reproducteur. Nettoyez-vous les mains après la manipulation de ce produit. Cancer et effets nocifs sur la reproduction – w...

Page 13 - Positionnement de la génératrice; Facteurs à considérer pour l’emplacement de la

distance en option. Appliquer les facteurs de correction nécessaires et les calculs de grosseurs de fils.1. Régler le disjoncteur de la génératrice à la position ARRÊT. 2. Régler l’interrupteur de marche/arrêt de la génératrice à la position ARRÊT. 3. Retirer le fusible de 15 A de la génératrice.4. ...

Autres modèles de générateurs Briggs & Stratton

Tous les générateurs Briggs & Stratton