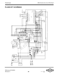
Briggs & Stratton 40661 - Manuel d'utilisation

Briggs & Stratton 40661

Générateur Briggs & Stratton 40661 - Manuel d'utilisation, à lire gratuitement en ligne au format PDF. Nous espérons que cela vous aidera à résoudre toutes les questions que vous pourriez avoir. Si vous avez encore des questions, contactez-nous via le formulaire de contact.

1 Page 1
2 Page 2
3 Page 3
4 Page 4
5 Page 5
6 Page 6
7 Page 7
8 Page 8
9 Page 9
10 Page 10
11 Page 11
12 Page 12
13 Page 13
14 Page 14
15 Page 15
16 Page 16
17 Page 17
18 Page 18
19 Page 19
20 Page 20
21 Page 21
22 Page 22
23 Page 23
24 Page 24
25 Page 25
26 Page 26
27 Page 27
28 Page 28
29 Page 29
30 Page 30
31 Page 31
32 Page 32
33 Page 33
34 Page 34
35 Page 35
36 Page 36
37 Page 37
38 Page 38
39 Page 39
40 Page 40
41 Page 41
42 Page 42
43 Page 43
44 Page 44
45 Page 45
46 Page 46
47 Page 47
48 Page 48
49 Page 49
50 Page 50
Page: / 50
Téléchargement du manuel

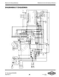
N.° de pieza 80106286

Revisión C

25

Instalación

Conexiones del campo eléctrico

Español

es

NÚMERO

DE

CLAVIJA

DESCRIPCIÓN

TIPO DE CABLE

SE CONECTA A

NOTAS

1

+12V

Conductores de #18 AWG (1 mm2),

600V como mínimo, cable de Cu 90° C.

Interruptor de

transferencia,

controlador básico J7-8

12 VCC

Señal de transferencia del

interruptor de transferencia

(solo funciona con el

controlador básico de

interruptor de transferencia)

2

GND (conexión

a tierra)

Conductores de #18 AWG (1 mm2),

600V como mínimo, cable de Cu 90° C.

Interruptor de

transferencia,

controlador básico J7-7

GND

3

Xfer

(interruptor de

transferencia)

Conductores de #18 AWG (1 mm2),

600V como mínimo, cable de Cu 90° C.

Interruptor de

transferencia,

controlador básico J7-4

T/R

4

2-WIRE START

(Arranque de

dos cables)

Conductores de #18 AWG (1 mm2),

600V como mínimo, cable de Cu 90° C.

Consulte el

Manual

del interruptor de

transferencia

para

verificar si esta función

está disponible.

Contacto cerrado para arranque

del grupo electrógeno.

(Solo para interruptor de

transferencia que proporciona

esta opción).

Se debe deshabilitar el control

de la red de suministro en el

controlador.

5

2-WIRE START

(Arranque de

dos cables)

Conductores de #18 AWG (1 mm2),

600V como mínimo, cable de Cu 90° C.

6

E-STOP (Parada

de emergencia)

Conductores de #18 AWG (1 mm2),

600V como mínimo, cable de Cu 90° C.

Interruptor de parada

de emergencia

Contacto abierto para apagar el

grupo electrógeno

7

E-STOP (Parada

de emergencia

Conductores de #18 AWG (1 mm2),

600V como mínimo, cable de Cu 90° C.

Interruptor de parada

de emergencia

9

VIN+

(+12V)

Conductores de #18 AWG (1 mm2),

600V como mínimo, cable de Cu 90° C.

Consulte el

Manual de

la puerta de enlace de

amplificación

.

Módulo de comunicación a WIFI
Par trenzado #1: +12 V y GND
Par trenzado #2: (A) y (B)

10

(D+)

Conductores de #18 AWG (1 mm2),

600V como mínimo, cable de Cu 90° C.

11

(D-)

Conductores de #18 AWG (1 mm2),

600V como mínimo, cable de Cu 90° C.

12

GND (conexión

a tierra)

Conductores de #18 AWG (1 mm2),

600V como mínimo, cable de Cu 90° C.

13

+12V

Conductores de #18 AWG (1 mm2),

600V como mínimo, cable de Cu 90° C.

Consulte el

Manual

Premium de InfoHub™

.

Comunicación a módulo celular
Par trenzado #1: +12 V y GND
Par trenzado #2: (A) y (B)

14

(A)

Conductores de #18 AWG (1 mm2),

600V como mínimo, cable de Cu 90° C.

15

(B)

Conductores de #18 AWG (1 mm2),

600V como mínimo, cable de Cu 90° C.

16

GND (conexión

a tierra)

Conductores de #18 AWG (1 mm2),

600V como mínimo, cable de Cu 90° C.

25

Red pública

#14 AWG [2.5 mm2] 600V como

mínimo, Cable de Cu 90° C.

Interruptor de

transferencia, Red

pública

Detección de voltaje para el

Arranque del grupo electrógeno.

Use esta señal o bien la señal de

Arranque de dos cables para la

señal de Arranque del GRUPO

ELECTRÓGENO (aún se requiere

para la configuración de dos

cables del cargador de batería).

26

Red pública

#14 AWG [2.5 mm2] 600V como

mínimo, Cable de Cu 90° C.

Interruptor de

transferencia, Red

pública

• Para la conexión de salida de energía (L1, L2, Neutro

(N) y Tierra),

consulte el Código eléctrico nacional

(National Electric Code, NEC) y los códigos locales.

• Para los cables de comunicación utilice cables de

300 V y conductores trenzados #18 AWG (1 mm2) que

no tengan más de 500 pies (150 m) de longitud.

• Cuando lo conecte al bloque de terminales, sujete solo

un cable a cada tornillo del conector.

• Ajuste los tornillos del bloque de terminales hasta

4.4 pulg.-libra (0.5 N·m).

• Ajuste las conexiones del disyuntor hasta 45 pulg.-libra

(5 N·m).

Not for

Reproduction

„Téléchargement du manuel“ signifie que vous devez attendre que le fichier soit complètement chargé avant de pouvoir le lire en ligne. Certains manuels sont très volumineux, et le temps de chargement dépend de la vitesse de votre connexion Internet.

Autres modèles de générateurs Briggs & Stratton

Tous les générateurs Briggs & Stratton